GM Service Manual Online
For 1990-2009 cars only
Makes
🢒
Chevrolet
🢒
2005
🢒
Colorado Pickup - 2WD
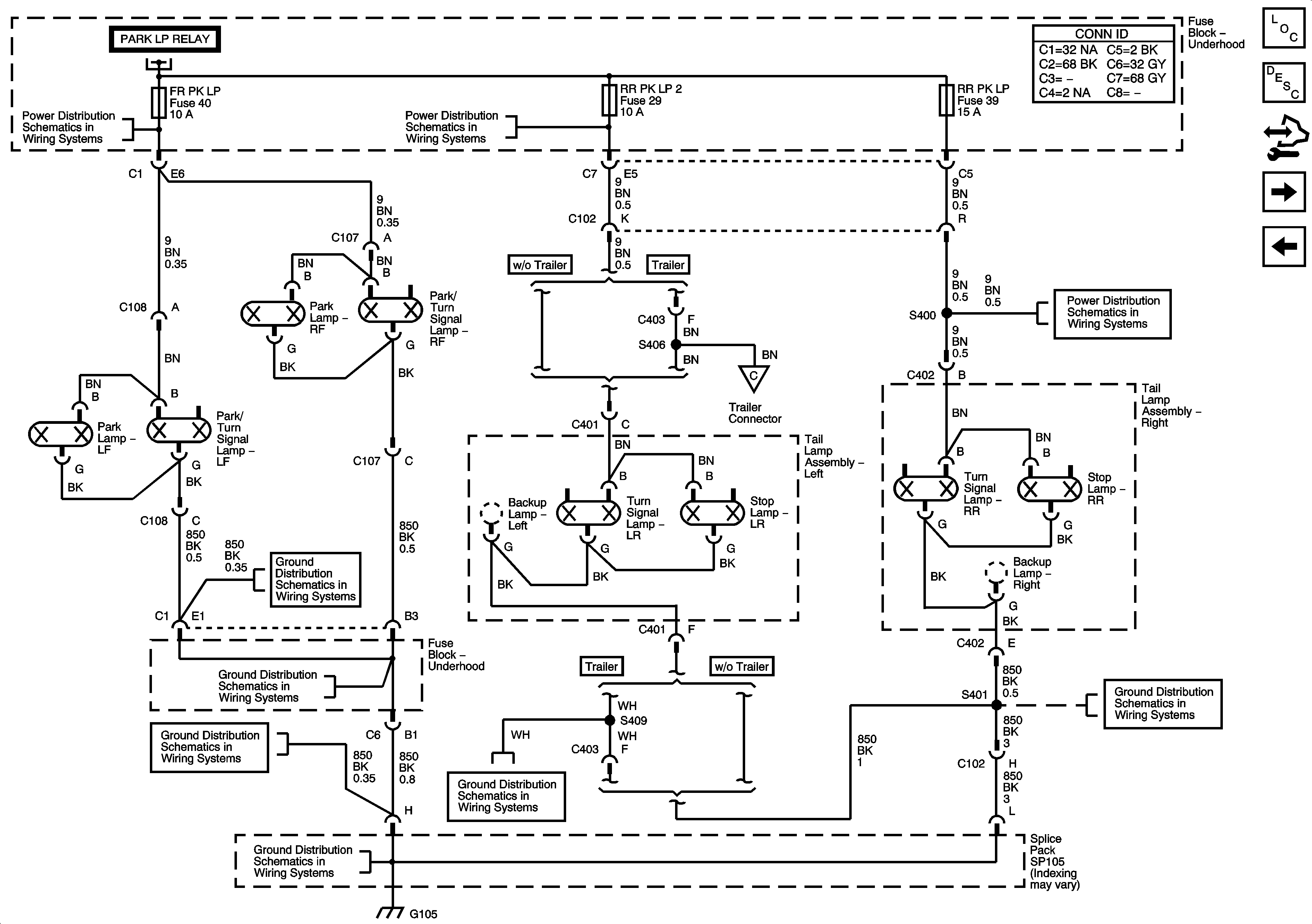
🢒 Park Lamps
Park Lamps
Park Lamps
Master Electrical Component List
Exterior Lighting Systems Description and Operation
Body Control Module (BCM) Programming/RPO Configuration
Stop Lamps and License Lamps
Backup Lamps
FR PK LP, RR PK, and RR PK LP Fuses
FR PK LP, RR PK, and RR PK LP Fuses
FR PK LP, RR PK, and RR PK LP Fuses
Splice Pack SP105 and G105 - 1 of 2
Splice Pack SP105 and G105 - 1 of 2
Splice Pack SP105 and G105 - 1 of 2
Splice Pack SP105 and G105 - 1 of 2
Splice Pack SP105 and G105 - 1 of 2