GM Service Manual Online
For 1990-2009 cars only
Makes
🢒
Chevrolet
🢒
2005
🢒
Colorado Pickup - 2WD
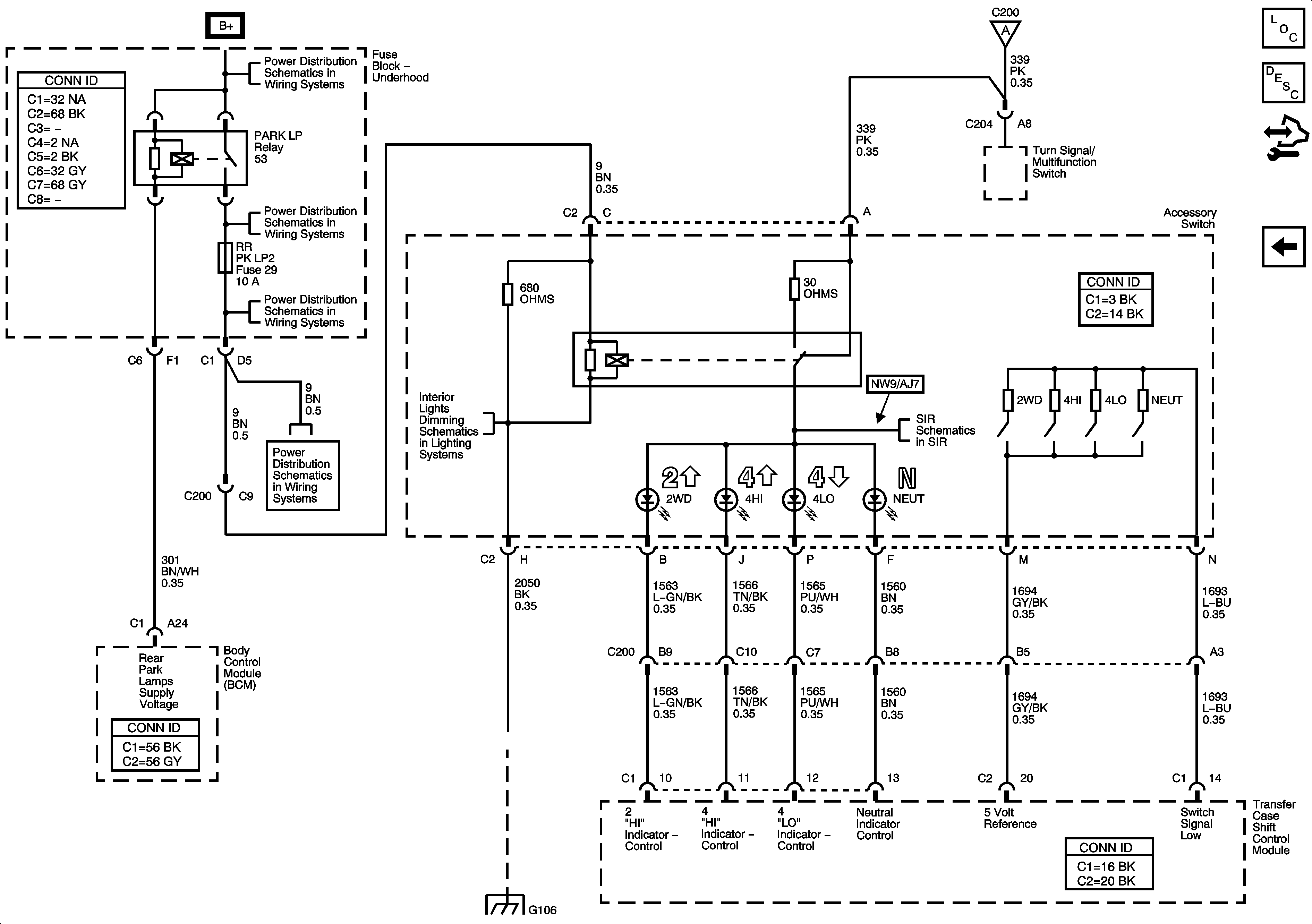
🢒 Shift Control Switch Inputs
Shift Control Switch Inputs
Shift Control Switch Inputs
Master Electrical Component List
Transfer Case Description and Operation
Body Control Module (BCM) Programming/RPO Configuration
Front Axle Actuator
B+ Bus - Underhood Fuse Block
FR PK LP, RR PK, and RR PK LP Fuses
FR PK LP, RR PK, and RR PK LP Fuses
FR PK LP, RR PK, and RR PK LP Fuses
Interior Lights Dimming Schematics
Splice Pack SP106 and G106 - 1 of 2
Power, Ground, and DLC