GM Service Manual Online
For 1990-2009 cars only
Makes
🢒
Chevrolet
🢒
2005
🢒
Colorado Pickup - 2WD
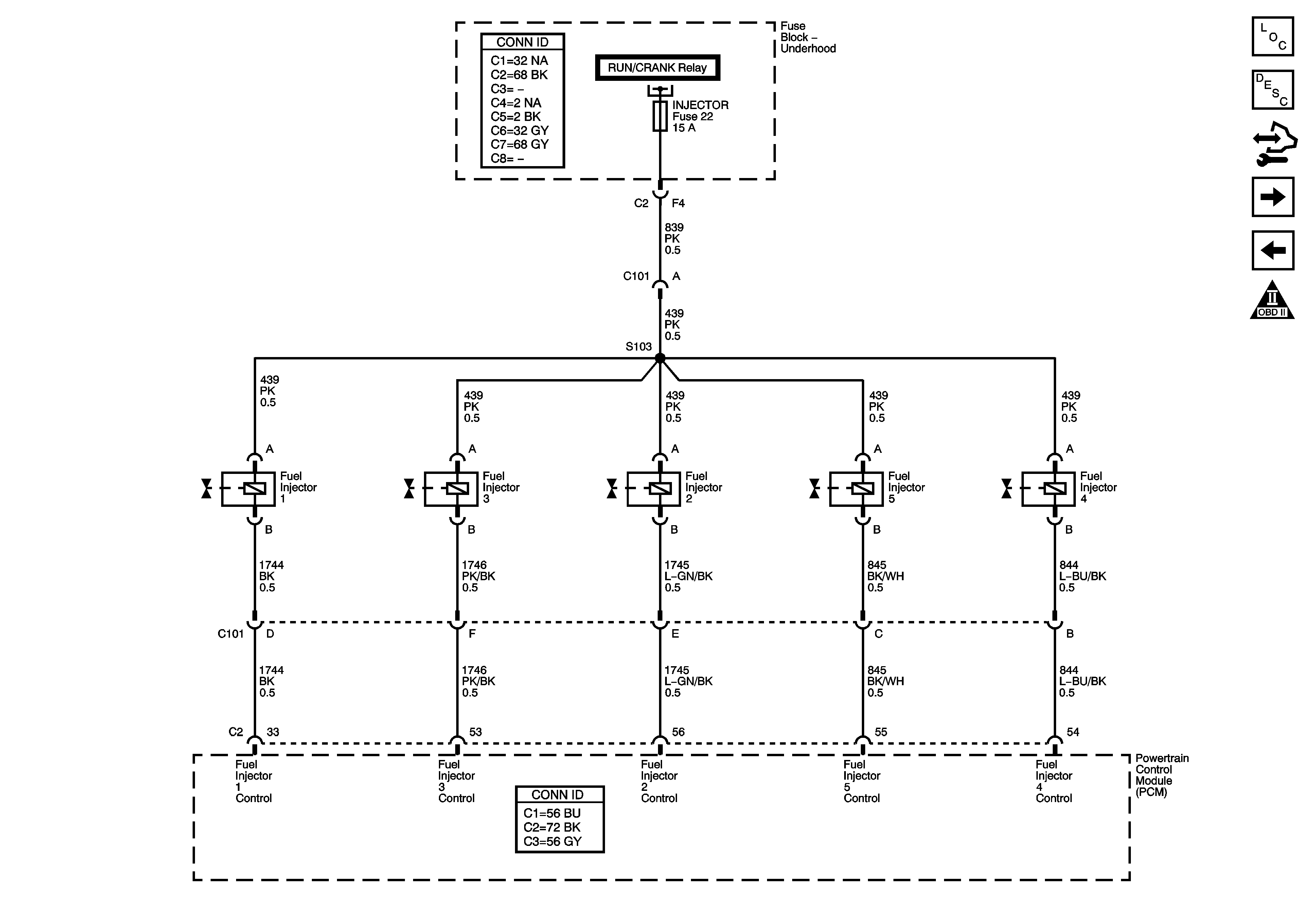
🢒 Fuel Controls - Fuel Injectors
Fuel Controls - Fuel Injectors
Fuel Controls - Fuel Injectors
Master Electrical Component List
Fuel System Description
Body Control Module (BCM) Programming/RPO Configuration
Fuel Controls - EVAP Controls
Fuel Controls - Fuel Pump Controls
Engine Controls Schematic Icons
B+ Bus - Underhood Fuse Block