GM Service Manual Online
For 1990-2009 cars only
Makes
🢒
Chevrolet
🢒
2007
🢒
Colorado Pickup - 2WD
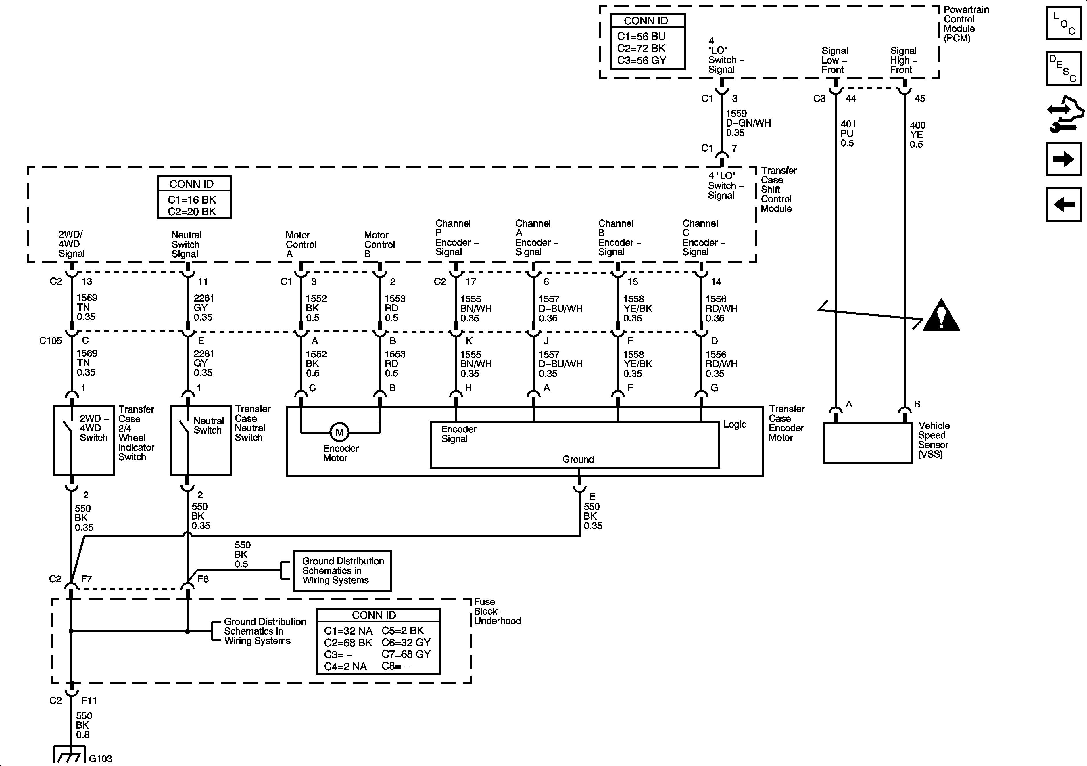
🢒 Transfer Case Encoder Motor
Transfer Case Encoder Motor
Transfer Case Encoder Motor
Master Electrical Component List
Transfer Case Description and Operation
Body Control Module (BCM) Programming/RPO Configuration
Front Axle Actuator
Power, Ground, and DLC
Transfer Case Control Schematic Icons
G100, G104, G102, G103, and G101
G100, G104, G102, G103, and G101
G100, G104, G102, G103, and G101