GM Service Manual Online
For 1990-2009 cars only
Makes
🢒
Chevrolet
🢒
2007
🢒
Colorado Pickup - 2WD
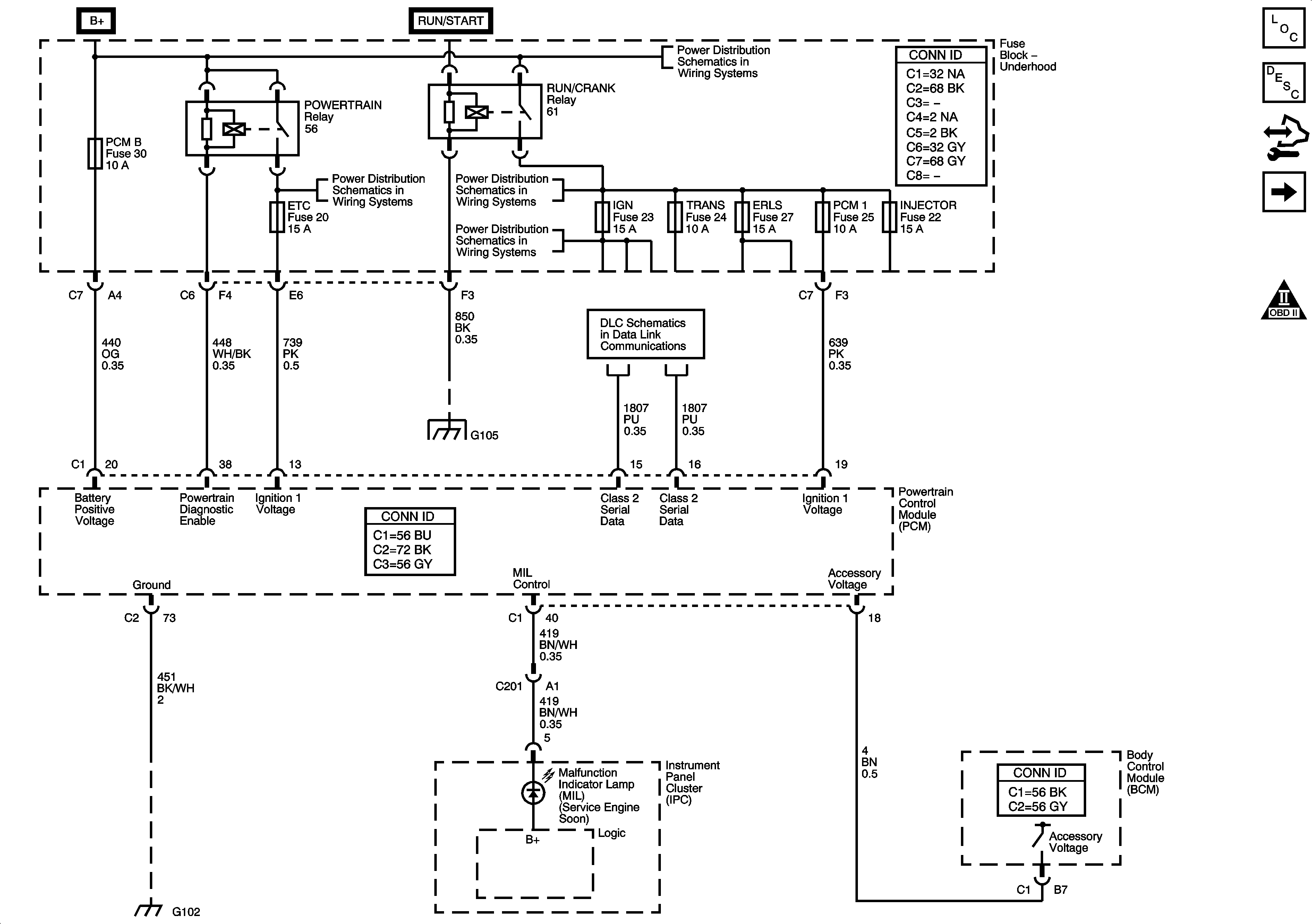
🢒 Module Power, Ground, Serial Data, and MIL
Module Power, Ground, Serial Data, and MIL
Module Power, Ground, Serial Data, and MIL
Master Electrical Component List
Air Intake System Description
Body Control Module (BCM) Programming/RPO Configuration
Engine Data Sensors - 5-Volt and Low Reference
Engine Controls Schematic Icons
B+ Bus - Underhood Fuse Block
B+ Bus - Underhood Fuse Block
B+ Bus - Underhood Fuse Block
B+ Bus - Underhood Fuse Block
Data Link Connector (DLC) Schematics
Splice Pack SP1`05 and G105 - 1 of 2
Ignition Switch and IGN TRANS D Fuse
G100, G104, G102, G103, and G101
G100, G104, G102, G103, and G101