GM Service Manual Online
For 1990-2009 cars only
Makes
🢒
Chevrolet
🢒
2007
🢒
Colorado Pickup - 2WD
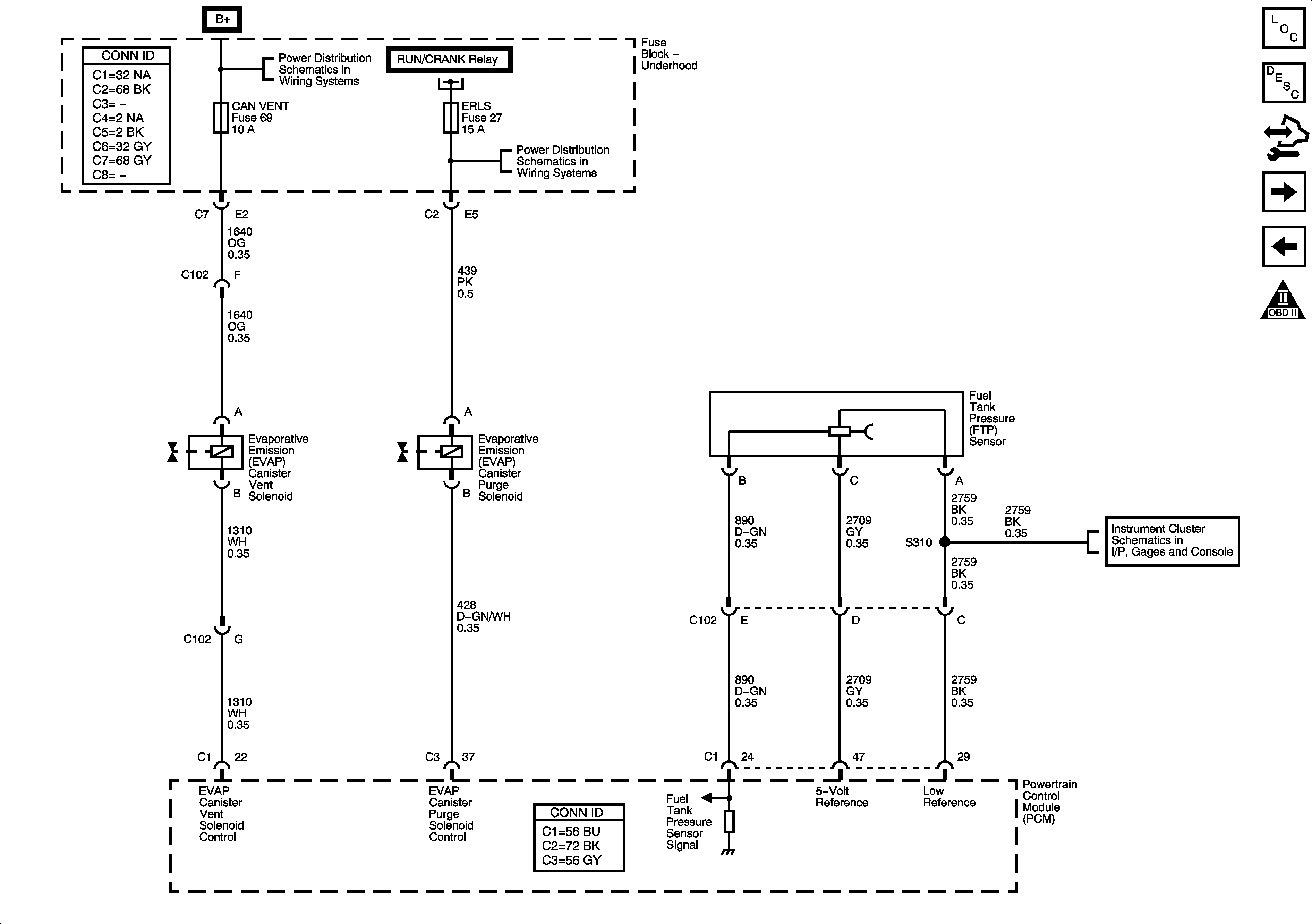
🢒 Fuel Controls - Fuel Pressure Sensor/Regulator
Fuel Controls - Fuel Pressure Sensor/Regulator
Fuel Controls - EVAP Controls
Master Electrical Component List
Fuel System Description
Body Control Module (BCM) Programming/RPO Configuration
Controlled/Monitored Sub-System References
Fuel Controls - Fuel Injectors
Engine Controls Schematic Icons
B+ Bus - Underhood Fuse Block
RUN/CRANK RELAY BUS - 3 of 3, CRUISE, SIR, and TRANS Fuses
Gages