GM Service Manual Online
For 1990-2009 cars only
Makes
🢒
Chevrolet
🢒
2007
🢒
Colorado Pickup - 2WD
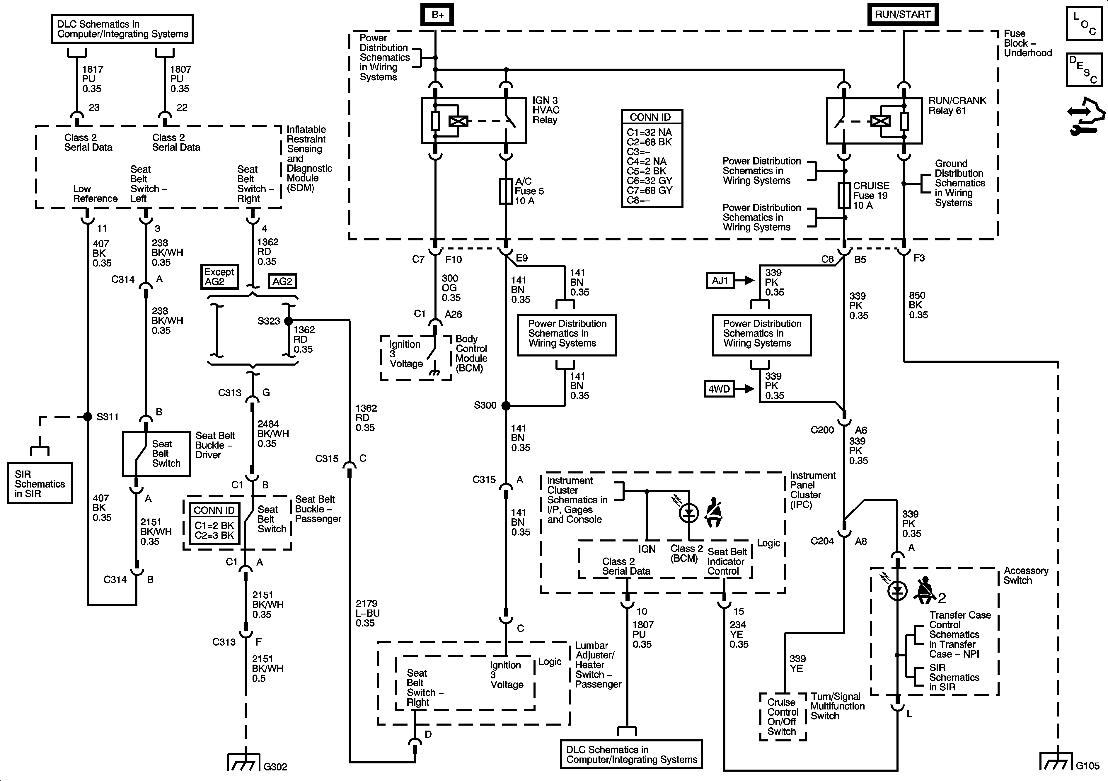
🢒 Seat Belts Schematics
Seat Belts Schematics
Master Electrical Component List
Seat Belt System Description and Operation
Body Control Module (BCM) Programming/RPO Configuration
Data Link Connector (DLC) Schematics
B+ Bus - Underhood Fuse Block
B+ Bus - Underhood Fuse Block
RUN/CRANK RELAY BUS - 1 of 3, CRUISE, SIR, and TRANS Fuses
Splice Pack SP1`05 and G105 - 1 of 2
SIR Schematics
G300, G301, G302, and G303
A/C, BLOWER, DOOR LOCK, HTD SEAT, ONSTAR, TBC, TURN/HAZ FR, and TURN/HAZ RR Fuses
RUN/CRANK RELAY BUS - 1 of 3, CRUISE, SIR, and TRANS Fuses
Indicators
Data Link Connector (DLC) Schematics
Shift Control Switch Inputs
Seat Position Switches and Seat Belt Pretensioners
Splice Pack SP1`05 and G105 - 1 of 2