GM Service Manual Online
For 1990-2009 cars only
Makes
🢒
Chevrolet
🢒
2007
🢒
Colorado Pickup - 2WD
🢒 Seat Position Switches and Seat Belt Pretensioners
Seat Position Switches and Seat Belt Pretensioners
PPS Sensors and Indicators
Master Electrical Component List
SIR System Description and Operation
Body Control Module (BCM) Programming/RPO Configuration
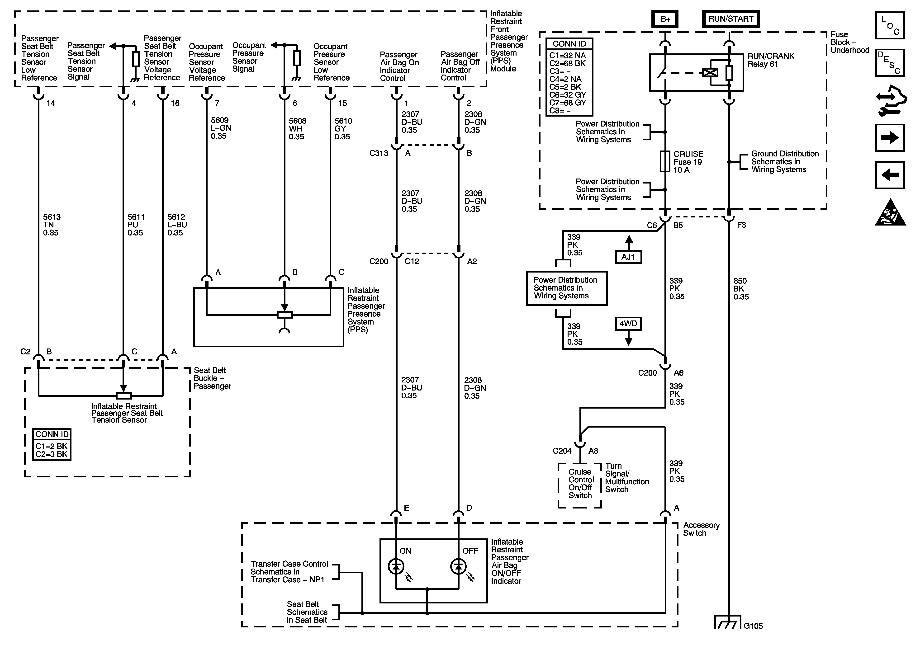
SIR Schematics
Driver and Passenger Inflatable Restraint Module and Sensors
SIR Schematic Icons
B+ Bus - Underhood Fuse Block
RUN/CRANK RELAY BUS - 1 of 3, CRUISE, SIR, and TRANS Fuses
RUN/CRANK RELAY BUS - 1 of 3, CRUISE, SIR, and TRANS Fuses
Shift Control Switch Inputs
Seat Belts Schematics
Splice Pack SP1`05 and G105 - 1 of 2
Splice Pack SP1`05 and G105 - 1 of 2