GM Service Manual Online
For 1990-2009 cars only
Makes
🢒
Chevrolet
🢒
2007
🢒
Colorado Pickup - 2WD
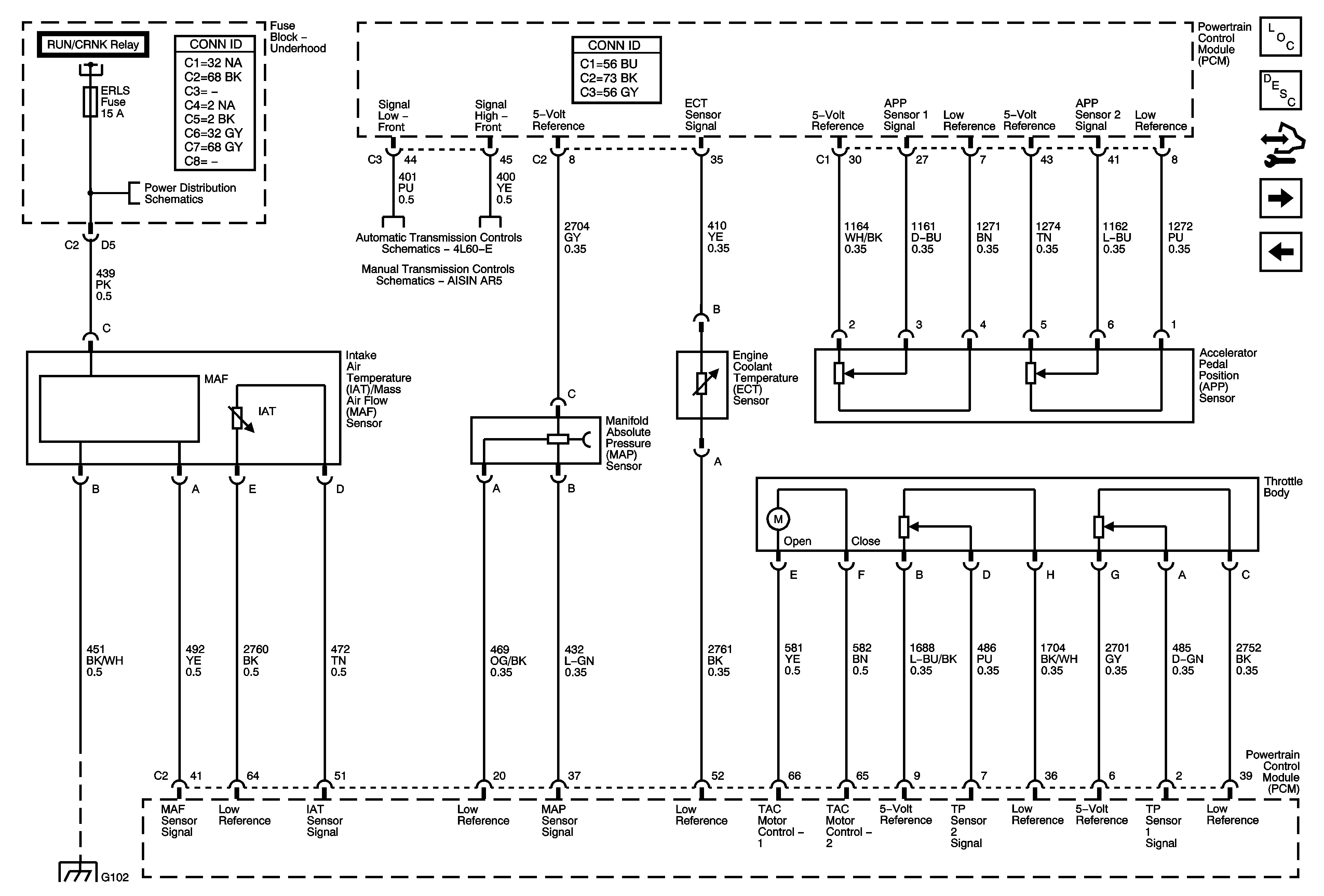
🢒 Engine Data Sensors - Electronic Throttle Controls, MAF, Pressure, and Temperature
Engine Data Sensors - Electronic Throttle Controls, MAF, Pressure, and Temperature
Engine Data Sensors - Electronic Throttle Controls, MAF, Pressure, and Temperature
Master Electrical Component List
Throttle Actuator Control (TAC) System Description
Body Control Module (BCM) Programming/RPO Configuration
Oxygen Sensors
Engine Data Sensors - 5-Volt and Low Reference
Engine Controls Schematic Icons
B+ Bus - Underhood Fuse Block
TCC Brake/Cruise Release Switch and Vehicle Speed Sensor
Manual Transmission Schematics
G100, G104, G102, G103, and G101