GM Service Manual Online
For 1990-2009 cars only
Makes
🢒
Chevrolet
🢒
2007
🢒
Colorado Pickup - 2WD
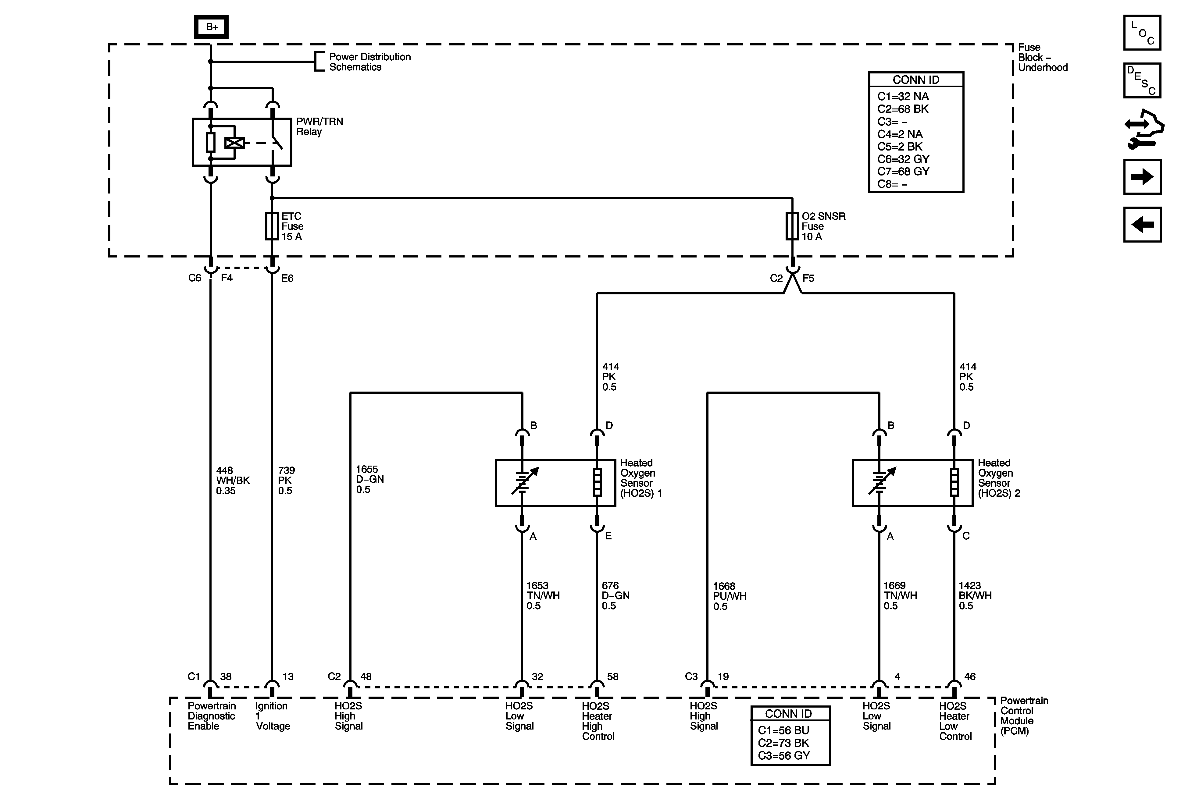
🢒 Oxygen Sensors
Oxygen Sensors
Engine Data Sensors - Oxygen Sensors
Master Electrical Component List
Powertrain Control Module Description
Body Control Module Programming and Setup
Engine Data Sensors - Injection Timing Controls
Engine Data Sensors - Electronic Throttle Controls, MAF, Pressure, and Temperature
Engine Controls Schematic Icons
B+ Bus - Underhood Fuse Block