GM Service Manual Online
For 1990-2009 cars only
Makes
🢒
Chevrolet
🢒
2007
🢒
Colorado Pickup - 2WD
🢒 Indicators
Indicators
Indicators
Master Electrical Component List
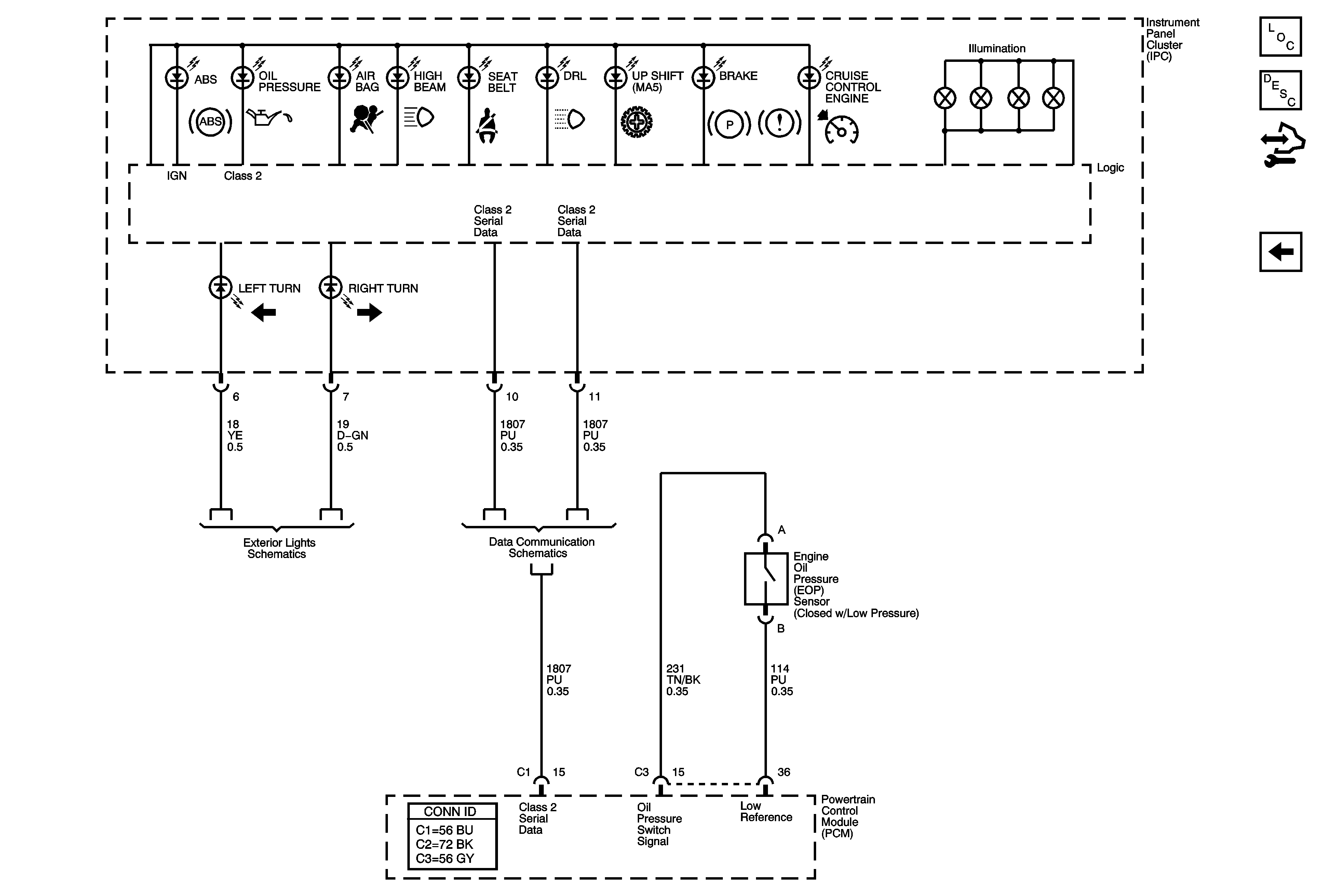
Instrument Cluster Description and Operation
Body Control Module Programming and Setup
Gages
Turn Signal Lamps
Data Communication Schematics