GM Service Manual Online
For 1990-2009 cars only
Makes
🢒
Chevrolet
🢒
2007
🢒
Colorado Pickup - 2WD
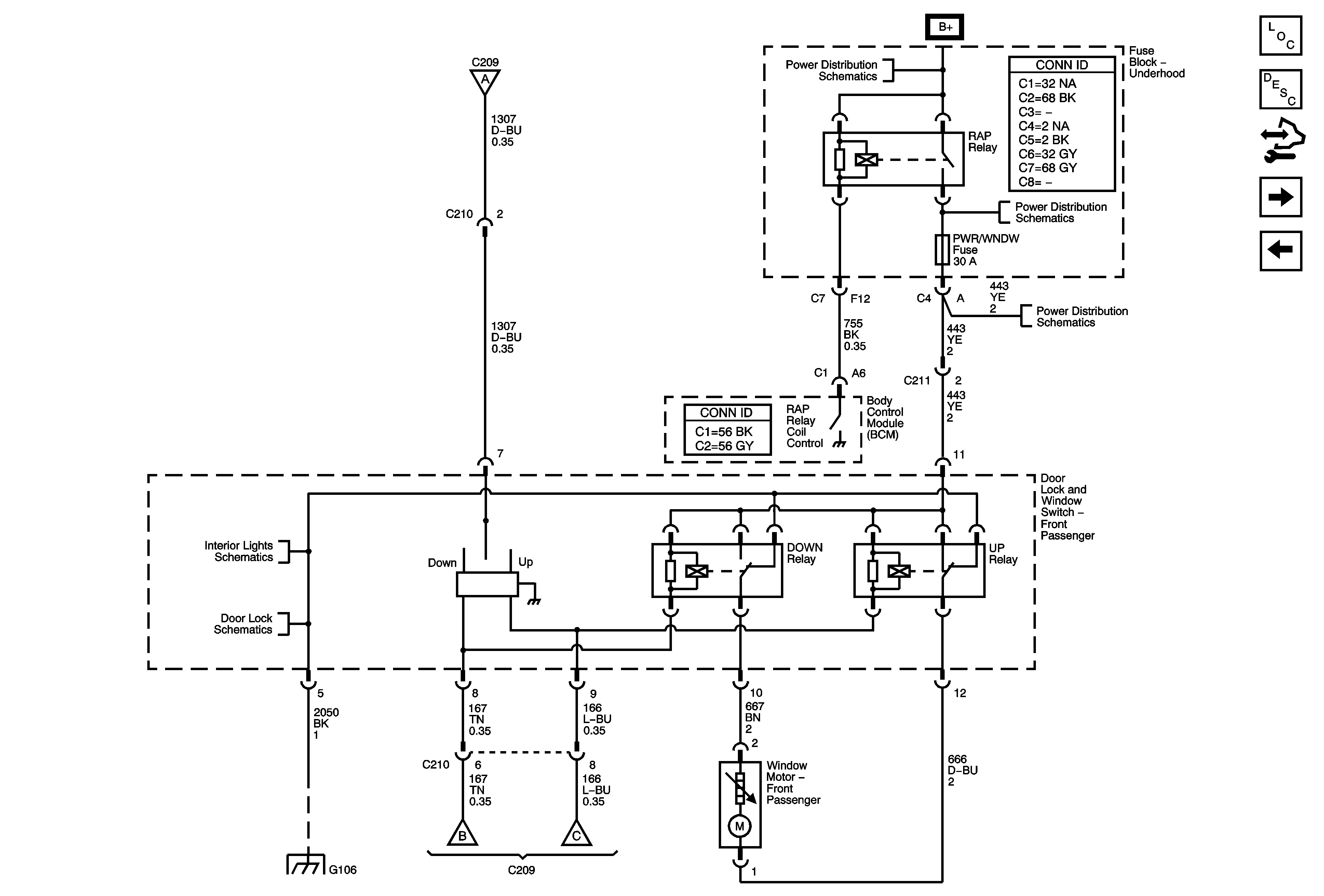
🢒 Right Door Regular and Extended Cab
Right Door Regular and Extended Cab
Right Door - Regular and Extended Cab
Master Electrical Component List
Power Windows Description and Operation
Body Control Module Programming and Setup
Left Door Crew Cab
Left Door Regular and Extended Cab
Left Door Regular and Extended Cab
B+ Bus - Underhood Fuse Block
ETC, O2 SENSOR, PWR/WINDOW, SUNROOF, and WIP/WASH Fuses
ETC, O2 SENSOR, PWR/WINDOW, SUNROOF, and WIP/WASH Fuses
Door Lock, Window Switches, and Outside Rearview Mirror Switch
Power Door Locks, Regular and Extended Cab
Splice Pack SP106 and G106 - 1 of 2
Left Door Regular and Extended Cab