GM Service Manual Online
For 1990-2009 cars only
Makes
🢒
Chevrolet
🢒
2007
🢒
Colorado Pickup - 2WD
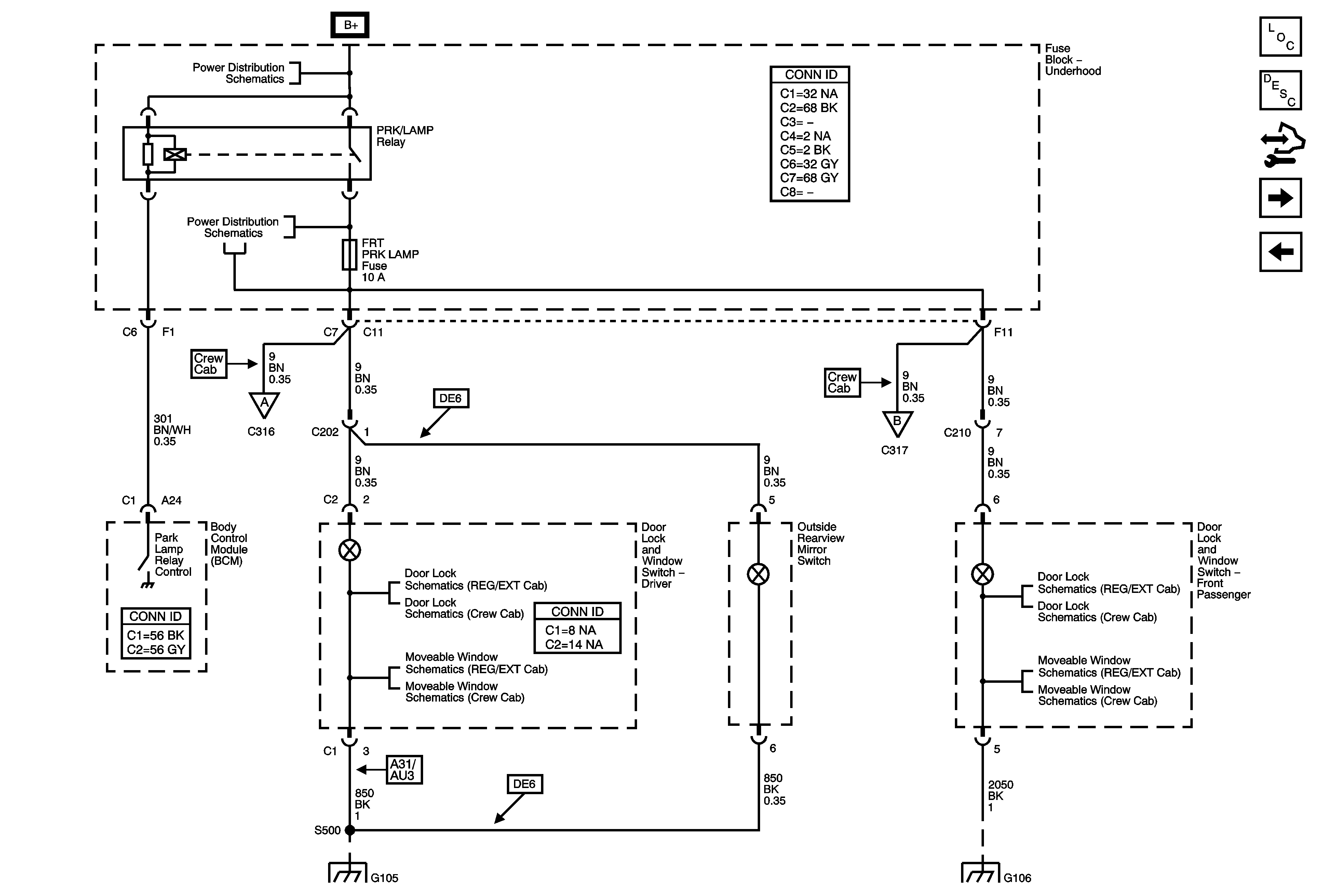
🢒 Door Lock, Window Switches, and Outside Rearview Mirror Switch
Door Lock, Window Switches, and Outside Rearview Mirror Switch
Door Lock, Window Switches, and Outside Rearview Mirror Switch
Master Electrical Component List
Interior Lighting Systems Description and Operation
Body Control Module (BCM) Programming/RPO Configuration
Door Jamb Switches
Inside Rearview Mirror, Dome Lamp, Footwell Lamps, and Cargo Lamp
B+ Bus - Underhood Fuse Block
FR PK LP, RR PK LP, and RR PK LP2 Fuses
Door Jamb Switches
Door Jamb Switches
Power Door Locks, Regular and Extended Cab
Power Door Locks - Crew Cab
Left Door Regular and Extended Cab
Rear Doors Crew Cab
Power Door Locks, Regular and Extended Cab
Power Door Locks - Crew Cab
Right Door Regular and Extended Cab
Right Door Crew Cab
Splice Pack SP105 and G105 - 1 of 2
Splice Pack SP106 and G106 - 1 of 2