GM Service Manual Online
For 1990-2009 cars only
Makes
🢒
Chevrolet
🢒
2007
🢒
Colorado Pickup - 2WD
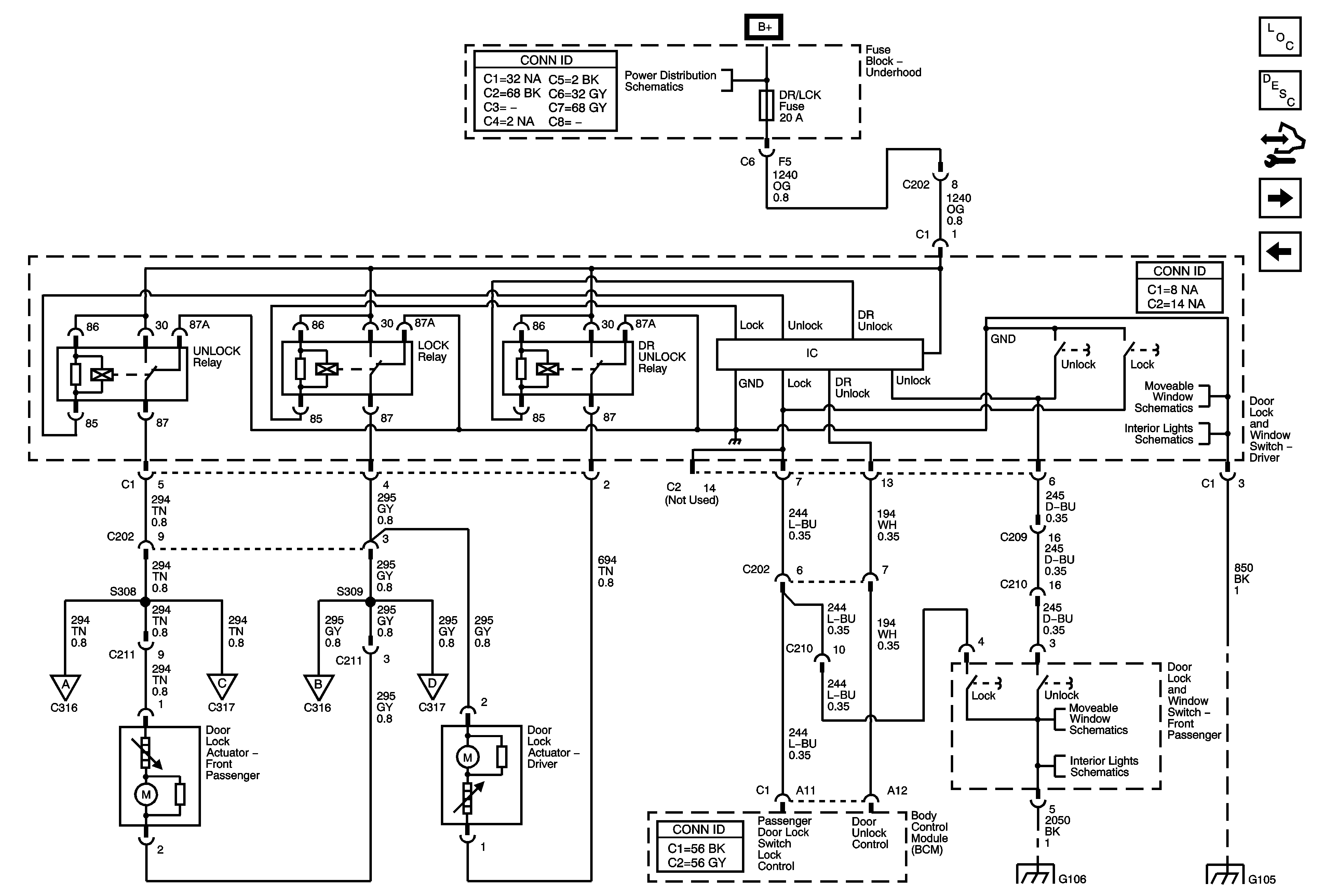
🢒 Power Door Locks - Crew Cab
Power Door Locks - Crew Cab
Power Door Locks - Crew Cab
Master Electrical Component List
Power Door Locks Description and Operation
Body Control Module Programming and Setup
Rear Door Lock Actuator - Crew Cab
Power Door Locks, Regular and Extended Cab
B+ Bus - Underhood Fuse Block
Left Door Crew Cab
Door Lock, Window Switches, and Outside Rearview Mirror Switch
Right Door Crew Cab
Door Lock, Window Switches, and Outside Rearview Mirror Switch
Rear Door Lock Actuator - Crew Cab
Rear Door Lock Actuator - Crew Cab
Rear Door Lock Actuator - Crew Cab
Rear Door Lock Actuator - Crew Cab
Splice Pack SP106 and G106 - 1 of 2
Splice Pack SP105 and G105 - 1 of 2