GM Service Manual Online
For 1990-2009 cars only
Makes
🢒
Chevrolet
🢒
2007
🢒
Colorado Pickup - 2WD
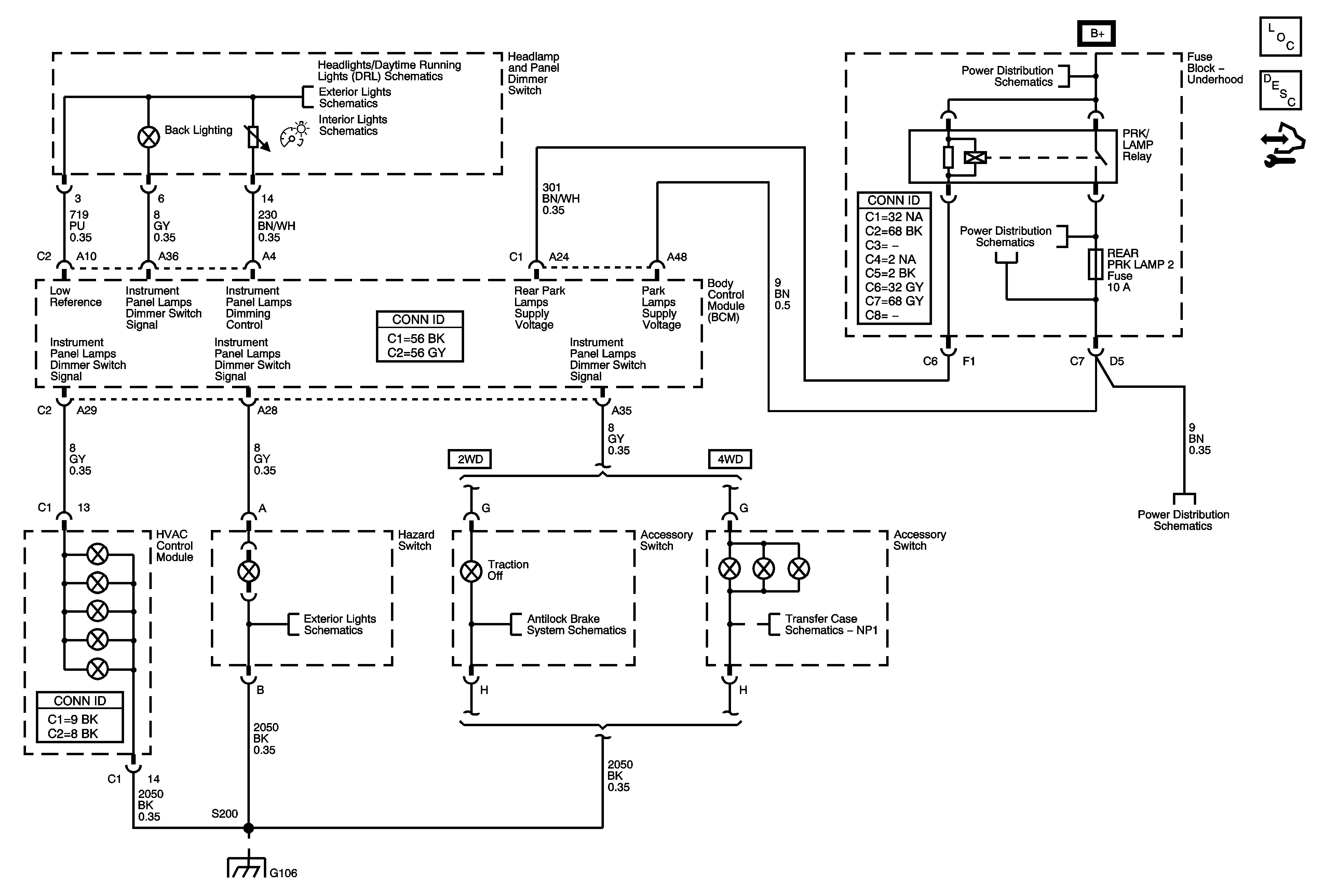
🢒 Interior Lights Dimming Schematics
Interior Lights Dimming Schematics
Master Electrical Component List
Interior Lighting Systems Description and Operation
Body Control Module (BCM) Programming/RPO Configuration
w/o TT5
w/TT5
Park Lamp Control, Turn Signal Inputs, and Hazard Switch
Fog Lights
B+ Bus - Underhood Fuse Block
FR PK LP, RR PK LP, and RR PK LP2 Fuses
FR PK LP, RR PK LP, and RR PK LP2 Fuses
Park Lamp Control, Turn Signal Inputs, and Hazard Switch
Traction Control
Shift Control Switch Inputs
Splice Pack SP106 and G106 - 1 of 2