GM Service Manual Online
For 1990-2009 cars only

Special Tools

    • EN 46547 Flywheel Holding Tool
    • EN-48464 Lower Timing Gear Tensioner Holding Tool
    • J 44221 Camshaft Holding Tool
    • J 45059 Angle Meter

Removal Procedure

  1. Bleed the fuel pressure. Refer to Fuel Pressure Relief .
  2. Remove the air induction assembly from the vehicle. Refer to Air Cleaner Resonator and Outlet Duct Replacement and Air Cleaner Assembly Replacement .
  3. Remove the battery from the vehicle. Refer to Battery Replacement .
  4. Disconnect the Fuel/EVAP lines from the intake manifold and move aside. Includes fuel line removal from fuel rail. Refer to Evaporative Emission Hoses/Pipes Replacement - Engine .
  5. Remove the bolt holding the oil indicator tube to the intake manifold and move the oil indicator tube aside. Do not remove.
  6. Lift the Vehicle. Refer to Lifting and Jacking the Vehicle .
  7. Remove the engine shield from the vehicle.
  8. Remove the oil pan skid plate from the vehicle.
  9. Remove the drive belt. Refer to Drive Belt Replacement .
  10. Drain the engine oil.
  11. Drain the engine coolant. Refer to Cooling System Draining and Filling .
  12. Remove the left front wheelhouse panel. Refer to Front Wheelhouse Liner Replacement .
  13. Remove the fir tree wiring harness connectors from the engine wring harness bracket from the left front wheelhouse opening.
  14. From the left front wheelhouse, remove the engine wiring harness bracket from the engine and set aside.
  15. Remove the intake manifold bolts from the wheelhouse access. The bolts stay with intake manifold.
  16. On two-wheel drive vehicles, the intake manifold bolts are removed from the top of the engine, not through the left front wheelhouse panel. Refer to Intake Manifold Replacement .

  17. Lower the vehicle.

  18. Object Number: 1350688  Size: SH
  19. Remove the positive crankcase ventilation (PCV) pipes (2, 6) from the cam cover and remove the intake manifold from the vehicle.
  20. Remove the generator output BAT terminal nut.
  21. Remove the generator lead from the generator.
  22. Disconnect the generator electrical connector.
  23. Important: The generator does not have to be removed from the vehicle. On a two-wheel drive vehicle, the generator must be removed from the vehicle.

  24. Remove the generator bolts and set the generator aside. Refer to Generator Replacement .
  25. Disconnect the A/C pipe clamp from the engine lift hook bracket.
  26. Remove the engine lift hook bracket bolts and bracket from the vehicle.
  27. Remove the bolts holding the windshield washer solvent container and coolant recovery reservoir to the right inner fender. Move aside to gain access to the engine wiring harness to the powertrain control module (PCM). Refer to Windshield Washer Solvent Container Replacement .
  28. Disconnect the following cross-vehicle engine wiring harness connectors:
  29. • PCM
    • Engine coolant temperature sensor
    • Manifold absolute pressure (MAP) sensor
    • Ignition coils
    • Harness clamps at power steering pump
    • Wiring harness fastener at right front inner fender
    • Throttle body
    • Camshaft sensors
    • Exhaust camshaft actuator
    • Fuel injectors
    • HO2S 1
    • Set aside the cross-vehicle engine wiring harness on the left side of the vehicle.
  30. If equipped, remove the secondary air injection (AIR) injection pipe block-off plate bolts from the cylinder head.
  31. If equipped, remove the AIR injection pipe block-off plate.

  32. Object Number: 953923  Size: SH
  33. Remove the bolts from the exhaust manifold heat shield.
  34. Remove the exhaust manifold heat shield.

  35. Object Number: 953934  Size: SH
  36. Remove the exhaust manifold bolts.
  37. Move the exhaust manifold back and away from the cylinder head.

  38. Object Number: 953949  Size: SH
  39. Remove the bolts to all ignition coil assemblies and remove all ignition coil assemblies from the cam cover.
  40. Remove all the spark plugs from the cylinder head.
  41. Remove the cam cover from the cylinder head. Refer to Camshaft Cover Replacement .
  42. Remove the inlet radiator hose and clamp from the cylinder head. Refer to Radiator Inlet Hose Replacement .

  43. Object Number: 1845141  Size: SH
  44. Before performing one of the top dead center (TDC) procedures, break loose both the exhaust and intake camshaft sprocket bolts. Use a 25 mm (1 in) open end wrench on the camshaft hexes to hold the camshaft from turning. DO NOT remove the bolts.
  45. Perform one of the following methods for the service timing procedure.

  46. Object Number: 1845151  Size: SH
  47. First Method--Rotate the engine clockwise by hand to TDC on the compression stroke by using a piston TDC indicator tool and/or dial indicator in the number 1 cylinder.

  48. Object Number: 1845152  Size: SH
  49. First Method (continued)--The TDC indicator tool graduation marks on the shaft should note top of the piston stroke.

  50. Object Number: 1845154  Size: SH
  51. First Method (continued)--When the piston is at TDC, the flats at the rear of the camshafts will be facing up and level when using a straight edge across the camshaft flats.

  52. Object Number: 1845156  Size: SH
  53. Second Method--Rotate the crankshaft in the engine rotational direction clockwise until the number 1 piston is at TDC on the compression stroke. The word Delphi on the exhaust camshaft position actuator will be parallel with the cylinder head to cam cover mating surface. When the piston is at TDC, the flats at the rear of the camshafts will be facing up and level when using a straight edge across the camshaft flats. A 0.005 inch feeler gage should not slide under the straight edge (1).

  54. Object Number: 1845159  Size: SH
  55. Once TDC is located for the number 1 cylinder using above methods, raise the vehicle and lock the flywheel with the EN 46547 .

  56. Object Number: 1845162  Size: SH
  57. Use a white paint pen or equivalent to place a reference mark on the harmonic balancer to the front cover for alignment purposes.
  58. Lower the vehicle.

  59. Object Number: 1845207  Size: SH

    Caution: The camshaft holding tools must be installed on the camshafts to prevent camshaft rotation. When performing service to the valve train and/or timing components, valve spring pressure can cause the camshafts to rotate unexpectedly and can cause personal injury.

    Important: If the timing is correct, TDC compression stroke number 1 cylinder, the camshaft flats will be in the up position.

  60. Install J 44221 (1) to the back of the camshafts.
  61. Remove the upper timing chain guide to the cylinder head.

  62. Object Number: 1845165  Size: SH
  63. Clean the timing chain and gears with brake cleaner or suitable solvent. Use a white paint pen or equivalent to place a reference mark on both timing gear sprockets and the timing chain to mark location prior to disassembly. It is recommended that the paint marks be in the 12 o'clock position.

  64. Object Number: 1845170  Size: SH

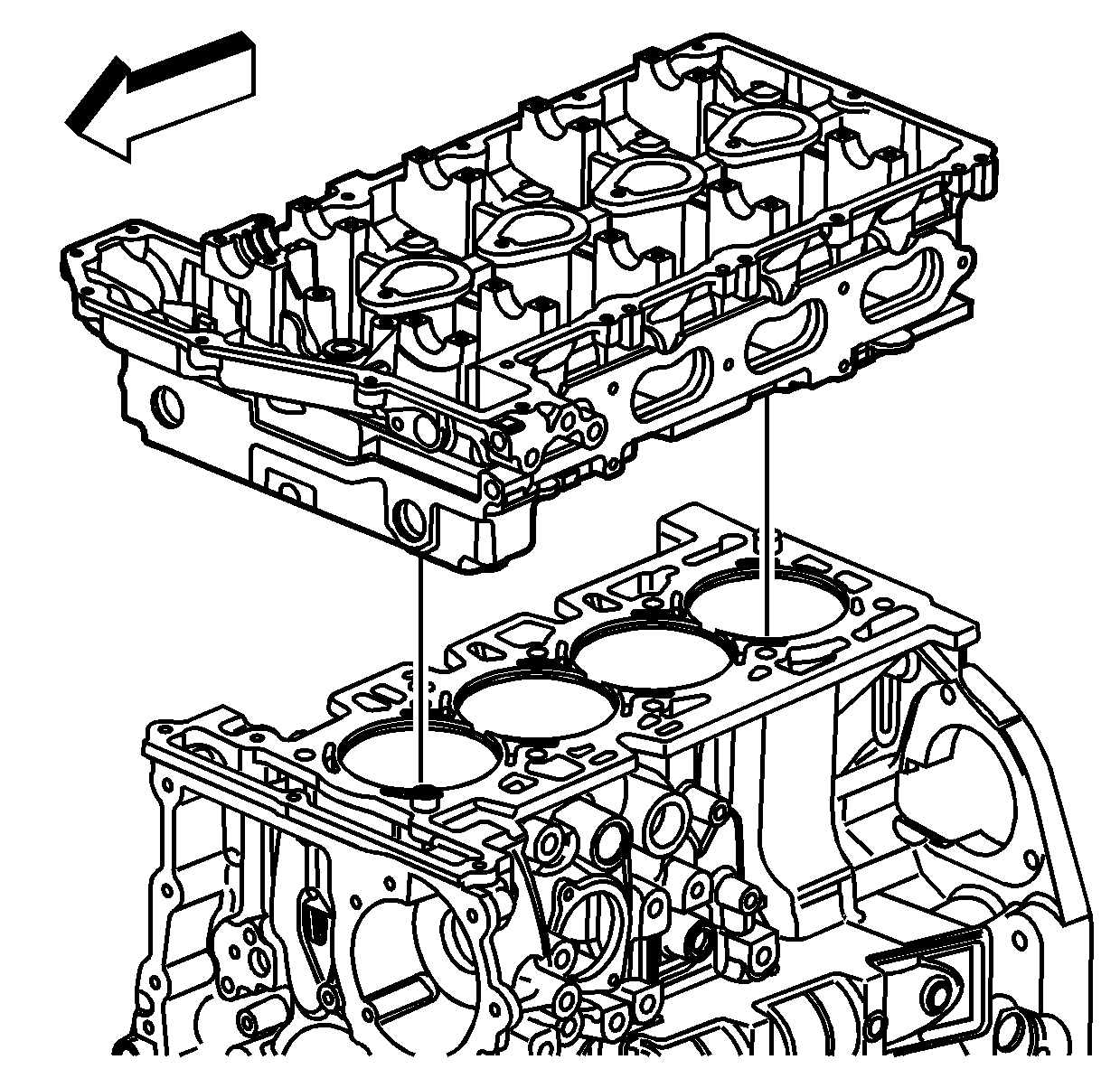
    Notice:  DO NOT use excessive force to seat the wedge tool. If excessive force is used, you may damage the timing chain tensioner or break the front cover bolt requiring complete disassembly of the front engine.

  65. Install EN-48464 . It is important to install the tool with the proper orientation and to ensure that it is seated square against the timing chain and against the timing cover center bolt.

  66. Object Number: 1845177  Size: SH
  67. The narrow ramp of the wedge tool needs to be placed so that it faces the timing chain. Front cover removed for illustration purposes.

  68. Object Number: 1845181  Size: SH
  69. The wedge tool should be lightly seated using a couple of very light taps with a small plastic or brass hammer.
  70. Once the tool is correctly installed, unscrew the handle and remove the handle.
  71. Important: 

       •  Use a 25 mm (1 in) open end wrench on the camshaft hexes to hold the camshaft from turning. It is critical that the crankshaft does not move and is held at TDC when the intake and exhaust camshaft sprocket bolts are removed.
       •  If the crankshaft is not held in place, the wedge tool could be dislodged. If the crankshaft moves, or if the tool is not seated properly allowing the timing chain tensioner to extend, the repair will have to be completed by removing the front cover to release the timing chain tensioner.

  72. Remove both upper cylinder head access hole plugs from the front of the cylinder head.
  73. Remove the 1 long and 2 short cylinder head bolts next to the exhaust and intake timing chain tensioner shoes and discard the bolts.
  74. Remove both upper timing chain tensioner shoe bolts.
  75. Remove the exhaust and the intake camshaft sprocket bolts. Discard the bolts.

  76. Object Number: 1845188  Size: SH
  77. Carefully remove the exhaust and intake camshaft sprockets with the timing chain from the exhaust and intake camshafts. The illustration shows the exhaust camshaft sprocket already removed.

  78. Object Number: 1845189  Size: SH
  79. Remove the sprockets from the chain, tie a piece of mechanic's wire on the timing chain and let it drop.

  80. Object Number: 1845194  Size: SH
  81. Before removing the cylinder head bolts, use a drift punch and hammer to shock the bolts. This will ensure that the cylinder head bolts will not strip out the threads in the engine block or break. If a bolt breaks during engine disassembly, EN-47702 is available to assist in the removal of the remaining bolt segment.

  82. Object Number: 954029  Size: SH
  83. Remove the cylinder head bolts. Discard the bolts.

  84. Object Number: 954038  Size: SH
  85. Remove the cylinder head.
  86. Place the cylinder head on a flat, clean surface with the combustion chambers face up, in order to prevent damage to the deck face.

  87. Object Number: 954033  Size: SH
  88. Remove the cylinder head gasket.
  89. Discard the gasket.

  90. Remove all remaining gasket material from the engine block.
  91. Inspect the cylinder head gasket mating surface on the engine block.
  92. Clean and inspect the cylinder head. Refer to Cylinder Head Cleaning and Inspection .
  93. Disassemble the cylinder head if necessary. Refer to Cylinder Head Disassemble .

Installation Procedure

  1. Assemble the cylinder head if necessary. Refer to Cylinder Head Assemble .

  2. Object Number: 954033  Size: SH
  3. Install the dowel pins, cylinder head locator, if necessary.
  4. Position a NEW cylinder head gasket to the engine block.

  5. Object Number: 954038  Size: SH

    Important: Ensure all wires, components, etc. are out of the way when installing the cylinder head.

  6. Install the cylinder head.

  7. Object Number: 954029  Size: SH

    Notice: This component uses torque-to-yield bolts. When servicing this component do not reuse the bolts, New torque-to-yield bolts must be installed. Reusing used torque-to-yield bolts will not provide proper bolt torque and clamp load. Failure to install NEW torque-to-yield bolts may lead to engine damage.

  8. Install NEW cylinder head bolts.
  9. Notice: Refer to Fastener Notice in the Preface section.


    Object Number: 954197  Size: SH
  10. Tighten the NEW cylinder head bolts in the following sequence:
  11. Tighten

    1. Tighten the cylinder head bolts (1-10) in sequence to 30 N·m (22 lb ft).
    2. Use the J 45059 to rotate the cylinder head bolts (1-10) in sequence an additional 155 degrees.

    3. Tighten the (2 short) end bolts (12-13) to 7 N·m (62 lb in).
    4. Use the J 45059 to rotate the short cylinder head end bolts (12-13) an additional 60 degrees.

    5. Tighten the (1 long) end bolt (11) to 7 N·m (62 lb in).
    6. Use the J 45059 to rotate the long cylinder head end bolt (11) an additional 120 degrees.


    Object Number: 1845207  Size: SH

    Caution: The camshaft holding tools must be installed on the camshafts to prevent camshaft rotation. When performing service to the valve train and/or timing components, valve spring pressure can cause the camshafts to rotate unexpectedly and can cause personal injury.

    Important: Before installing the camshafts, refer to Camshafts Cleaning and Inspection .

  12. Install the camshafts with the flats up using J 44221 (1). Refer to Camshaft Installation .
  13. Notice: Tension must be always kept on the intake side of the timing chain to properly keep the engine in time. If the chain is loose the timing will be off, which may cause internal engine damage or set DTC P0017.

    Notice: The exhaust camshaft actuator must be fully advanced during installation. Engine damage may occur if the camshaft actuator is not fully advanced.

  14. Ensure that the camshaft position actuator is in the fully advanced position. Refer to Camshaft Position Actuator Diagnosis .
  15. Important: To aid in aligning the actuator to the camshaft, use a 25 mm (1 in) open end wrench on the hex of the camshaft to rotate. This will ensure the alignment pin is properly engaged with the camshaft and hand tighten the new exhaust camshaft sprocket bolt.

  16. Install the exhaust camshaft actuator/sprocket and chain onto the exhaust camshaft. Use the paint marks as an alignment guide.
  17. Important: To aid in aligning the intake sprocket to the camshaft, use a 25 mm (1 in) open end wrench on the hex of the camshaft to rotate. This will ensure the alignment pin is properly engaged with the camshaft and hand tighten the new intake camshaft sprocket bolt.

  18. Install the intake camshaft sprocket and chain onto the intake camshaft. Use paint marks as alignment guide.

  19. Object Number: 637584  Size: SH
  20. Position the timing chain tensioner shoe to the engine.
  21. Install the timing chain tensioner shoe bolt.
  22. Tighten
    Tighten the timing chain tensioner shoe bolt to 25 N·m (18 lb ft).


    Object Number: 637585  Size: SH
  23. Position the lower timing chain guide to the engine.
  24. Install the lower timing chain guide bolts.
  25. Tighten
    Tighten the lower timing chain guide bolts to 12 N·m (107 lb in).

  26. Install both upper timing chain tensioner shoe bolts.
  27. Tighten
    Tighten the tensioner shoe bolts to 25 N·m (18 lb ft).

  28. Install both upper cylinder head access hole plugs to the front of the cylinder head.
  29. Tighten
    Tighten the plugs to 5 N·m (44 lb in).


    Object Number: 1845196  Size: SH
  30. Tighten the new intake camshaft sprocket bolt.
  31. Tighten
    Using J 45059 , tighten the intake camshaft sprocket bolt to 20 N·m (15 lb ft) plus 100 degrees.


    Object Number: 1845197  Size: SH
  32. Tighten the new exhaust camshaft actuator sprocket bolt.
  33. Tighten
    Using J 45059 , tighten the exhaust camshaft actuator sprocket bolt to 25 N·m (18 lb ft) plus 135 degrees.


    Object Number: 1845198  Size: SH
  34. Lift the vehicle and remove the EN 46547 .
  35. Lower the vehicle.
  36. Remove the J 44221 from the back of the camshafts.

  37. Object Number: 1845199  Size: SH

    Notice: Ensure that the wedge tool is removed from engine prior to rotation. If the wedge tool is not removed, engine damage will result.

  38. Install the handle of EN-48464 and remove the wedge portion of the tool from the engine.

  39. Object Number: 1845200  Size: SH

    Important: It is critical that the engine is at TDC and not a couple of degrees off. If in doubt, repeat this step.

  40. Rotate the engine clockwise by hand 2 complete revolutions to TDC number 1 on the compression stroke. Refer to First Method or Second Method for TDC. If you go past TDC, rotate the engine back approximately 45 degrees before TDC and then rotate clockwise up to TDC to ensure that the timing chain is tight (no slack) between the crank sprocket and the timing gears.

  41. Object Number: 1845207  Size: SH

    Important: DO NOT use the J 44221 , installed to the back of the camshafts, as a method to verify timing.

  42. Both intake and exhaust camshaft flats should be facing up and flat and level with the cylinder head. If J 44221 (1) is used to verify cam timing, you could be off approximately one tooth and cause DTC P0017 to set. If a worn or new J 44221 is used to verify timing, the timing will be off.

  43. Object Number: 1845202  Size: SH
  44. To verify timing, set a straight edge across the flats of the camshafts.

  45. Object Number: 1845203  Size: SH
  46. A 0.005 inch feeler gage should not be able to slip under the straight edge (1). If the feeler gage slips under one or both camshaft flats, then the timing is off. Repeat step 20 and recheck. If the camshaft flats are still not flat, the camshaft timing will have to be reset. This may require removal and reinstallation of one or both camshaft sprockets.
  47. Install the 1 long and 2 short cylinder head bolts next to the exhaust and intake timing chain tensioner shoes and tighten the bolts.
  48. Position the upper timing chain guide to the cylinder head. Apply threadlocker GM P/N 89021297 (Canadian P/N 10953488) to the upper timing chain guide bolt threads.
  49. Install the upper timing chain guide bolts.
  50. Tighten
    Tighten the bolts to 10 N·m (89 lb in).

  51. Install the radiator inlet hose and clamp to the cylinder head. Refer to Radiator Inlet Hose Replacement .
  52. Clean and inspect the camshaft cover. Refer to Camshaft Cover Cleaning and Inspection .

  53. Object Number: 953953  Size: SH
  54. Install a NEW camshaft cover seal and NEW ignition control module seals to the cam cover. Position the camshaft cover to the cylinder head.
  55. Install the camshaft cover bolts.
  56. Tighten
    Tighten the bolts to 10 N·m (89 lb in).

  57. Check the gap on all of the spark plugs. The gap should be 1.08 mm (0.042 in). Tighten all of the spark plugs.
  58. Tighten
    Tighten the spark plug to 18 N·m (13 lb ft).

  59. Install the ignition coils into the camshaft cover.

  60. Object Number: 953949  Size: SH
  61. Install the ignition coil bolts.
  62. Tighten
    Tighten the bolts to 10 N·m (89 lb in).

  63. Reposition the exhaust manifold to cylinder head and install the exhaust manifold bolts to the cylinder head. Refer to Exhaust Manifold Replacement .
  64. If equipped, install a NEW AIR injection gasket, then the cover and pipe studs to the cylinder head.
  65. Tighten
    Tighten the pipe studs to 25 N·m (18 lb ft).

  66. Install the exhaust manifold heat shield to the exhaust manifold.
  67. Apply anti-seize GM P/N 12371386 (Canadian P/N 89021945) to the exhaust manifold heat shield nuts.
  68. Install the exhaust manifold heat shield nuts.
  69. Tighten
    Tighten the nuts to 10 N·m (89 lb in).

  70. Install the intake manifold to the cylinder head. Refer to Intake Manifold Replacement .
  71. Four-wheel drive--Raise the vehicle and install the blind intake manifold bolts from the left front wheelhouse access.

    Two-wheel drive--The bolts are accessible from the top of the engine.

  72. Reposition the engine wiring harness bracket to the engine and harnesses. Install the engine wiring harness bracket bolts.
  73. Tighten
    Tighten the bracket bolts to 10 N·m (89 lb in).

  74. Install the left front wheelhouse panel and the left wheel and tire. Refer to Front Wheelhouse Liner Replacement .
  75. Drain the engine oil again.
  76. If removed, install the radiator outlet hose. Refer to Radiator Outlet Hose Replacement .
  77. Install the oil pan skid plate and the engine shield . Refer to Engine Protection Shield Replacement .
  78. Install the engine shield.
  79. Lower the vehicle.
  80. Install the cross-vehicle wiring harness connectors to the following components:
  81. • PCM
    • Map sensor
    • Ignition coils
    • Harness clamps at power steering pump
    • Wiring harness fastener at right front inner fender
    • Throttle body
    • Camshaft sensors
    • Exhaust camshaft actuator
    • Fuel injectors
    • HO2S 1
  82. Install the windshield washer solvent container and coolant recovery reservoir bolts to the right inner fender.
  83. Tighten
    Tighten the bolts to 10 N·m (89 lb in).

  84. Install the PCV pipes to the intake manifold. Refer to Positive Crankcase Ventilation Hose/Pipe/Tube Replacement .
  85. Reposition the oil indicator (dipstick) tube and tighten the bolt to the intake manifold. Refer to Oil Level Indicator and Tube Replacement .
  86. Reposition the fuel/EVAP lines to the intake manifold retainer. Refer to Evaporative Emission Hoses/Pipes Replacement - Engine .
  87. Install the following components:
  88. • Generator--Refer to Generator Replacement .
    • A/C compressor hose/pipe bracket clamp for the engine lift bracket--Refer to Engine Lift Bracket Replacement .
    • Drive belt--Refer to Drive Belt Replacement .
  89. Install the battery. Refer to Battery Replacement .
  90. Install the air induction assembly. Refer to Air Cleaner Resonator and Outlet Duct Replacement and Air Cleaner Assembly Replacement .
  91. Install NEW engine oil. Refer to Engine Mechanical Specifications .
  92. Install NEW coolant. Refer to Cooling System Draining and Filling .
  93. Install a scan tool and start the engine.
  94. • Check for DTCs.
    • Road test the vehicle. DTC P0017 is a Type B diagnostic code. Three consecutive ignition key cycles must be performed during the road test with a minimum of a one minute run time between key cycles to verify that a DTC P0017 did not set. For further information on DTC P0017, refer to DTC P0017 .