GM Service Manual Online
For 1990-2009 cars only
Makes
🢒
Chevrolet
🢒
2005
🢒
Colorado Pickup - 4WD
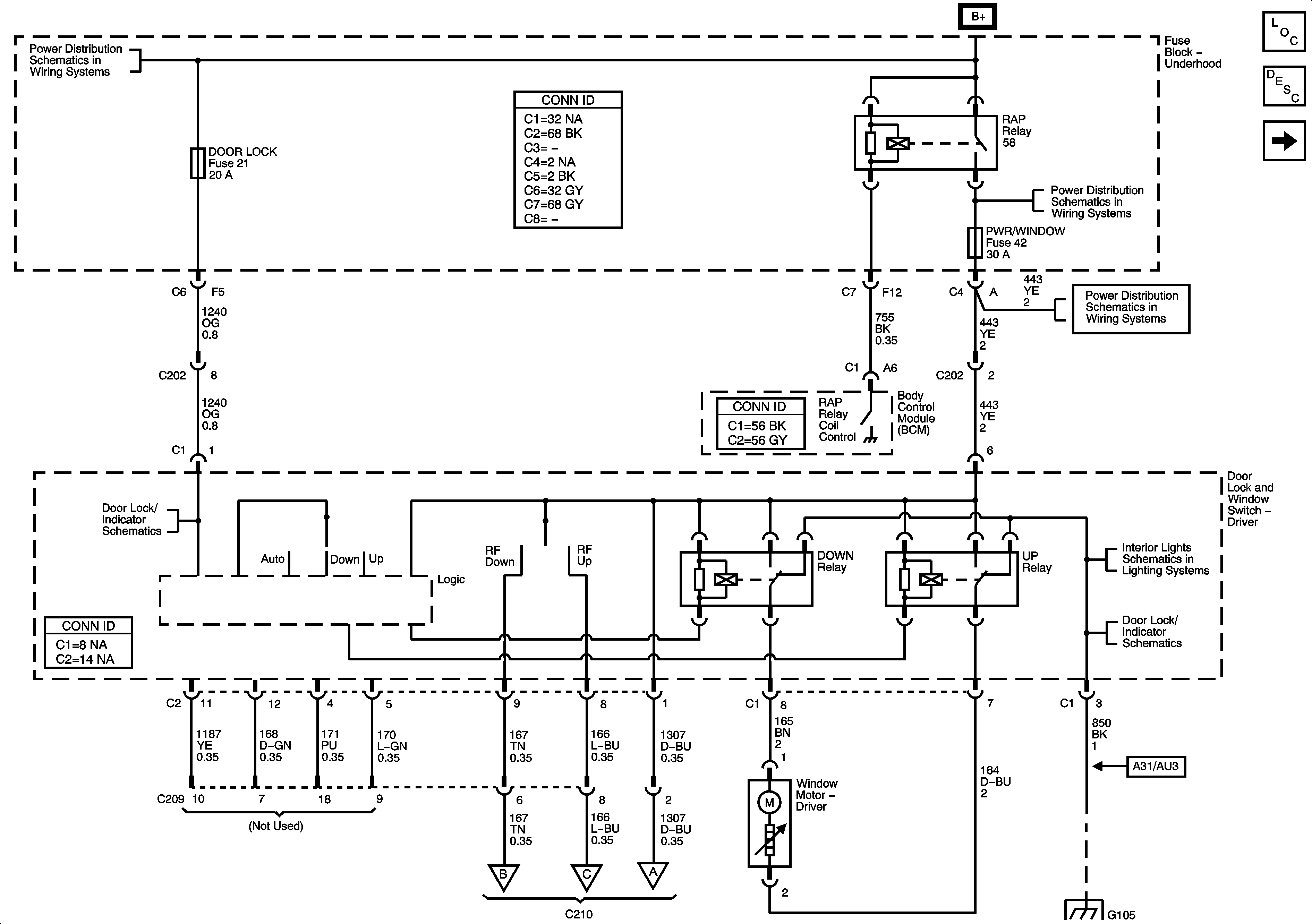
🢒 Left Door - Regular and Extended Cab
Left Door - Regular and Extended Cab
Left Door - Regular and Extended Cab
Master Electrical Component List
Power Windows Description and Operation
Right Door - Regular and Extended Cab
B+ Bus - Underhood Fuse Block
WIPER SW, PWR WDO, ETC, and 02 SENSOR Fuses
WIPER SW, PWR WDO, ETC, and 02 SENSOR Fuses
Door Lock and Window Switches, and Outside Rearview Mirror Switch
Power Door Locks - Regular and Extended Cab
Splice Pack SP105 and G105 - 1 of 2
Right Door - Regular and Extended Cab