GM Service Manual Online
For 1990-2009 cars only
Makes
🢒
Chevrolet
🢒
2005
🢒
Colorado Pickup - 4WD
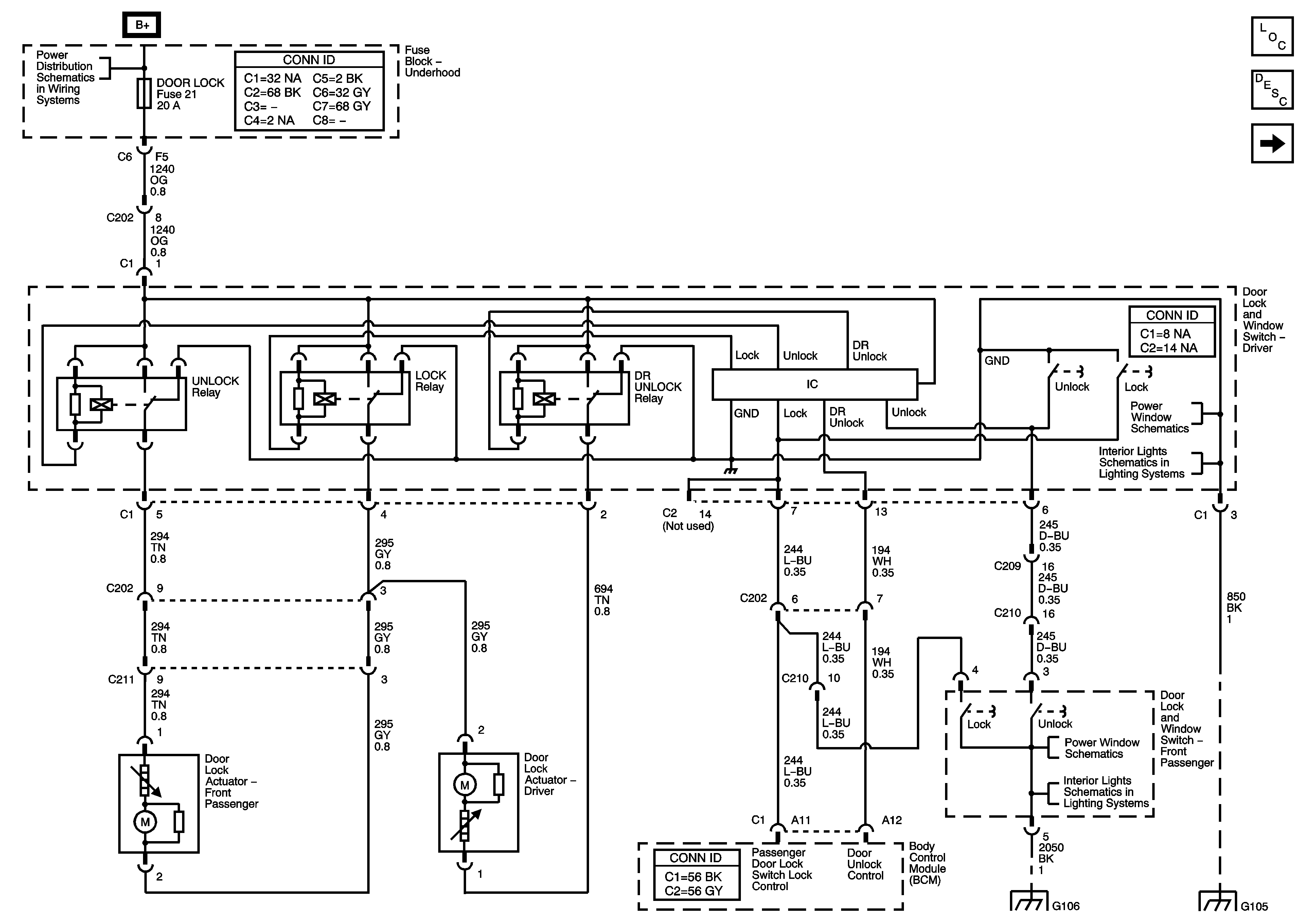
🢒 Power Door Locks - Regular and Extended Cab
Power Door Locks - Regular and Extended Cab
Power Door Locks - Regular and Extended Cab
Master Electrical Component List
Power Door Locks Description and Operation
Power Door Locks - Crew Cab
B+ Bus - Underhood Fuse Block
Left Door - Regular and Extended Cab
Door Lock and Window Switches, and Outside Rearview Mirror Switch
Right Door - Regular and Extended Cab
Door Lock and Window Switches, and Outside Rearview Mirror Switch
Splice Pack SP106 and G106 - 1 of 2
Splice Pack SP105 and G105 - 1 of 2