GM Service Manual Online
For 1990-2009 cars only
Makes
🢒
Chevrolet
🢒
1996
🢒
Corvette
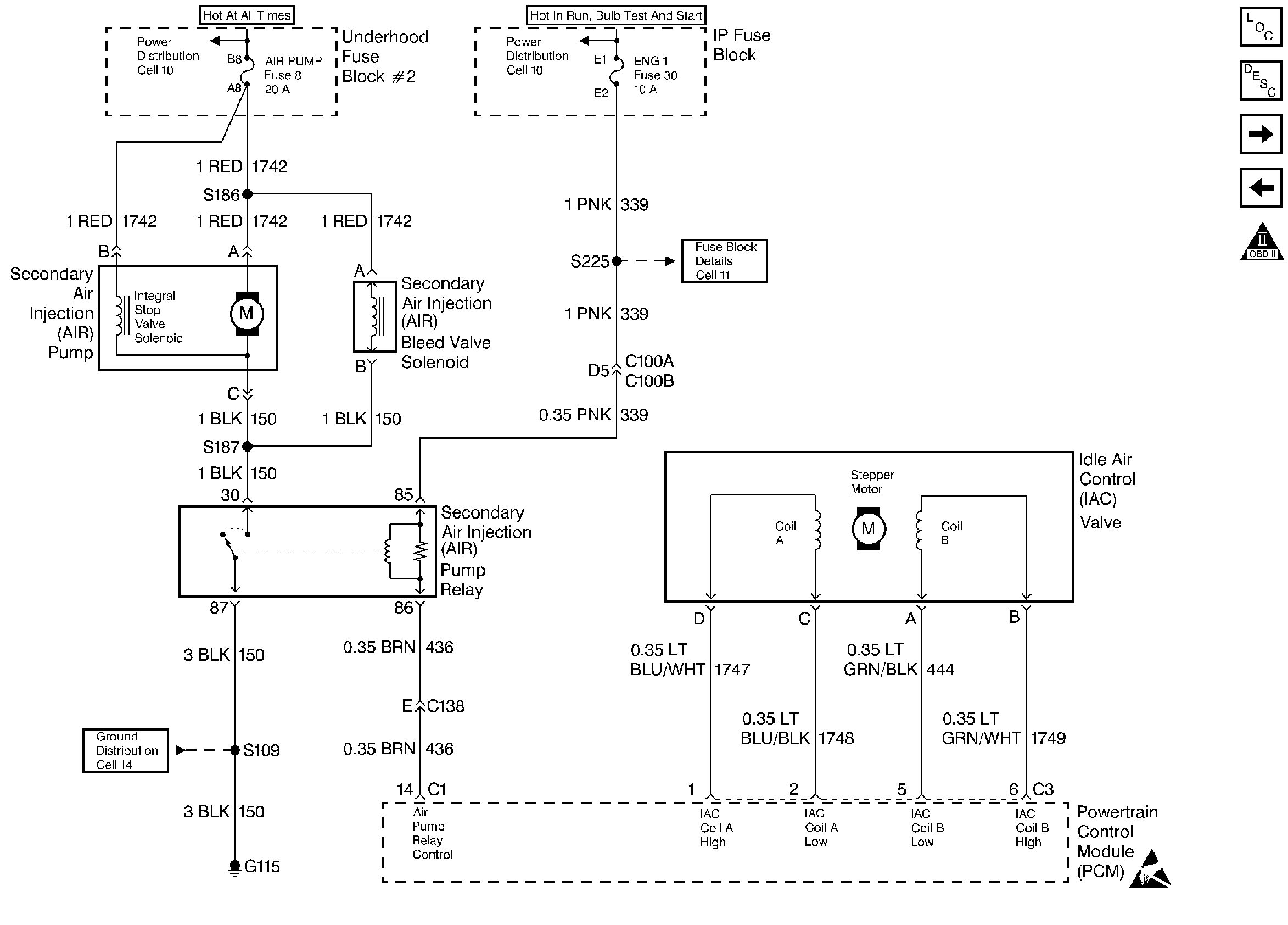
🢒 AIR and IAC
AIR and IAC
AIR and IAC
Engine Controls Components
Powertrain Control Module (PCM)
One to Four Upshift System
Engine Data Sensors and Controlled Devices
OBD II Symbol Description Notice
Handling ESD Sensitive Parts Notice