GM Service Manual Online
For 1990-2009 cars only
Makes
🢒
Chevrolet
🢒
1996
🢒
Corvette
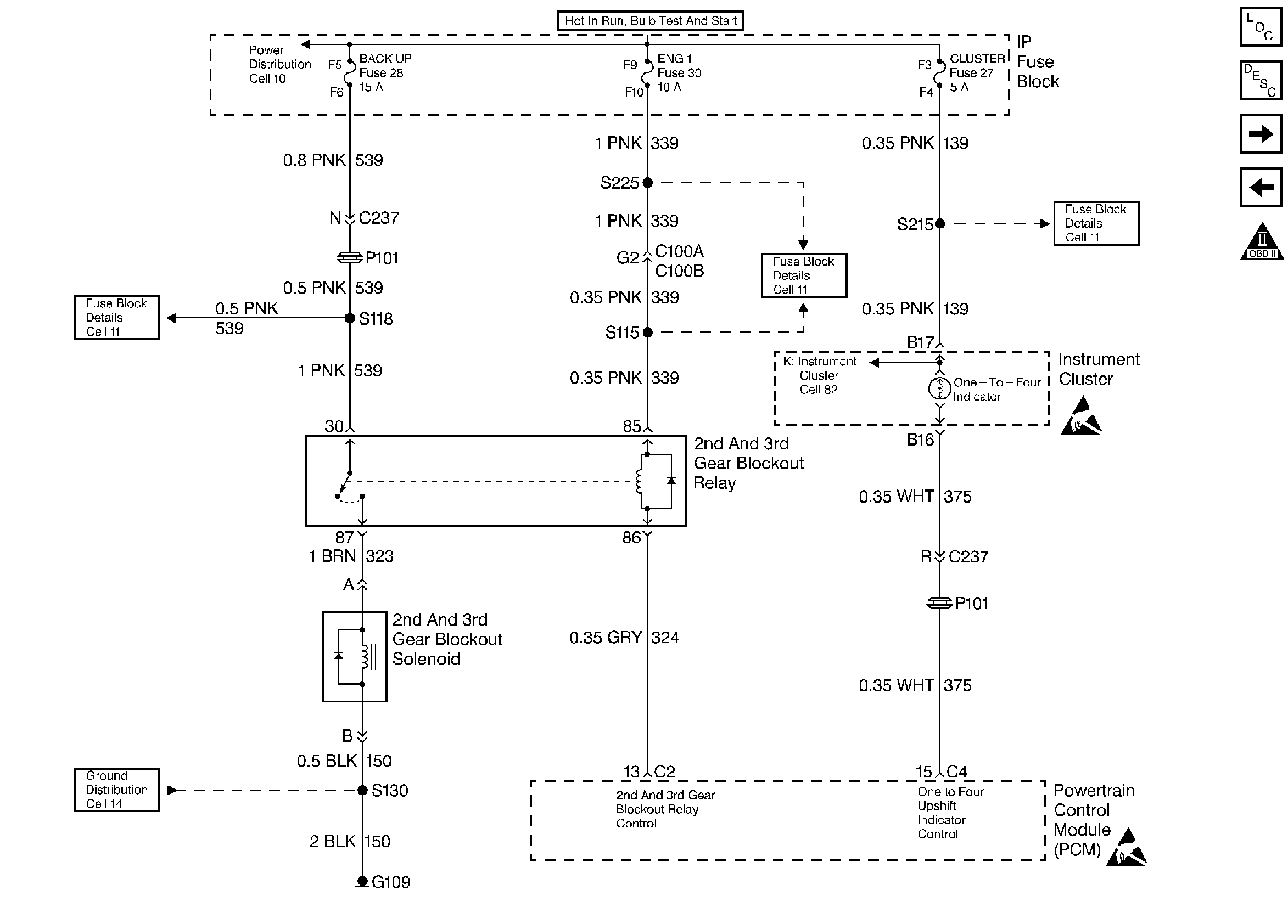
🢒 One to Four Upshift System
One to Four Upshift System
One to Four Upshift System
Engine Controls Components
Powertrain Control Module (PCM)
Transmission Controls
AIR and IAC
OBD II Symbol Description Notice
Handling ESD Sensitive Parts Notice
Handling ESD Sensitive Parts Notice