GM Service Manual Online
For 1990-2009 cars only
Makes
🢒
Chevrolet
🢒
1996
🢒
Corvette
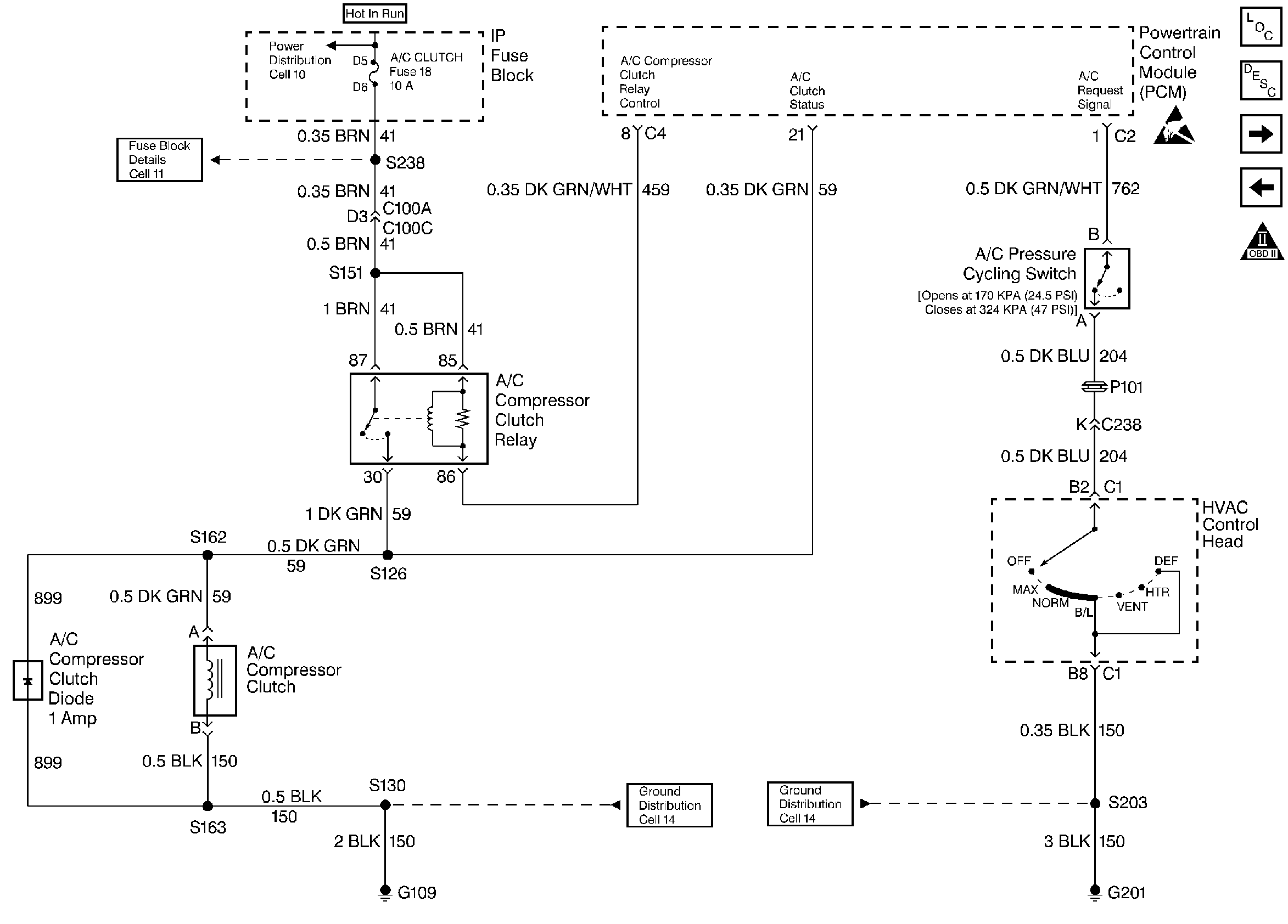
🢒 A/C Compressor Clutch Controls - C60
A/C Compressor Clutch Controls - C60
A/C Compressor Clutch Controls - C60
Engine Controls Components
Air Conditioning (A/C) Clutch Circuit
A/C Compressor Clutch Controls - C68
Transmission Controls
OBD II Symbol Description Notice
Handling ESD Sensitive Parts Notice