GM Service Manual Online
For 1990-2009 cars only
Makes
🢒
Chevrolet
🢒
1996
🢒
Corvette
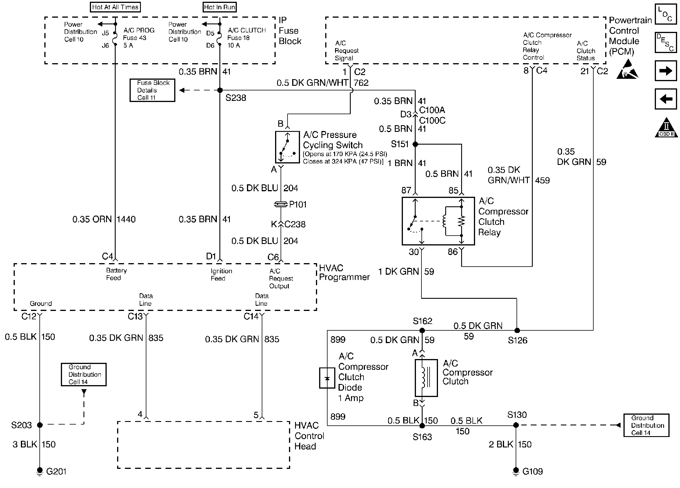
🢒 A/C Compressor Clutch Controls - C68
A/C Compressor Clutch Controls - C68
A/C Compressor Clutch Controls - C68
Engine Controls Components
Air Conditioning (A/C) Clutch Circuit
Fan Controls
A/C Compressor Clutch Controls - C60
OBD II Symbol Description Notice
Handling ESD Sensitive Parts Notice