GM Service Manual Online
For 1990-2009 cars only
Makes
🢒
Chevrolet
🢒
1996
🢒
Corvette
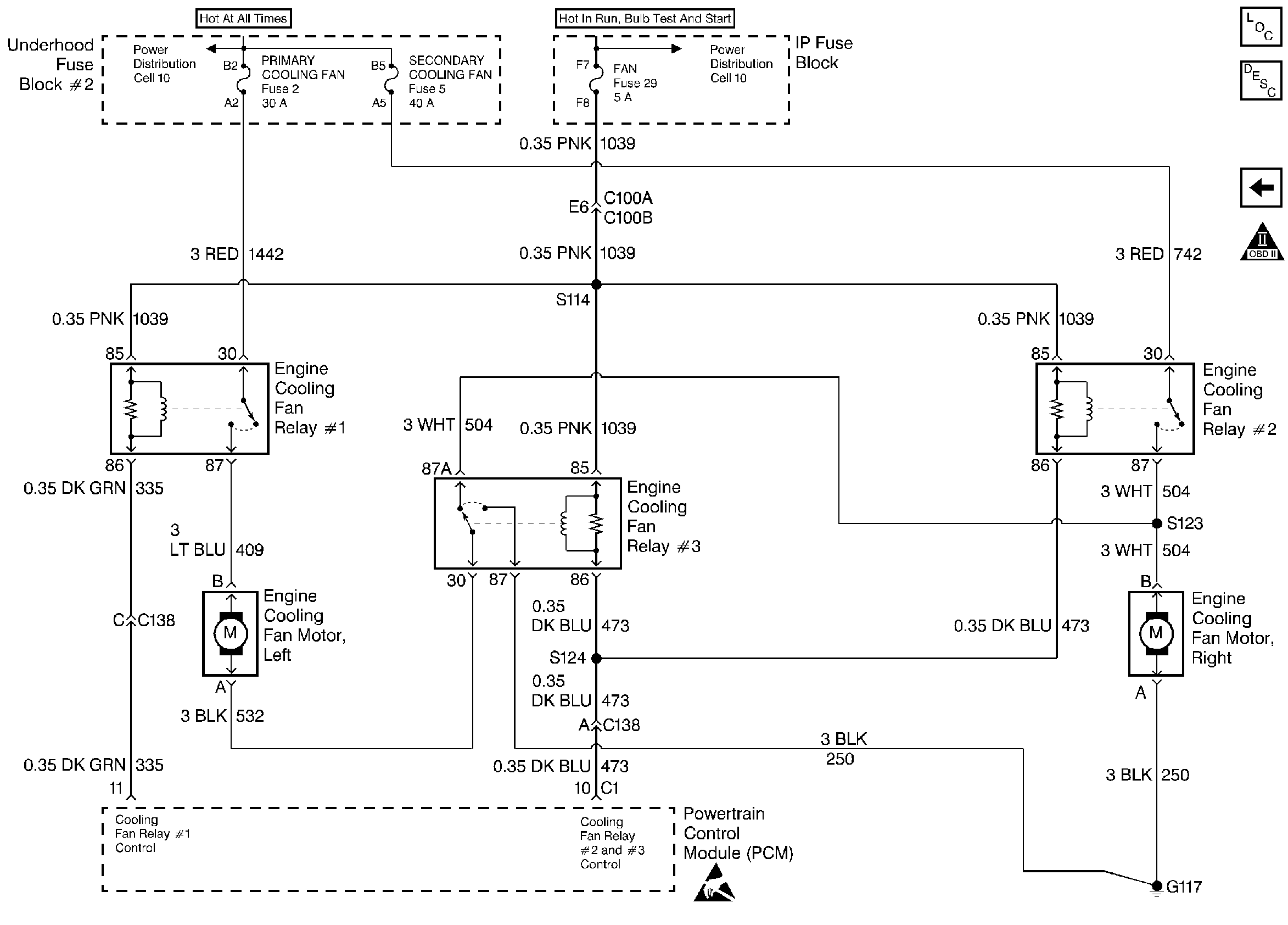
🢒 Fan Controls
Fan Controls
Fan Controls
Engine Controls Components
Electric Cooling Fan
A/C Compressor Clutch Controls - C68
OBD II Symbol Description Notice
Handling ESD Sensitive Parts Notice