GM Service Manual Online
For 1990-2009 cars only
Makes
🢒
Chevrolet
🢒
1996
🢒
Corvette
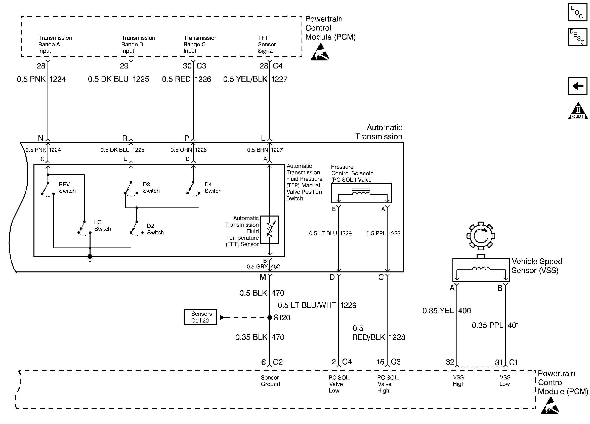
🢒 TFP Switch, TFT Sensor, PC Solenoid Valve, and VSS
TFP Switch, TFT Sensor, PC Solenoid Valve, and VSS
TFP Switch, TFT Sensor, PC Solenoid Valve, and VSS
Automatic Transmission Components
Transmission General Information
Brake Switch, TCC and Shift Solenoids
OBD II Symbol Description Notice
Handling ESD Sensitive Parts Notice