GM Service Manual Online
For 1990-2009 cars only
Makes
🢒
Chevrolet
🢒
1998
🢒
Corvette
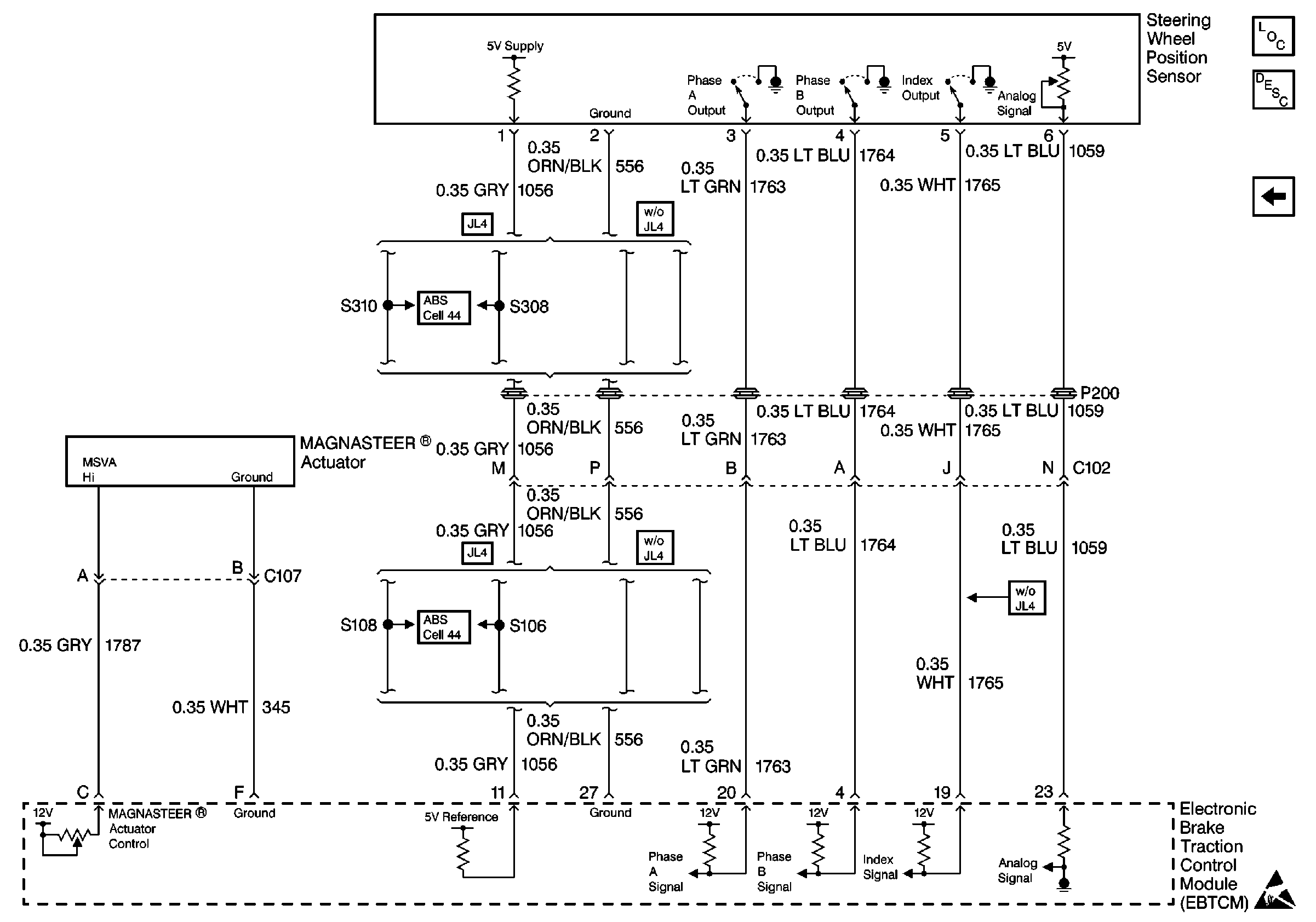
🢒 Cell 45: Steering Wheel Position Sensor
Cell 45: Steering Wheel Position Sensor
Cell 45: Steering Wheel Position Sensor
Cell 45: Power, Ground and DLC
Cell 44: Miscellaneous Sensor Inputs (JL4)
Cell 44: Miscellaneous Sensor Inputs (JL4)
Handling ESD Sensitive Parts Notice
Steering Controls Components
Variable Effort Steering Circuit Operation