GM Service Manual Online
For 1990-2009 cars only
Makes
🢒
Chevrolet
🢒
1998
🢒
Corvette
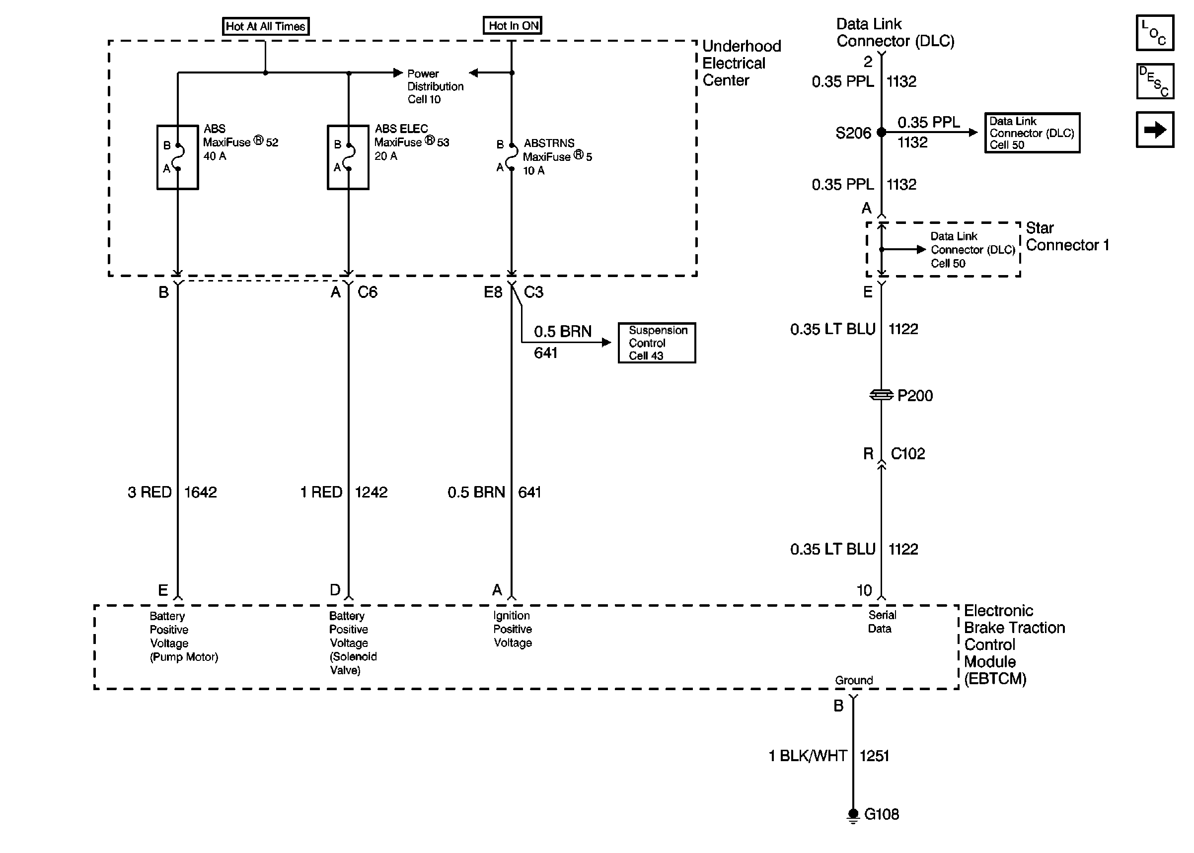
🢒 Cell 45: Power, Ground and DLC
Cell 45: Power, Ground and DLC
Cell 45: Power, Ground and DLC
Cell 45: Steering Wheel Position Sensor
Class 2 Serial Data Cell 50
Class 2 Serial Data Cell 50
Cell 43: Power, Ground and DLC
Cell 10: U/H Fuses 52, 53, 4, 3, 23
Steering Controls Components
Variable Effort Steering Circuit Operation