GM Service Manual Online
For 1990-2009 cars only

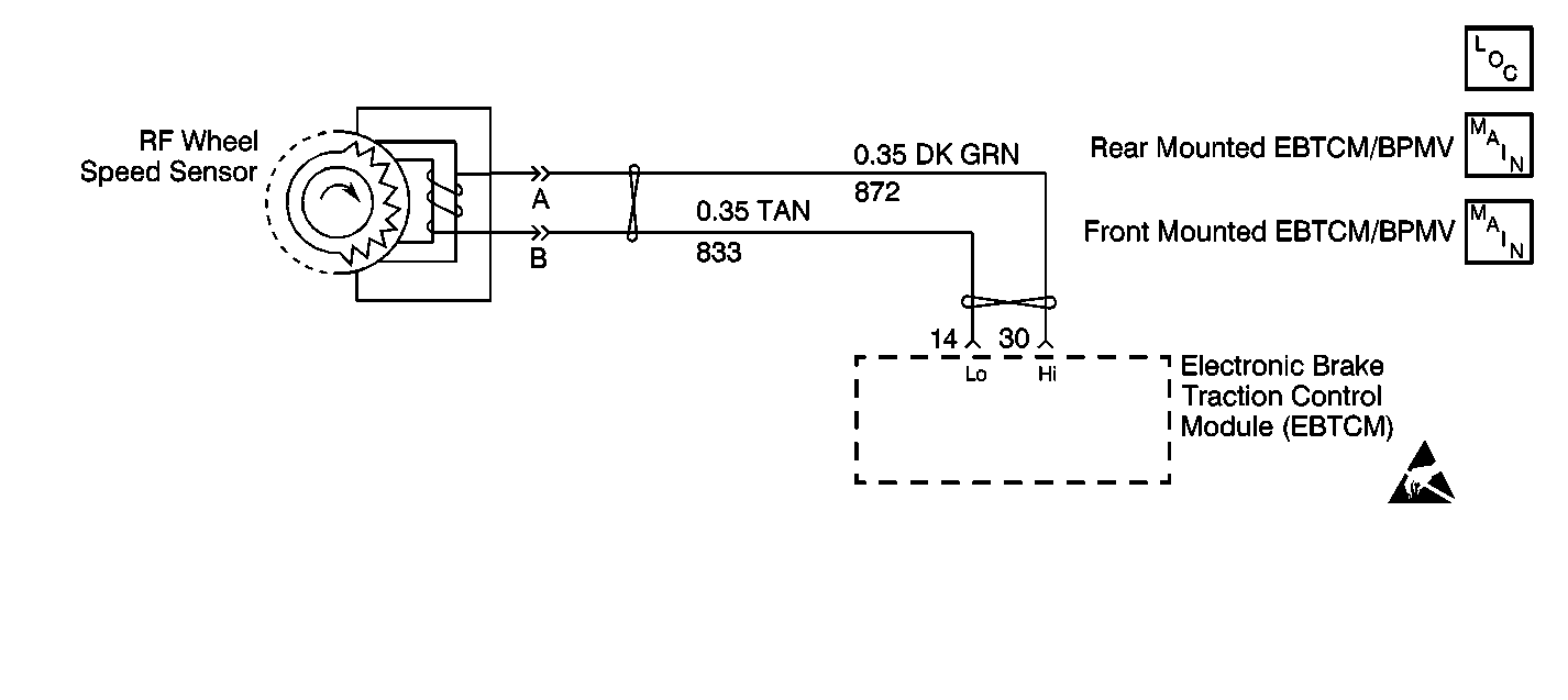
Object Number: 278760  Size: SF

Circuit Description

The speed sensor used on this vehicle is a single point magnetic pickup. This sensor produces an AC signal that the EBTCM uses the frequency from to calculate the wheel speed.

Conditions for Setting the DTC

The DTC can be set any time the ignition is in the ON position, and the EBTCM senses an open, a short to ground, or a short to battery.

Action Taken When the DTC Sets

ABS/TCS/Active Handling (if equipped with RPO JL4) are disabled.

    • Indicators that turn on:
       - ABS indicator
       - Car Icon (TCS indicator)
    • Messages displayed on the DIC:
       - Service ABS
       - Service Traction System
       - Service Active HNDLG (if equipped with Active Handling RPO JL4)

Conditions for Clearing the DTC

    • Condition for DTC is no longer present and scan tool clear DTC function is used.
    • Fifty ignition cycles have passed with no DTCs detected.

Diagnostic Aids

    • It is very important that a thorough inspection of the wiring and connectors be performed. Failure to carefully and fully inspect wiring and connectors may result in misdiagnosis, causing part replacement with reappearance of the malfunction.
    • An intermittent malfunction can be caused by poor connections, broken insulation, or a wire that is broken inside the insulation.
    • If an intermittent malfunction exists refer to Testing for Electrical Intermittents in Wiring Systems.

Test Description

The numbers below refer to step numbers on the diagnostic table.

  1. Checks for an open in the WSS or WSS CKT.

  2. Checks for a short to ground in the WSS or WSS CKT.

  3. Checks for a short to voltage in the WSS CKT.

  4. Checks for a short to voltage in the WSS CKT.

DTC C1233 RF Wheel Speed Sensor Circuit Open or Shorted

Step

Action

Value(s)

Yes

No

1

Was the Diagnostic System Check performed?

--

Go to Step 2

Go to Diagnostic System Check

2

  1. Inspect the WSS wiring and connectors for damage.
  2. Inspect the WSS for looseness or damage.

Is physical damage of sensor evident?

--

Go to Step 3

Go to Step 4

3

Repair as necessary.

Is the repair complete?

--

Go to Diagnostic System Check

--

4

  1. Turn the ignition switch to the OFF position.
  2. Disconnect the EBTCM.
  3. Install the J 39700 Universal Pinoput Box using the J 39700-25 cable adapter to the EBTCM harness connector only.
  4. Using J 39200 DMM, measure the resistance between terminals 14 and 30 of J 39700 .

Is the resistance within the range specified in the value(s) column?

850-1350ohms

Go to Step 12

Go to Step 5

5

  1. Disconnect the RF Wheel Speed Sensor.
  2. Using J 39200 DMM, measure the resistance between terminals A and B of the Wheel Speed Sensor Connector.

Is the resistance within the range specified in the value(s) column?

850-1350ohms

Go to Step 6

Go to Step 11

6

  1. Connect a jumper between the RF Wheel Speed Sensor harness connector terminal A and ground.
  2. Using J 39200 DMM, measure the resistance between terminals 30 and B of J 39700 .

Is the resistance within the range specified in the value(s) column?

0-5ohms

Go to Step 8

Go to Step 7

7

Repair CKT 872 for an open or high resistance. If the open or high resistance is found in the jumper harness, replace the jumper harness. Refer to Wiring Repairs in Wiring Systems.

Is the repair complete?

--

Go to Diagnostic System Check

--

8

  1. Connect a jumper between the RF Wheel Speed Sensor harness connector terminal B and ground.
  2. Using J 39200 DMM, measure the resistance between terminals 14 and B of J 39700 .

Is the resistance within the range specified in the value(s) column?

0-5ohms

Go to Step 10

Go to Step 9

9

Repair CKT 833 for an open or high resistance. If the open or high resistance is found in the jumper harness, replace the jumper harness. Refer to Wiring Repairs in Wiring Systems.

Is the repair complete?

--

Go to Diagnostic System Check

--

10

Malfunction is intermittent. Inspect all connectors and harnesses for damage that may result in an open or high resistance when connected. Refer to Testing for Electrical Intermittents in Wiring Systems.

Is the repair complete?

--

Go to Diagnostic System Check

--

11

Replace the Wheel Speed Sensor. Refer to Wheel Hub/Speed Sensor Replacement in Front Suspension.

Is the replacement complete?

--

Go to Diagnostic System Check

--

12

Using J 39200 DMM, measure the resistance between terminals 14 and B of J 39700 .

Is the resistance within the range specified in the value(s) column?

OL (infinite)

Go to Step 19

Go to Step 13

13

  1. Disconnect the RF Wheel Speed Sensor.
  2. Using J 39200 DMM, measure the resistance between terminal A and ground of the Wheel Speed Sensor Connector.

Is the resistance within the range specified in the value(s) column?

OL (infinite)

Go to Step 14

Go to Step 11

14

Using J 39200 DMM, measure the resistance between terminals 30 and B of J 39700 .

Is the resistance within the range specified in the value(s) column?

OL (infinite)

Go to Step 16

Go to Step 15

15

Repair CKT 872 for a short to ground. If the short is found in the jumper harness, replace the jumper harness. Refer to Wiring Repairs in Wiring Systems.

Is the repair complete?

--

Go to Diagnostic System Check

--

16

Using J 39200 DMM, measure the resistance between terminals 14 and B of J 39700 .

Is the resistance within the range specified in the value(s) column?

OL (infinite)

Go to Step 17

Go to Step 18

17

Malfunction is intermittent. Inspect all connectors and harnesses for damage that may result in a short to ground when connected. Refer to Testing for Electrical Intermittents in Wiring Systems.

Is the repair complete?

--

Go to Diagnostic System Check

--

18

Repair CKT 833 for a short to ground. If the short is found in the jumper harness, replace the jumper harness. Refer to Wiring Repairs in Wiring Systems.

Is the repair complete?

--

Go to Diagnostic System Check

--

19

  1. Disconnect the RF Wheel Speed Sensor.
  2. Turn the ignition switch to the ON position, engine off.
  3. Using J 39200 DMM, measure the voltage at terminal 30 of J 39700 .

Is the voltage within the range specified in the value(s) column?

Above 1V

Go to Step 20

Go to Step 21

20

Repair CKT 872 for a short to voltage. If the short is found in the jumper harness, replace the jumper harness. Refer to Wiring Repairs in Wiring Systems.

Is the repair complete?

--

Go to Diagnostic System Check

--

21

Using J 39200 DMM, measure the voltage at terminal 14 of J 39700 .

Is the voltage within the range specified in the value(s) column?

Above 1V

Go to Step 22

Go to Step 23

22

Repair CKT 833 for a short to voltage. If the short is found in the jumper harness, replace the jumper harness. Refer to Wiring Repairs in Wiring Systems.

Is the repair complete?

--

Go to Diagnostic System Check

--

23

Replace the EBTCM. Refer to Electronic Brake Control Module Replacement .

Is the replacement complete?

--

Go to Diagnostic System Check

--