GM Service Manual Online
For 1990-2009 cars only
Makes
🢒
Chevrolet
🢒
1999
🢒
Corvette
🢒 Ignition System
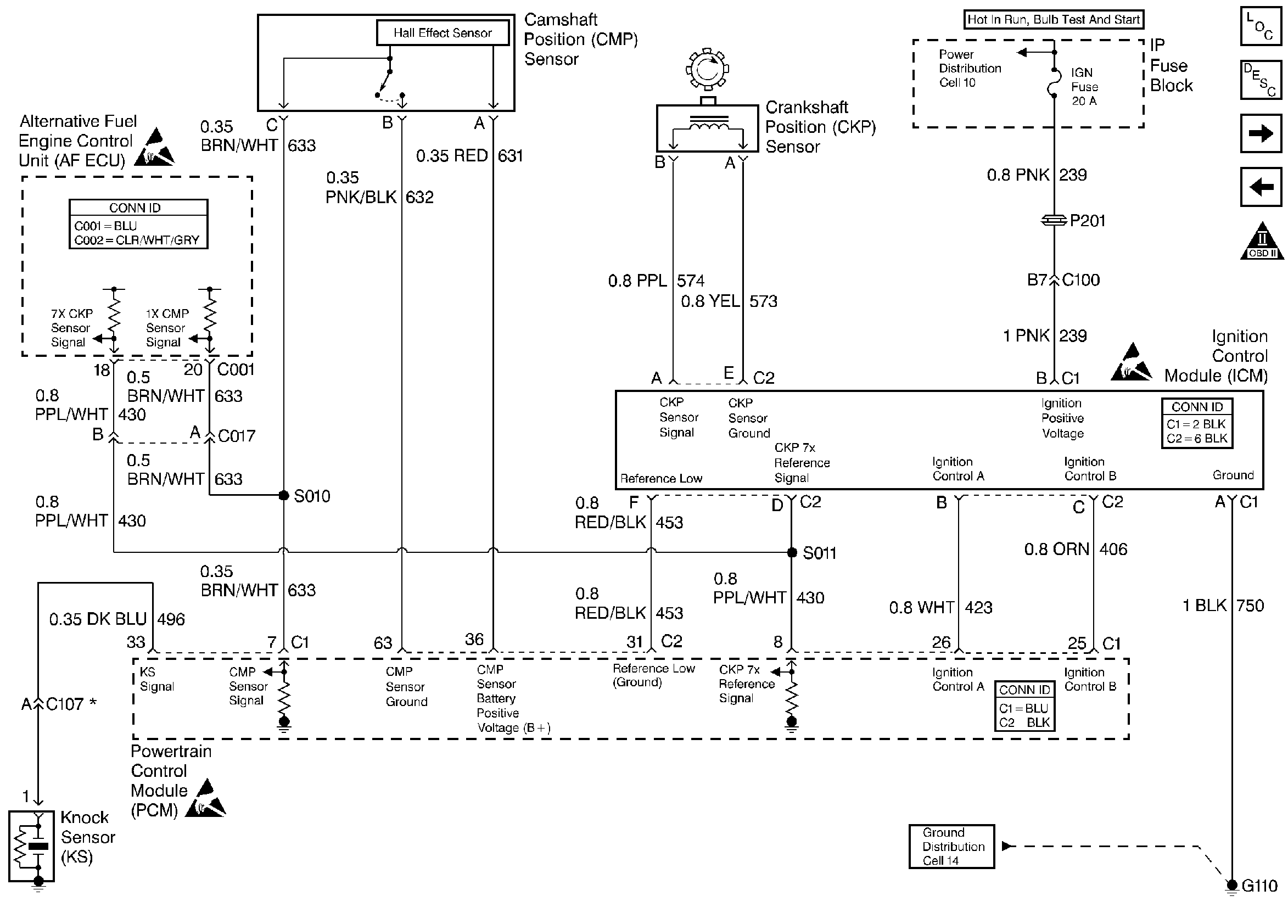
Ignition System
Ignition System
Engine Controls Components
Alternative Fuel Engine Control Unit
Fuel Controls, Fuel Pump
Power, Ground, MIL, NGO and DLC
OBD II Symbol Description Notice
Handling ESD Sensitive Parts Notice
Handling ESD Sensitive Parts Notice
Handling ESD Sensitive Parts Notice