GM Service Manual Online
For 1990-2009 cars only
Makes
🢒
Chevrolet
🢒
1999
🢒
Corvette
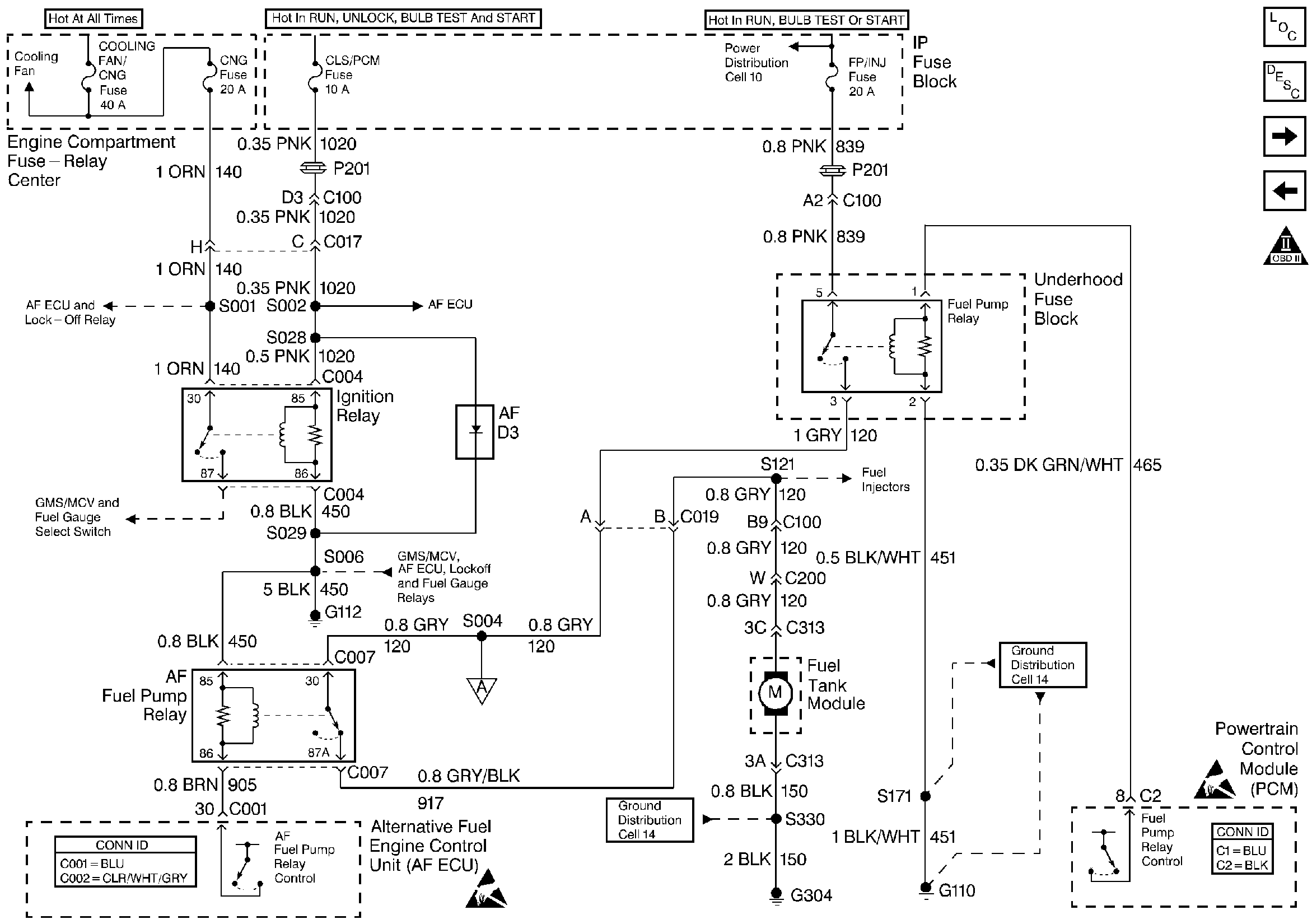
🢒 Fuel Controls, Fuel Pump
Fuel Controls, Fuel Pump
Fuel Controls, Fuel Pump
Engine Controls Components
Alternative Fuel Engine Control Unit
Fuel Controls, Lock-Off Solenoid
Ignition System
OBD II Symbol Description Notice
Handling ESD Sensitive Parts Notice
Handling ESD Sensitive Parts Notice
Fuel Controls, Lock-Off Solenoid