GM Service Manual Online
For 1990-2009 cars only
Makes
🢒
Chevrolet
🢒
1999
🢒
Corvette
🢒 Engine Data Sensors, IAC, FPS and FTS
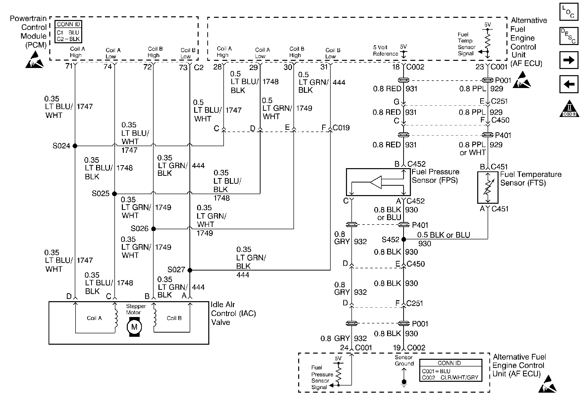
Engine Data Sensors, IAC, FPS and FTS
Engine Data Sensors, IAC, FPS and FTS
Engine Controls Components
Alternative Fuel Engine Control Unit
Engine Data Sensors, GMS/MCV
Engine Data Sensors, ECT, IAT, TP and MAP
OBD II Symbol Description Notice
Handling ESD Sensitive Parts Notice
Handling ESD Sensitive Parts Notice
Handling ESD Sensitive Parts Notice