GM Service Manual Online
For 1990-2009 cars only
Makes
🢒
Chevrolet
🢒
1999
🢒
Corvette
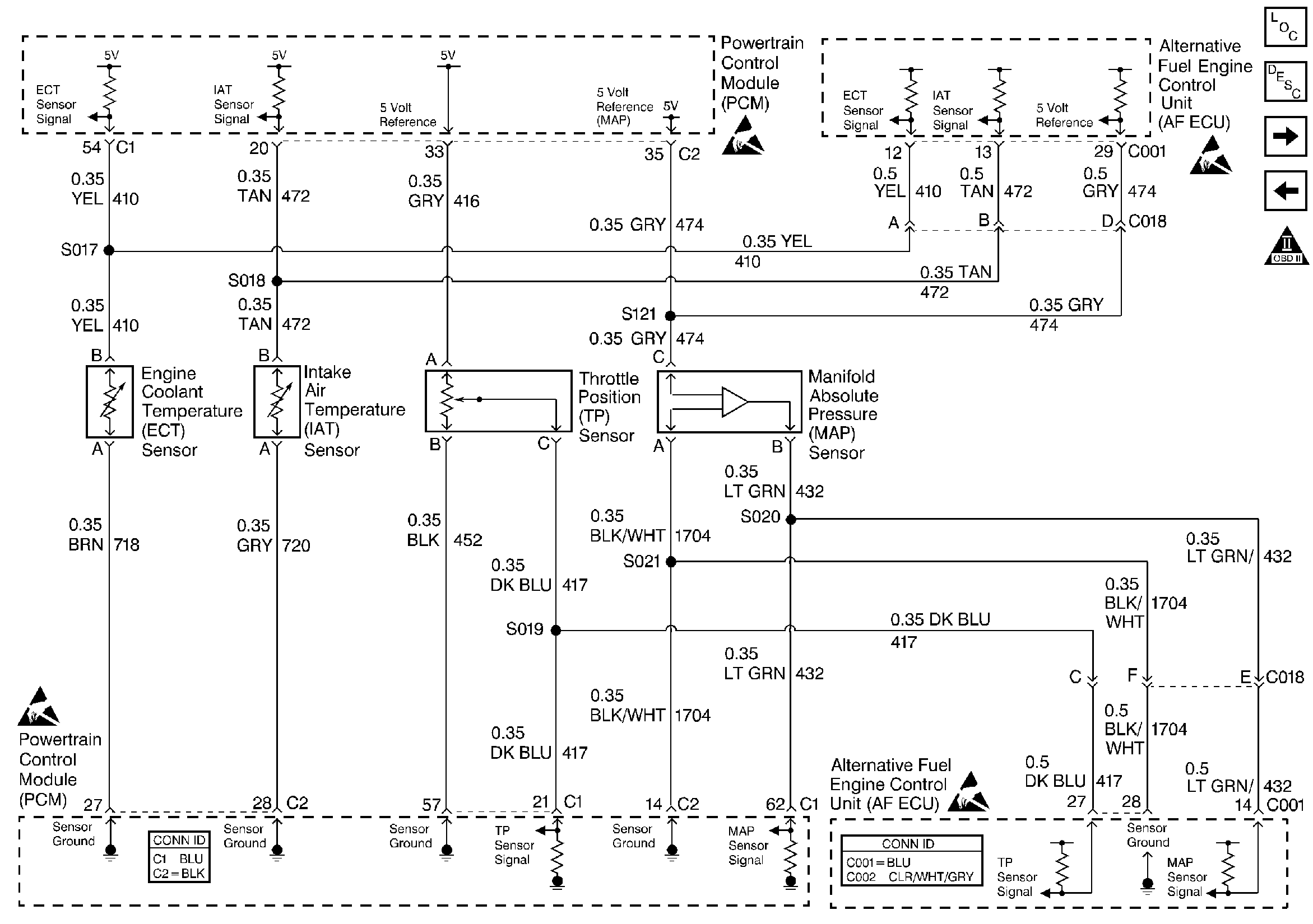
🢒 Engine Data Sensors, ECT, IAT, TP and MAP
Engine Data Sensors, ECT, IAT, TP and MAP
Engine Data Sensors, ECT, IAT, TP and MAP
Engine Controls Components
Alternative Fuel Engine Control Unit
Engine Data Sensors, IAC, FPS and FTS
Fuel Controls, Fuel Gauge
OBD II Symbol Description Notice
Handling ESD Sensitive Parts Notice
Handling ESD Sensitive Parts Notice
Handling ESD Sensitive Parts Notice
Handling ESD Sensitive Parts Notice