GM Service Manual Online
For 1990-2009 cars only
Makes
🢒
Chevrolet
🢒
2000
🢒
Corvette
🢒
HVAC
🢒
HVAC Systems - Automatic
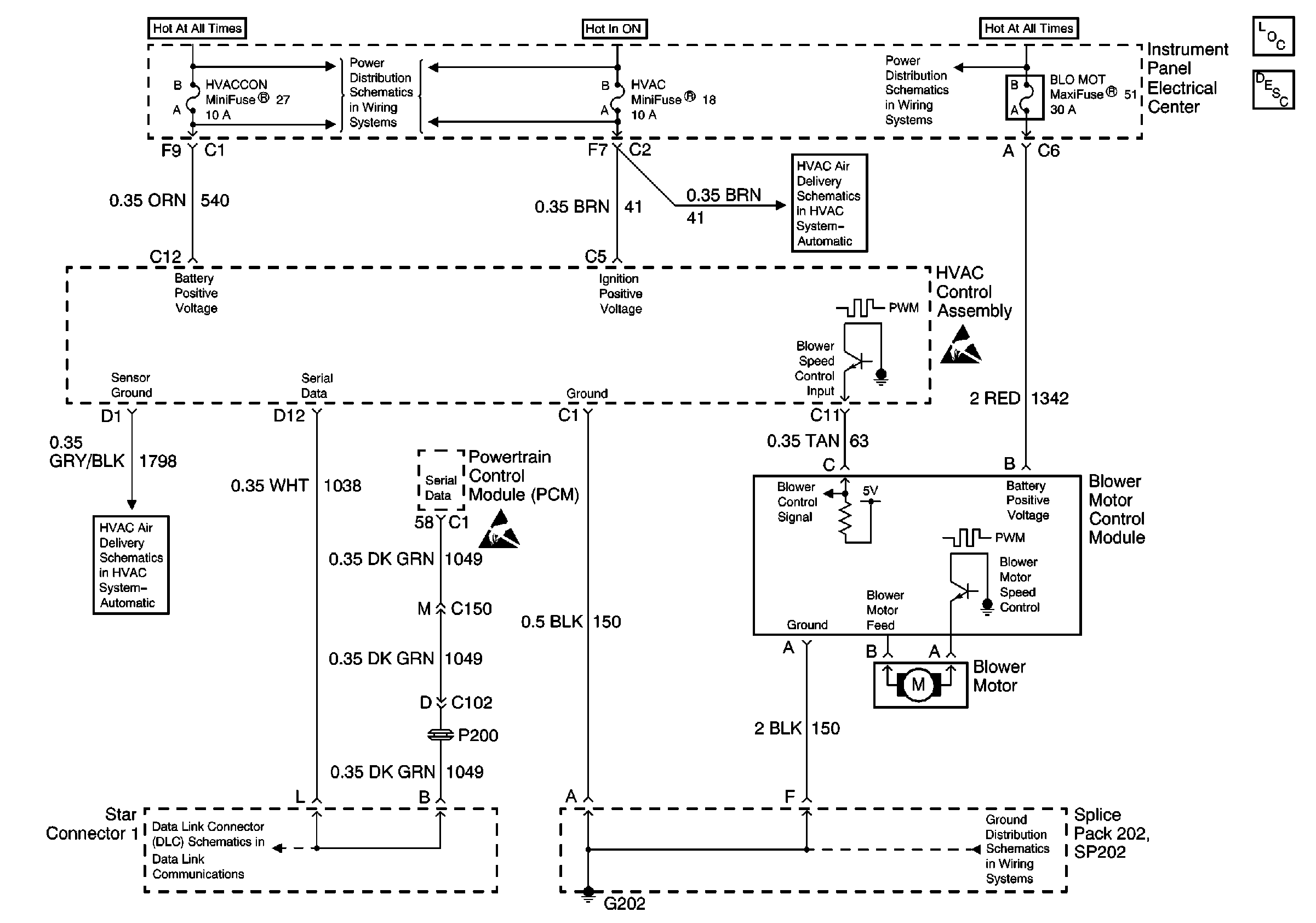
🢒 HVAC Blower Control Schematics
HVAC Components
Power Distribution Schematics
Power Distribution Schematics
Ground Distribution Schematics
Data Link Connector Schematics
HVAC Air Delivery/Temperature Control Schematics
HVAC Air Delivery/Temperature Control Schematics
Handling ESD Sensitive Parts Notice
Handling ESD Sensitive Parts Notice