GM Service Manual Online
For 1990-2009 cars only
Figure 1:

Power, Ground and DLC (Bose)


Object Number: 587143  Size: FS
Entertainment Components
Radio/Audio System Circuit Description
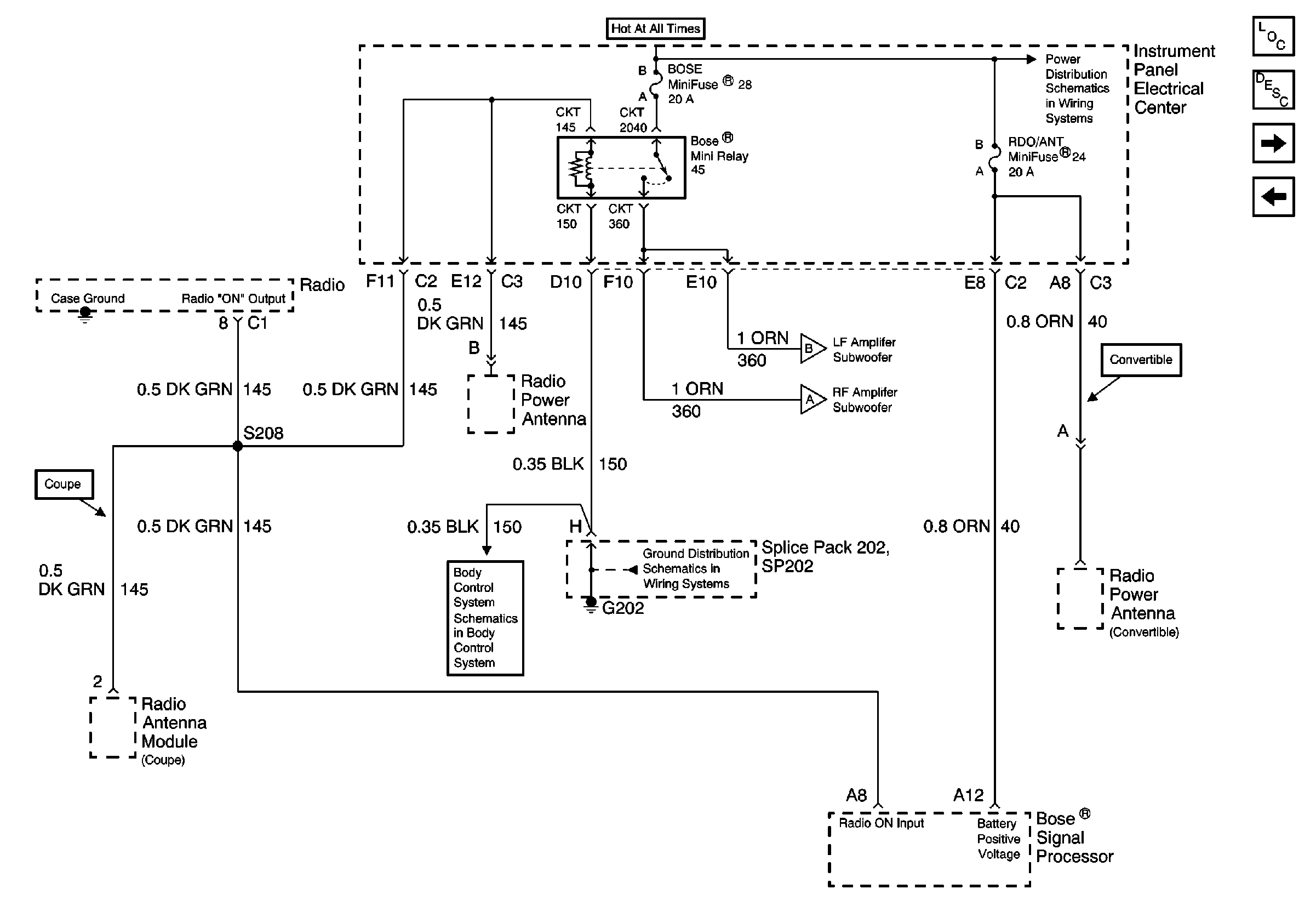
Relay Control (Bose)
Power Distribution Schematics
Ground Distribution Schematics
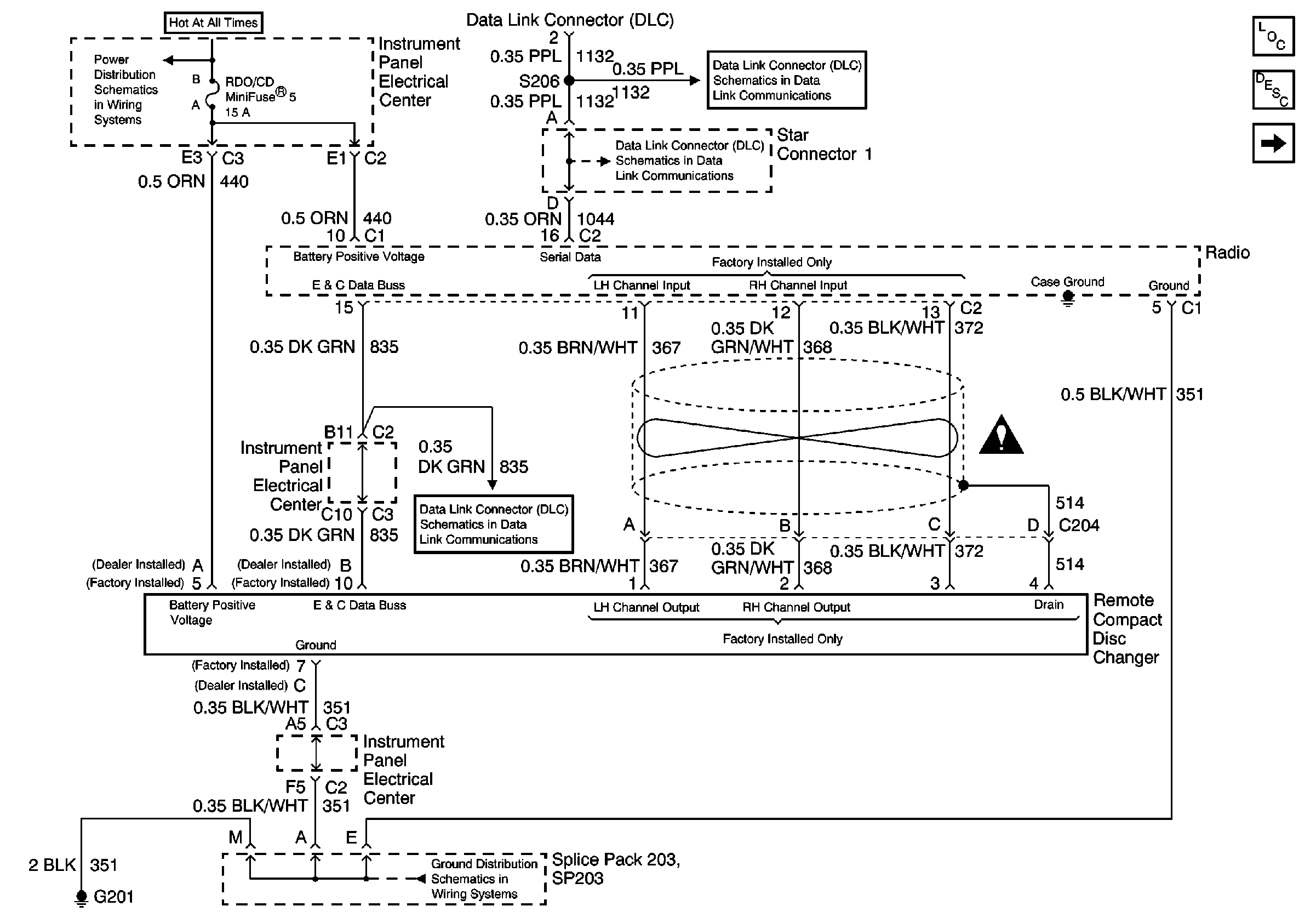
Data Link Connector Schematics
Data Link Connector Schematics
Data Link Connector Schematics
Entertainment Schematic Icons
Figure 2:

Relay Control (Bose)


Object Number: 587145  Size: FS
Entertainment Components
Radio/Audio System Circuit Description
Signal Processor (Bose)
Power, Ground and DLC (Bose)
Power Distribution Schematics
Ground Distribution Schematics
Body Control System Schematics
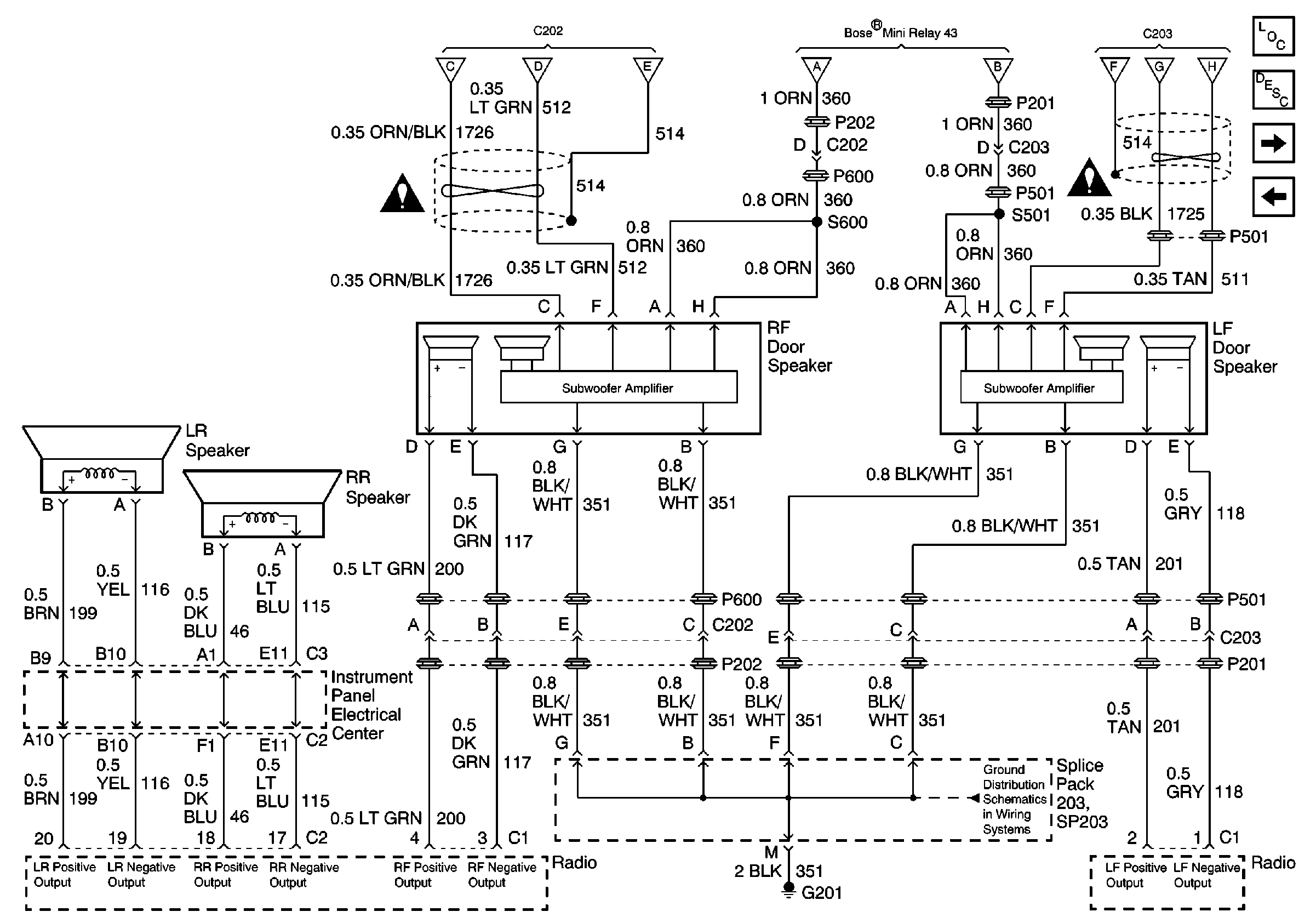
Front and Rear Speakers (Bose)
Figure 3:

Signal Processor (Bose)


Object Number: 587150  Size: FS
Entertainment Components
Radio/Audio System Circuit Description
Front and Rear Speakers (Bose)
Relay Control (Bose)
Front and Rear Speakers (Bose)
Front and Rear Speakers (Bose)
Entertainment Schematic Icons
Entertainment Schematic Icons
Figure 4:

Front and Rear Speakers (Bose)


Object Number: 587151  Size: FS
Entertainment Components
Radio/Audio System Circuit Description
Power, Ground and DLC (Base)
Signal Processor (Bose)
Ground Distribution Schematics
Entertainment Schematic Icons
Entertainment Schematic Icons
Signal Processor (Bose)
Signal Processor (Bose)
Relay Control (Bose)
Figure 5:

Power, Ground and DLC (Base)


Object Number: 587152  Size: FS
Entertainment Components
Radio/Audio System Circuit Description
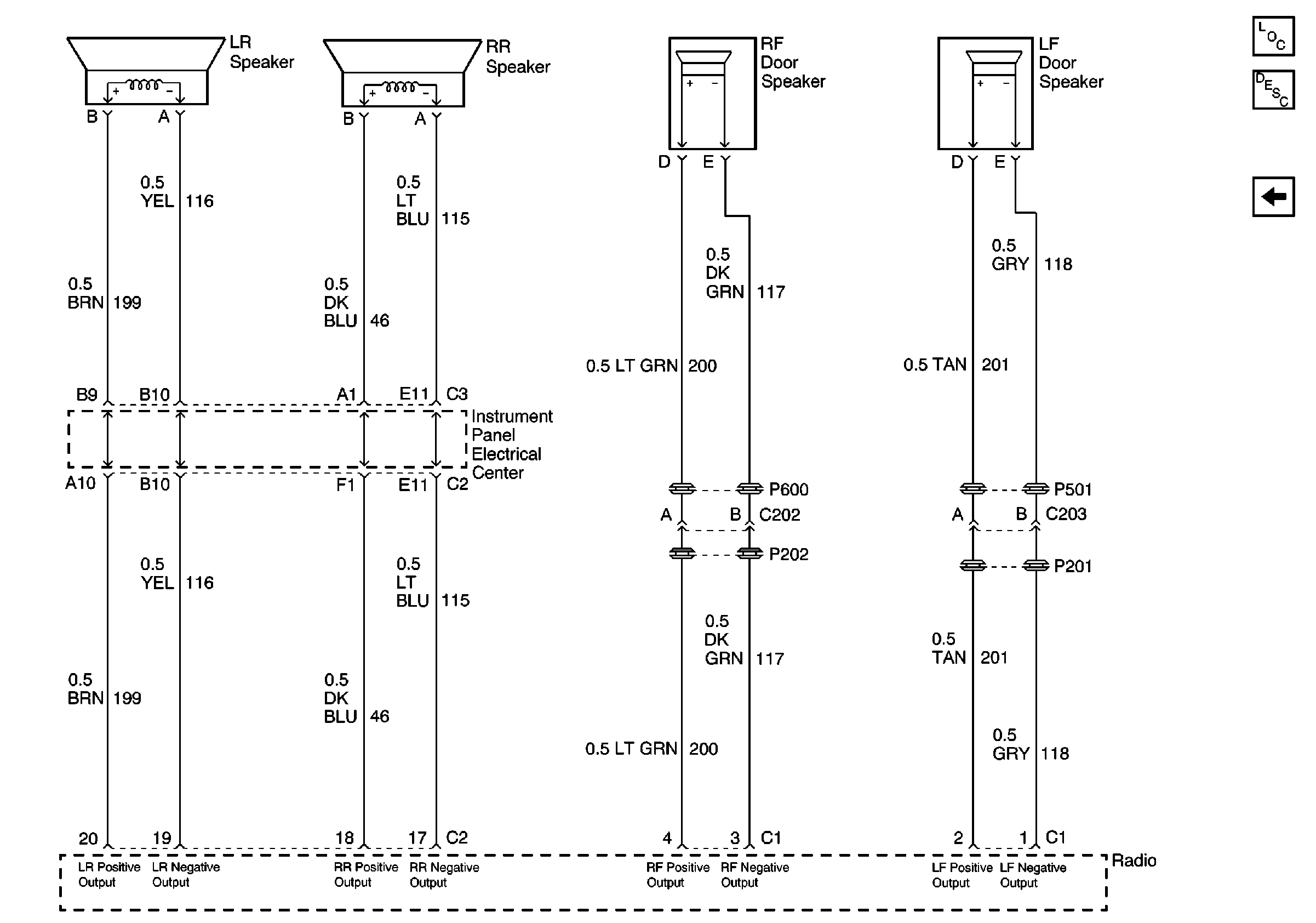
Front and Rear Speakers (Base)
Front and Rear Speakers (Bose)
Power Distribution Schematics
Ground Distribution Schematics
Data Link Connector Schematics
Data Link Connector Schematics
Data Link Connector Schematics
Figure 6:

Front and Rear Speakers (Base)


Object Number: 587153  Size: FS
Entertainment Components
Radio/Audio System Circuit Description
Power, Ground and DLC (Base)