GM Service Manual Online
For 1990-2009 cars only
Figure 1:

Power, Ground and DLC


Object Number: 586721  Size: FS
Body Control Module Components
Body Control System Description
DRL Relays, CTSY LP Relay and MONITORED LD Relay
Power Distribution Schematics
Power Distribution Schematics
Ground Distribution Schematics
Ground Distribution Schematics
Ground Distribution Schematics
Data Link Connector Schematics
Data Link Connector Schematics
Handling ESD Sensitive Parts Notice
Instrument Cluster: Analog Schematics
Ignition Switch, Steering Column Lock Control and Ambient Light Sensor
Ignition Switch, Steering Column Lock Control and Ambient Light Sensor
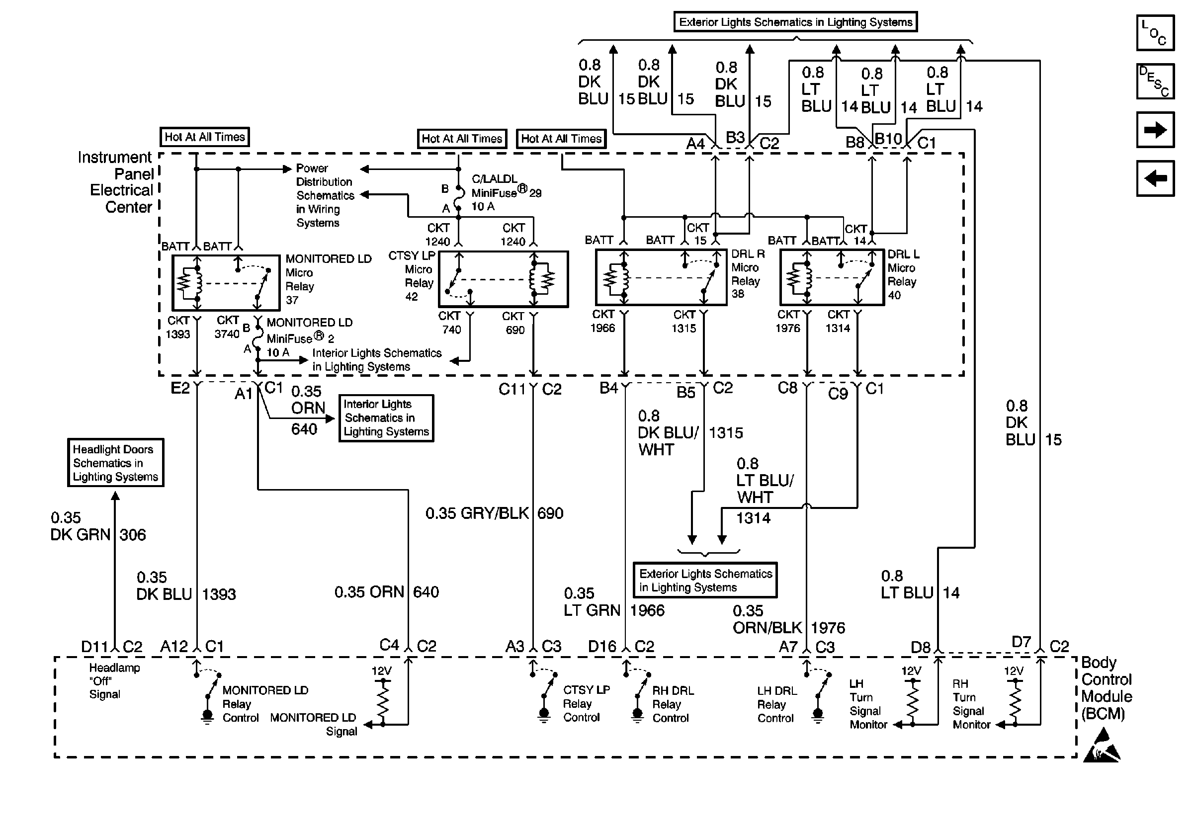
Figure 2:

DRL Relays, CTSY LP Relay and MONITORED LD Relay


Object Number: 586724  Size: FS
Body Control Module Components
Body Control System Description
Horn, Backup and Rear Defogger System
Power, Ground and DLC
Handling ESD Sensitive Parts Notice
Exterior Lights Schematics
Exterior Lights Schematics
Headlight Doors Schematics
Interior Lights Schematics
Interior Lights Schematics
Power Distribution Schematics
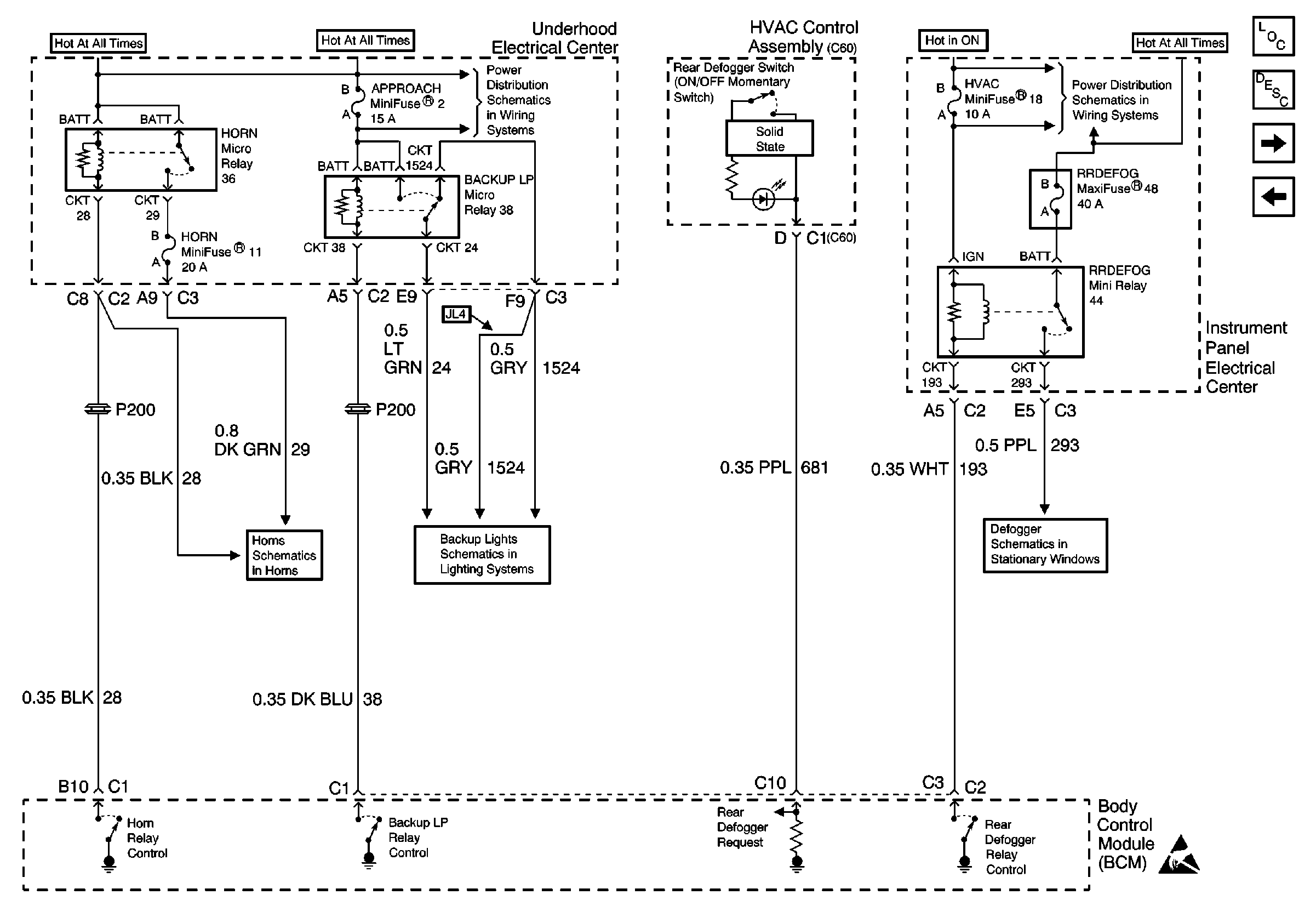
Figure 3:

Horn, Backup and Rear Defogger System


Object Number: 586727  Size: FS
Body Control Module Components
Body Control System Description
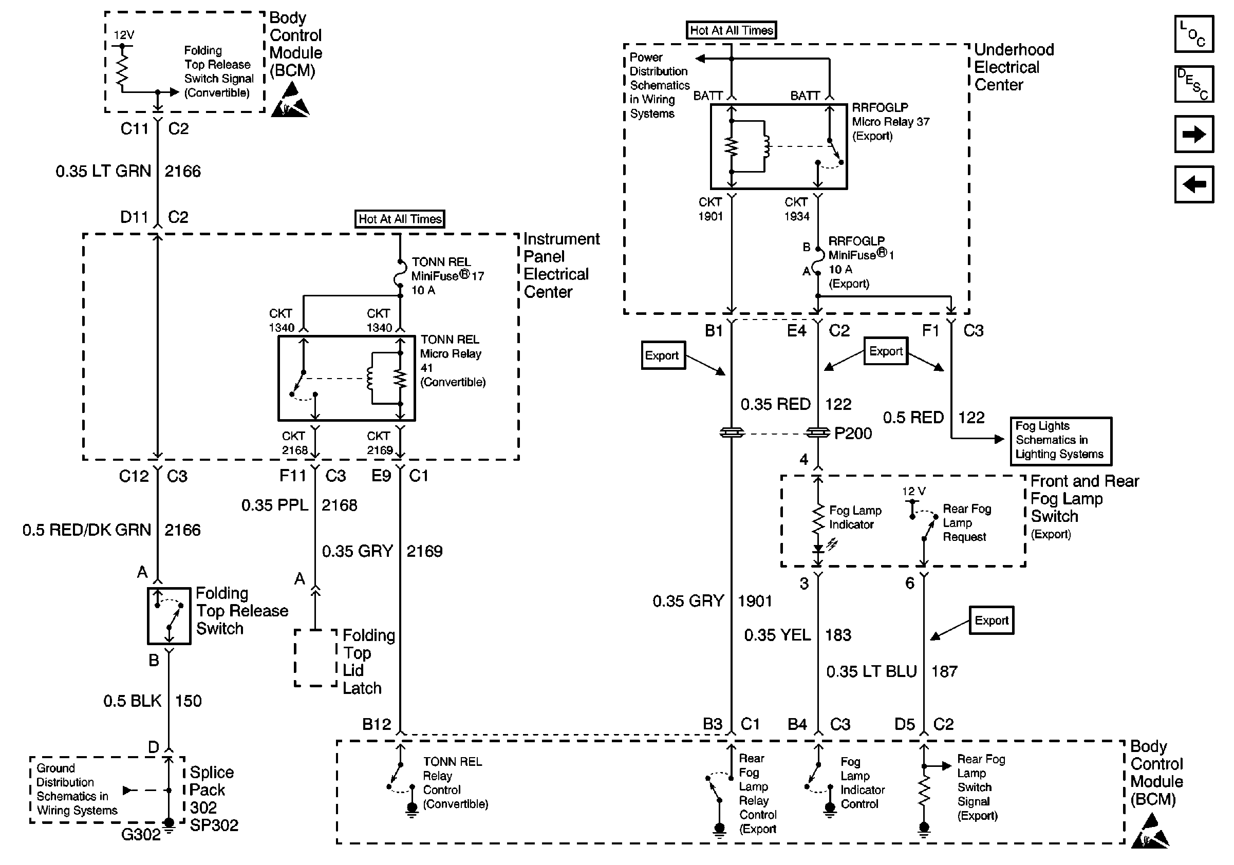
Folding Top and Rear Fog Lamp Control
DRL Relays, CTSY LP Relay and MONITORED LD Relay
Power Distribution Schematics
Power Distribution Schematics
Backup Lamp Schematics
Horn Schematics
Defogger Schematics
Handling ESD Sensitive Parts Notice
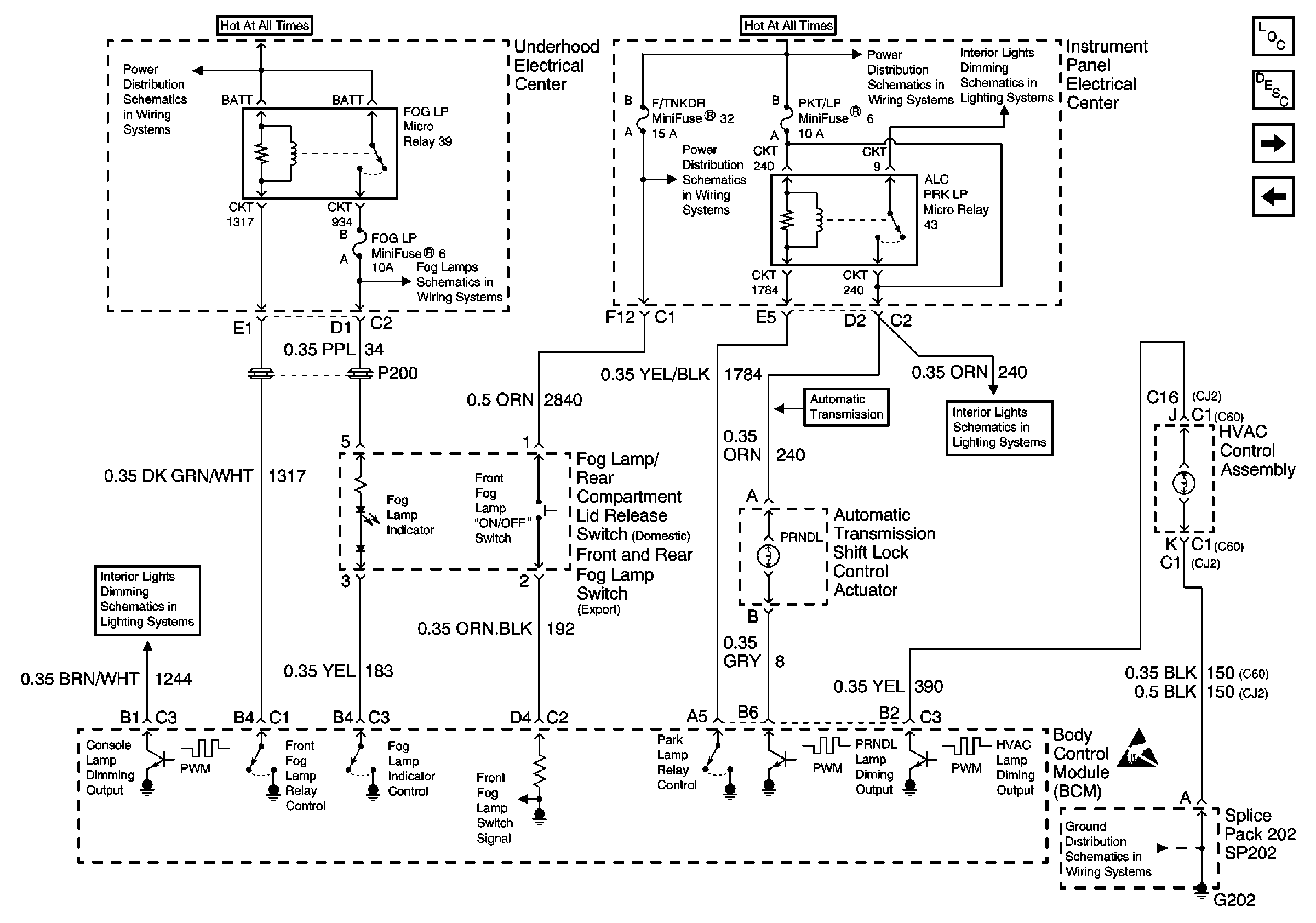
Figure 4:

Folding Top and Rear Fog Lamp Control


Object Number: 586730  Size: FS
Body Control Module Components
Body Control System Description
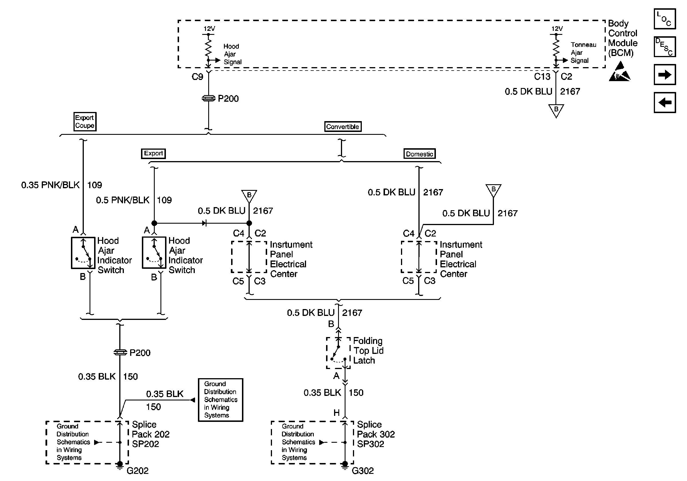
Hood Ajar Indicator Switch
Horn, Backup and Rear Defogger System
Power Distribution Schematics
Ground Distribution Schematics
Fog Lights Schematics
Handling ESD Sensitive Parts Notice
Handling ESD Sensitive Parts Notice
Figure 5:

Hood Ajar Indicator Switch


Object Number: 586735  Size: FS
Body Control Module Components
Body Control System Description
FOG LP Relay and ALC PRK LP Relay
Folding Top and Rear Fog Lamp Control
Handling ESD Sensitive Parts Notice
Ground Distribution Schematics
Ground Distribution Schematics
Ground Distribution Schematics
Figure 6:

FOG LP Relay and ALC PRK LP Relay


Object Number: 586738  Size: FS
Body Control Module Components
Body Control System Description
Rear Compartment Lid Release Systems
Hood Ajar Indicator Switch
Power Distribution Schematics
Power Distribution Schematics
Power Distribution Schematics
Ground Distribution Schematics
Interior Lights Dimming Schematics
Interior Lights Schematics
Fog Lights Schematics
Exterior Lights Schematics
Handling ESD Sensitive Parts Notice
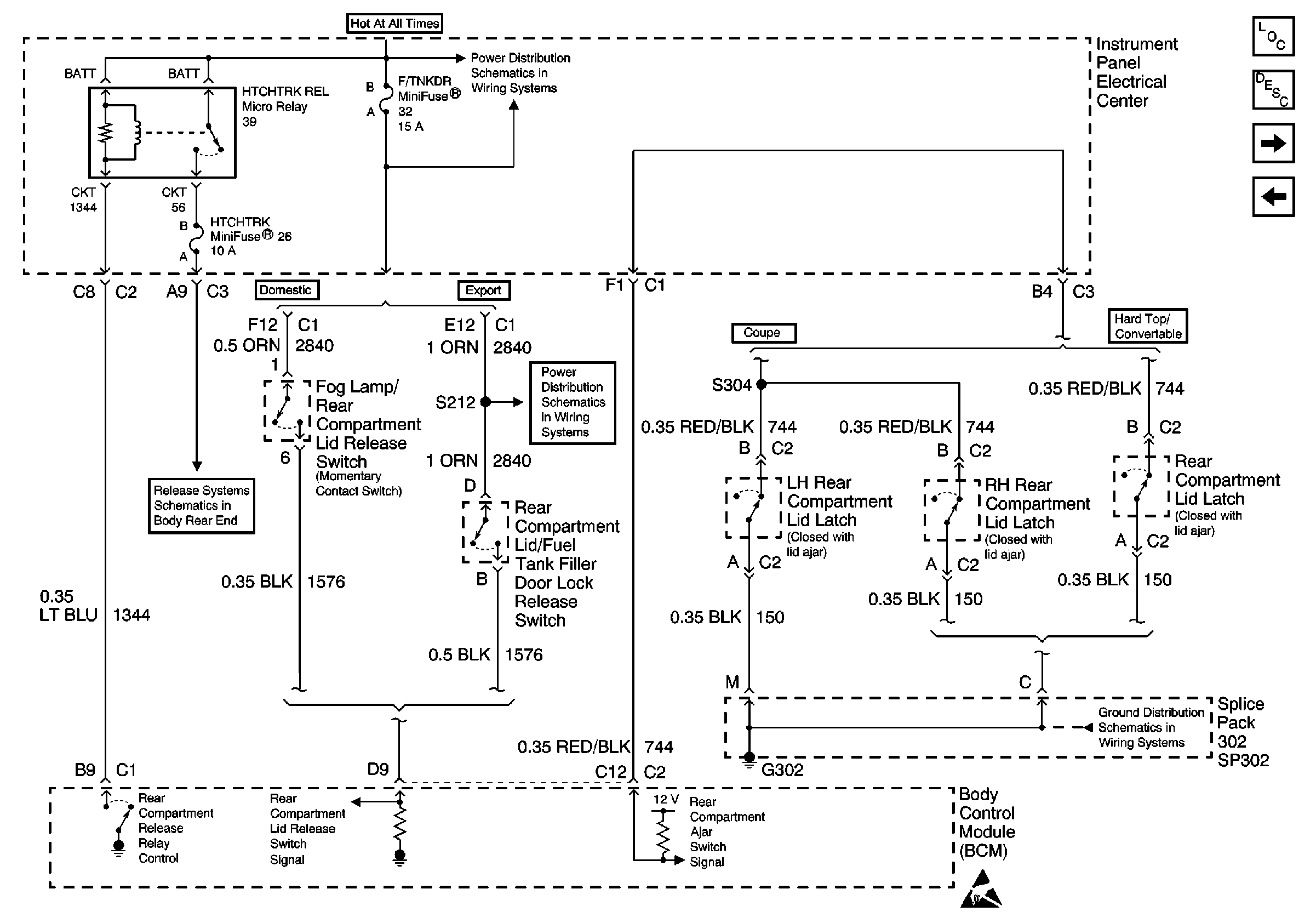
Figure 7:

Rear Compartment Lid Release Systems


Object Number: 586740  Size: FS
Body Control Module Components
Body Control System Description
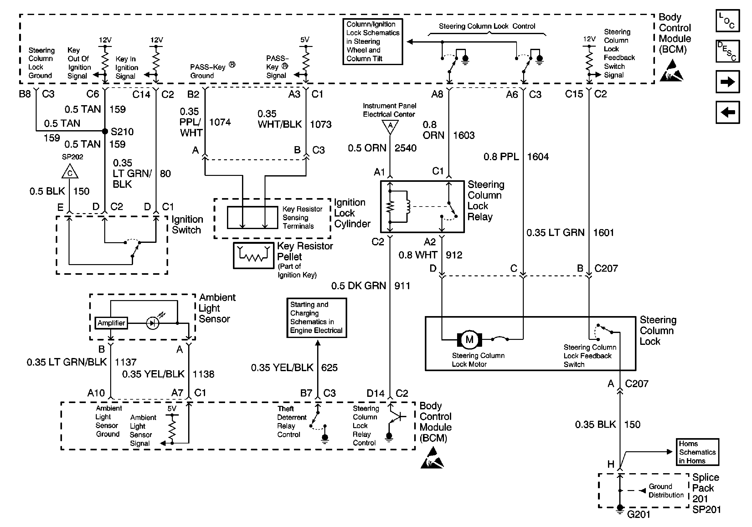
Ignition Switch, Steering Column Lock Control and Ambient Light Sensor
FOG LP Relay and ALC PRK LP Relay
Power Distribution Schematics
Power Distribution Schematics
Ground Distribution Schematics
Release Systems Schematics
Handling ESD Sensitive Parts Notice
Figure 8:

Ignition Switch, Steering Column Lock Control and Ambient Light Sensor


Object Number: 586744  Size: FS
Body Control Module Components
Body Control System Description
Door Ajar Indicator Switches
Rear Compartment Lid Release Systems
Starting and Charging Schematics
Horn Schematics
Tilt/Telescoping Steering Column Schematics
Handling ESD Sensitive Parts Notice
Handling ESD Sensitive Parts Notice
Power, Ground and DLC
Power, Ground and DLC
Figure 9:

Door Ajar Indicator Switches


Object Number: 586749  Size: FS
Body Control Module Components
Body Control System Description
Ignition Switch, Steering Column Lock Control and Ambient Light Sensor
Ground Distribution Schematics
Ground Distribution Schematics
Handling ESD Sensitive Parts Notice
Handling ESD Sensitive Parts Notice
Handling ESD Sensitive Parts Notice