GM Service Manual Online
For 1990-2009 cars only
Makes
🢒
Chevrolet
🢒
2000
🢒
Corvette
🢒
Body and Accessories
🢒
Instrument Panel, Gauges, and Console
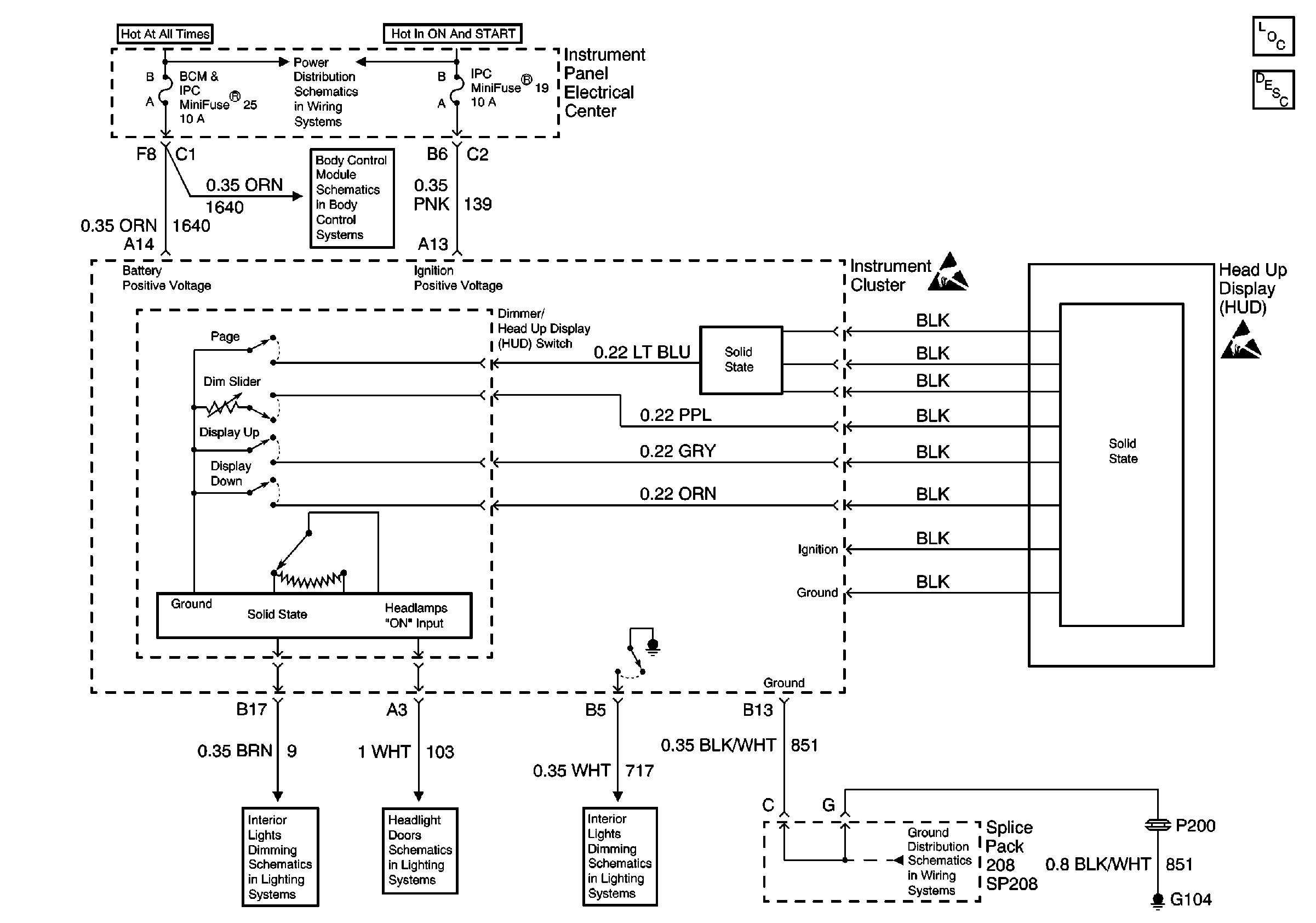
🢒 Head Up Display Schematics
Instrument Cluster and HUD Components
Head Up Display Description
Power Distribution Schematics
Ground Distribution Schematics
Body Control System Schematics
Interior Lights Dimming Schematics
Interior Lights Dimming Schematics
Headlight Doors Schematics
Handling ESD Sensitive Parts Notice
Handling ESD Sensitive Parts Notice