GM Service Manual Online
For 1990-2009 cars only
Makes
🢒
Chevrolet
🢒
2000
🢒
Corvette
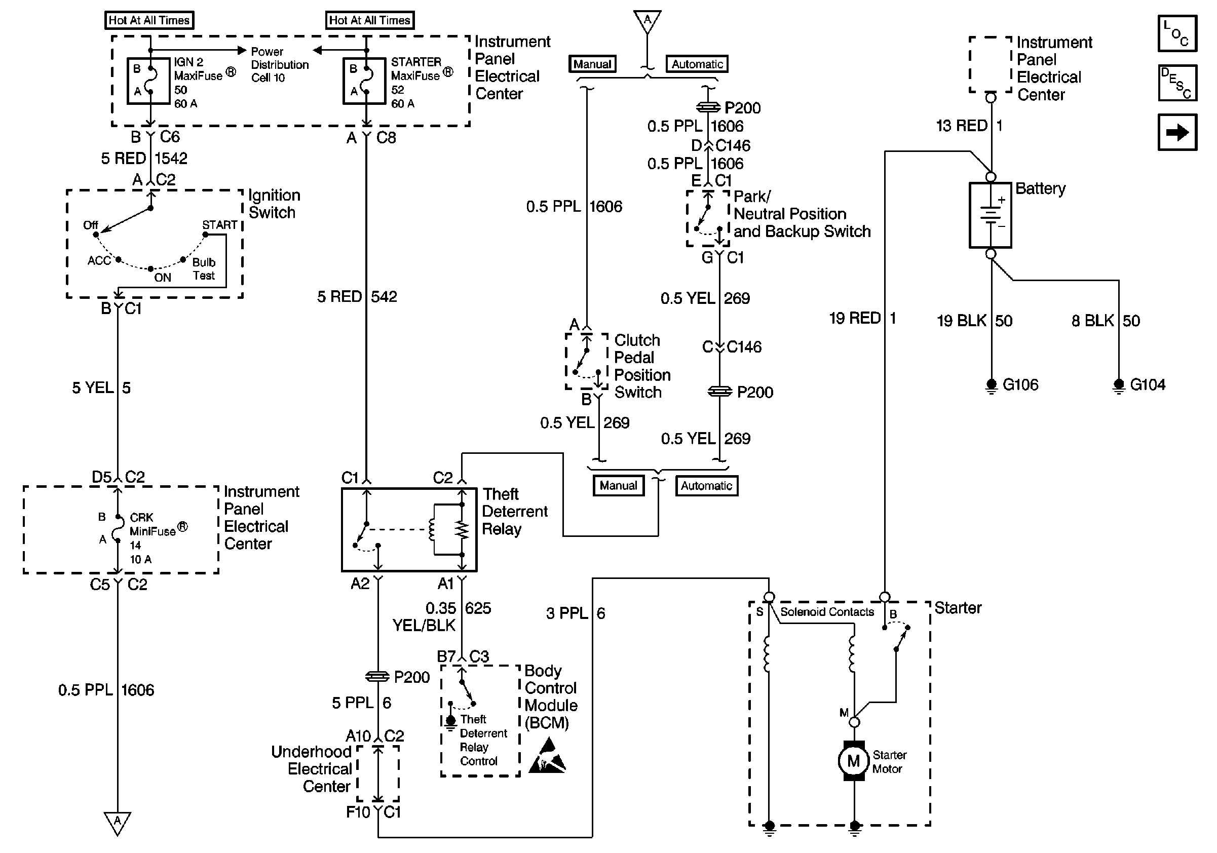
🢒 Cell 30: Starting System
Cell 30: Starting System
Cell 30: Starting System
Engine Electrical Components
Starting System Description
Cell 30: Charging System
Handling ESD Sensitive Parts Notice
Cell 10: I/P Fuses 50, 47, Ignition Switch