GM Service Manual Online
For 1990-2009 cars only
Makes
🢒
Chevrolet
🢒
2000
🢒
Corvette
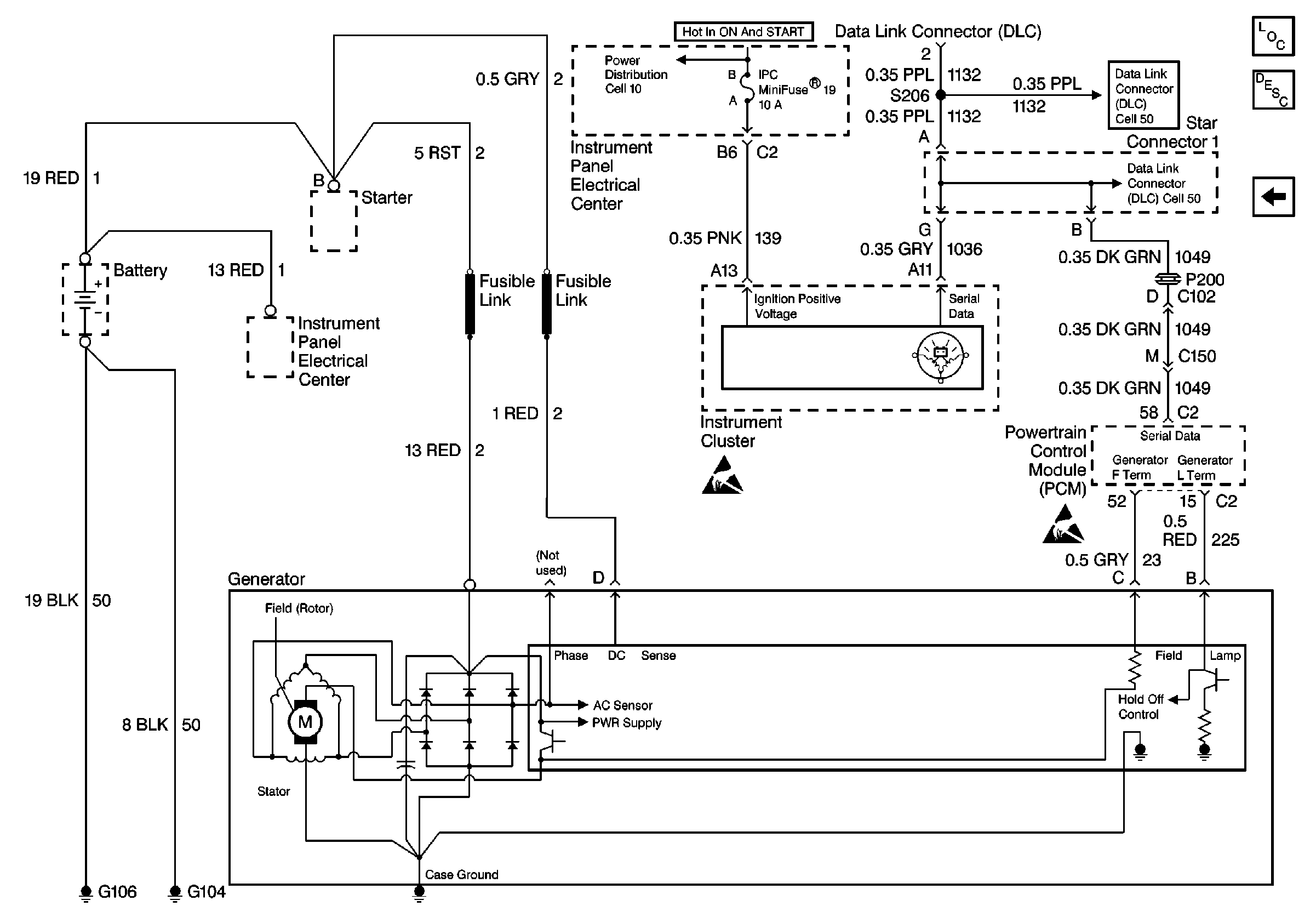
🢒 Cell 30: Charging System
Cell 30: Charging System
Cell 30: Charging System
Engine Electrical Components
Charging System Description
Cell 30: Starting System
Class 2 Serial Data Cell 50
Class 2 Serial Data Cell 50
Cell 10: I/P Fuses 15, 16, 13, 20, 19
Handling ESD Sensitive Parts Notice
Handling ESD Sensitive Parts Notice