GM Service Manual Online
For 1990-2009 cars only
Makes
🢒
Chevrolet
🢒
2000
🢒
Corvette
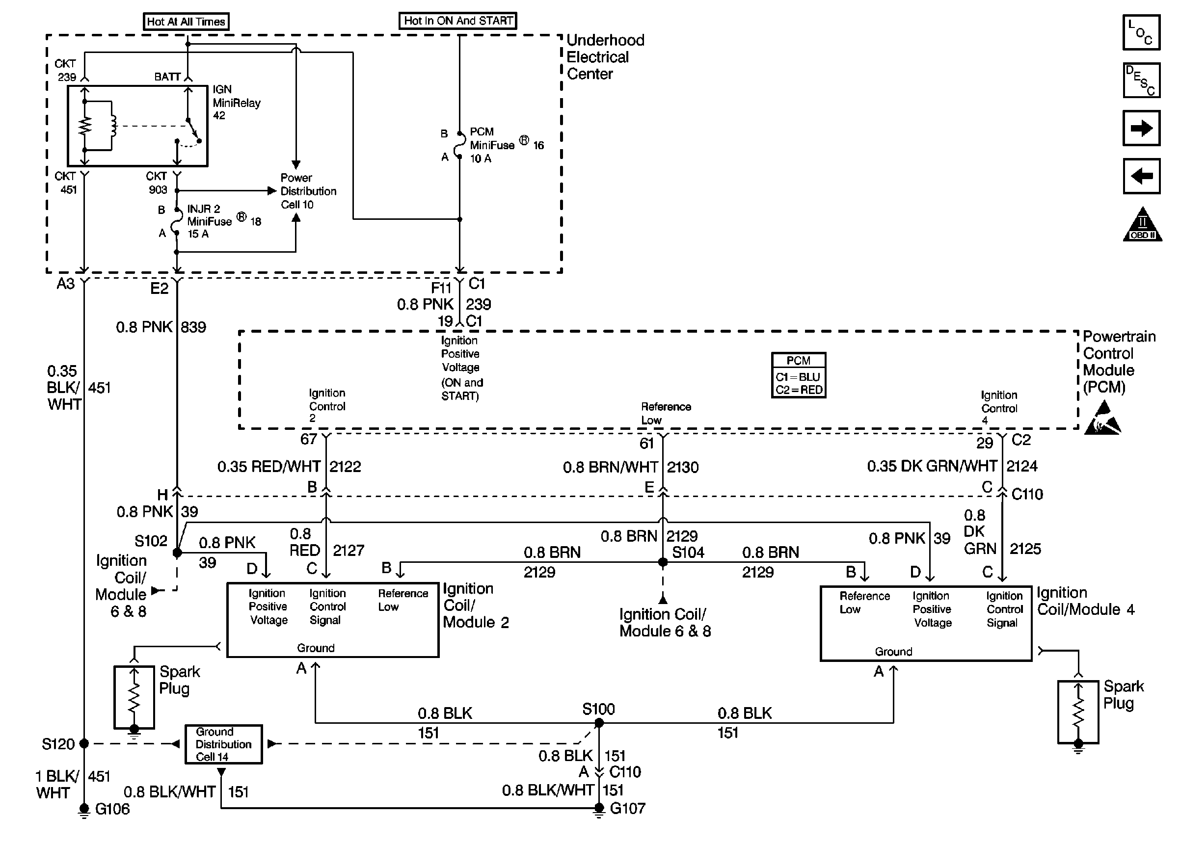
🢒 Cell 20: Ignition Coil/Module Cylinders 2 and 4
Cell 20: Ignition Coil/Module Cylinders 2 and 4
Cell 20: Ignition Coil/Module Cylinders 2 and 4
Engine Controls Components
Electronic Ignition (EI) System Description
Cell 20: Ignition Coil/Module Cylinders 6 and 8
Cell 20: Ignition Coil/Module Cylinders 5 and 7
OBD II Symbol Description Notice
Handling ESD Sensitive Parts Notice
Powertrain Control Module Connector End Views
Cell 10: U/H Fuses 18, 24, Relay 34
Cell 20: Ignition Coil/Module Cylinders 6 and 8
Ground Distribution Schematics
Cell 20: Ignition Coil/Module Cylinders 6 and 8