GM Service Manual Online
For 1990-2009 cars only
Makes
🢒
Chevrolet
🢒
2000
🢒
Corvette
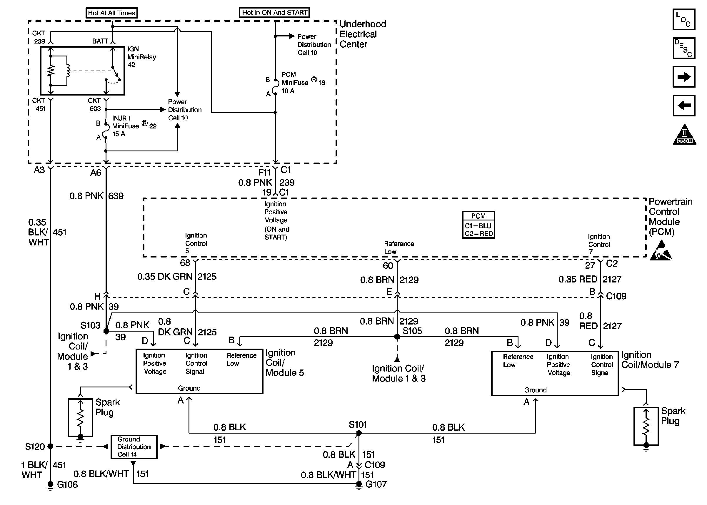
🢒 Cell 20: Ignition Coil/Module Cylinders 5 and 7
Cell 20: Ignition Coil/Module Cylinders 5 and 7
Cell 20: Ignition Coil/Module Cylinders 5 and 7
Engine Controls Components
Electronic Ignition (EI) System Description
Cell 20: Ignition Coil/Module Cylinders 2 and 4
Cell 20: Ignition Coil/Module Cylinders 1 and 3
OBD II Symbol Description Notice
Handling ESD Sensitive Parts Notice
Powertrain Control Module Connector End Views
Cell 10: U/H Fuses 16, 19, Relay 42
Cell 10: U/H Fuses 22, 17
Cell 20: Ignition Coil/Module Cylinders 1 and 3
Ground Distribution Schematics
Cell 20: Ignition Coil/Module Cylinders 1 and 3