GM Service Manual Online
For 1990-2009 cars only
Makes
🢒
Chevrolet
🢒
2000
🢒
Corvette
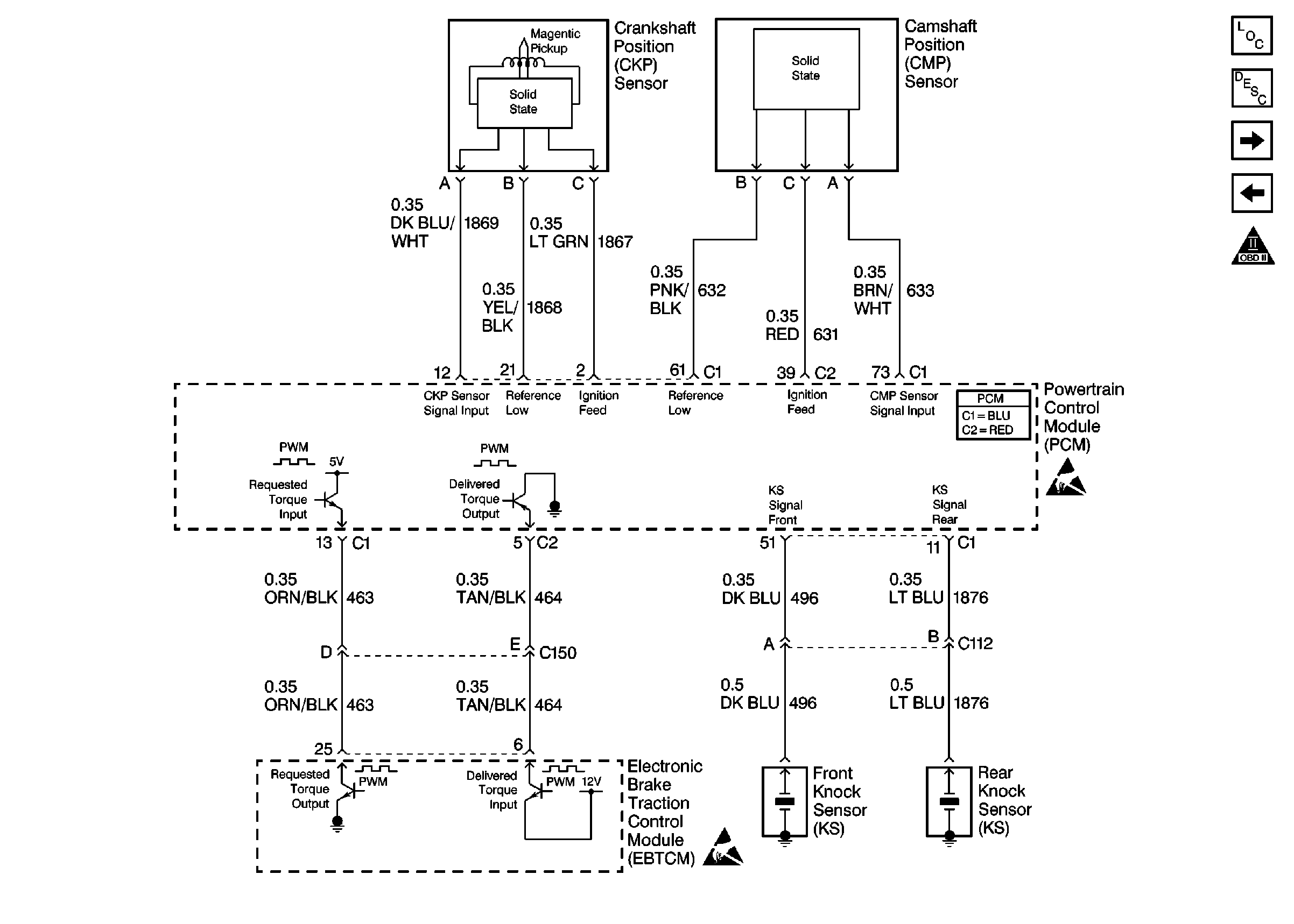
🢒 Cell 20: CKP, CMP, KS and Traction Control System
Cell 20: CKP, CMP, KS and Traction Control System
Cell 20: CKP, CMP, KS and Traction Control System
Engine Controls Components
Knock Sensor (KS) System Description
Cell 20: Fuel Pump, Fuel Level Sensors and Fuel Tank Pressure Sensor
Cell 20: Ignition Coil/Module Cylinders 6 and 8
OBD II Symbol Description Notice
Powertrain Control Module Connector End Views
Handling ESD Sensitive Parts Notice
Handling ESD Sensitive Parts Notice