GM Service Manual Online
For 1990-2009 cars only
Makes
🢒
Chevrolet
🢒
2000
🢒
Corvette
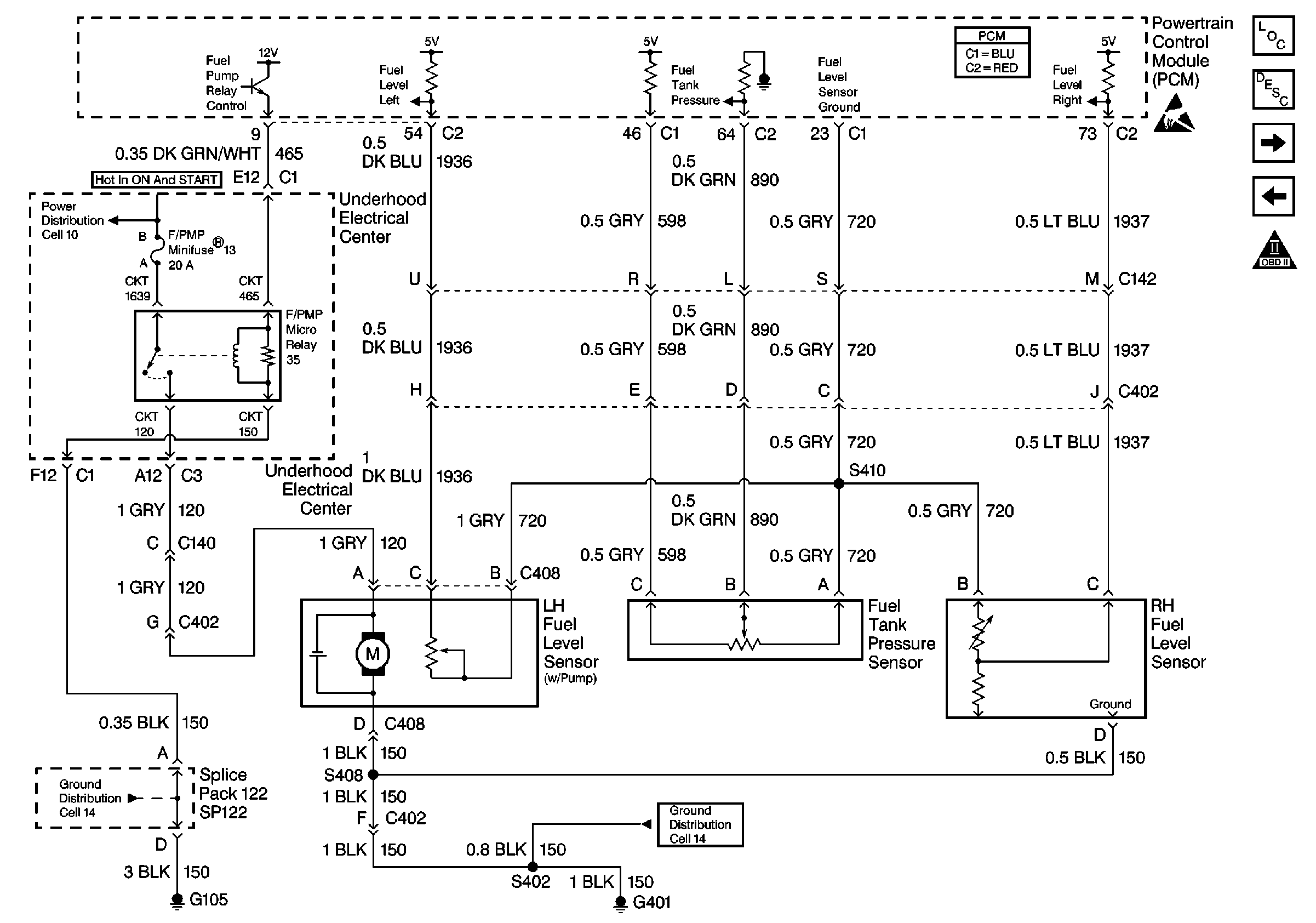
🢒 Cell 20: Fuel Pump, Fuel Level Sensors and Fuel Tank Pressure Sensor
Cell 20: Fuel Pump, Fuel Level Sensors and Fuel Tank Pressure Sensor
Cell 20: Fuel Pump, Fuel Level Sensors and Fuel Tank Pressure Sensor
Engine Controls Components
Information Sensors/Switches Description
Cell 20: Fuel Injectors 2, 4, 6 and 8
Cell 20: CKP, CMP, KS and Traction Control System
OBD II Symbol Description Notice
Handling ESD Sensitive Parts Notice
Powertrain Control Module Connector End Views
Cell 14: SP400, G401
Cell 14: SP122, G106, G105
Cell 10: U/H Fuses 7, 46, 14, 13, Relays 41, 43, 44, 35