GM Service Manual Online
For 1990-2009 cars only
Makes
🢒
Chevrolet
🢒
2000
🢒
Corvette
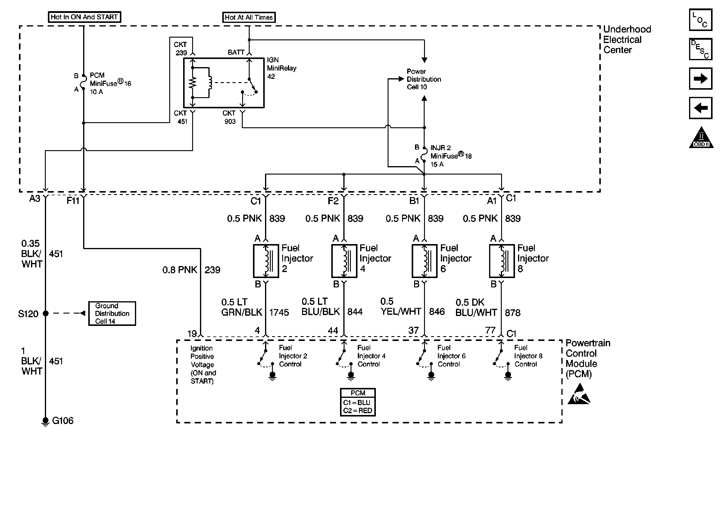
🢒 Cell 20: Fuel Injectors 2, 4, 6 and 8
Cell 20: Fuel Injectors 2, 4, 6 and 8
Cell 20: Fuel Injectors 2, 4, 6 and 8
Engine Controls Components
Fuel Metering System Component Description
Cell 20: Fuel Injectors 1, 3, 5 and 7
Cell 20: Fuel Pump, Fuel Level Sensors and Fuel Tank Pressure Sensor
OBD II Symbol Description Notice
Handling ESD Sensitive Parts Notice
Cell 10: U/H Fuses 16, 19, Relay 42
Powertrain Control Module Connector End Views
Cell 14: SP122, G106, G105