GM Service Manual Online
For 1990-2009 cars only
Makes
🢒
Chevrolet
🢒
2000
🢒
Corvette
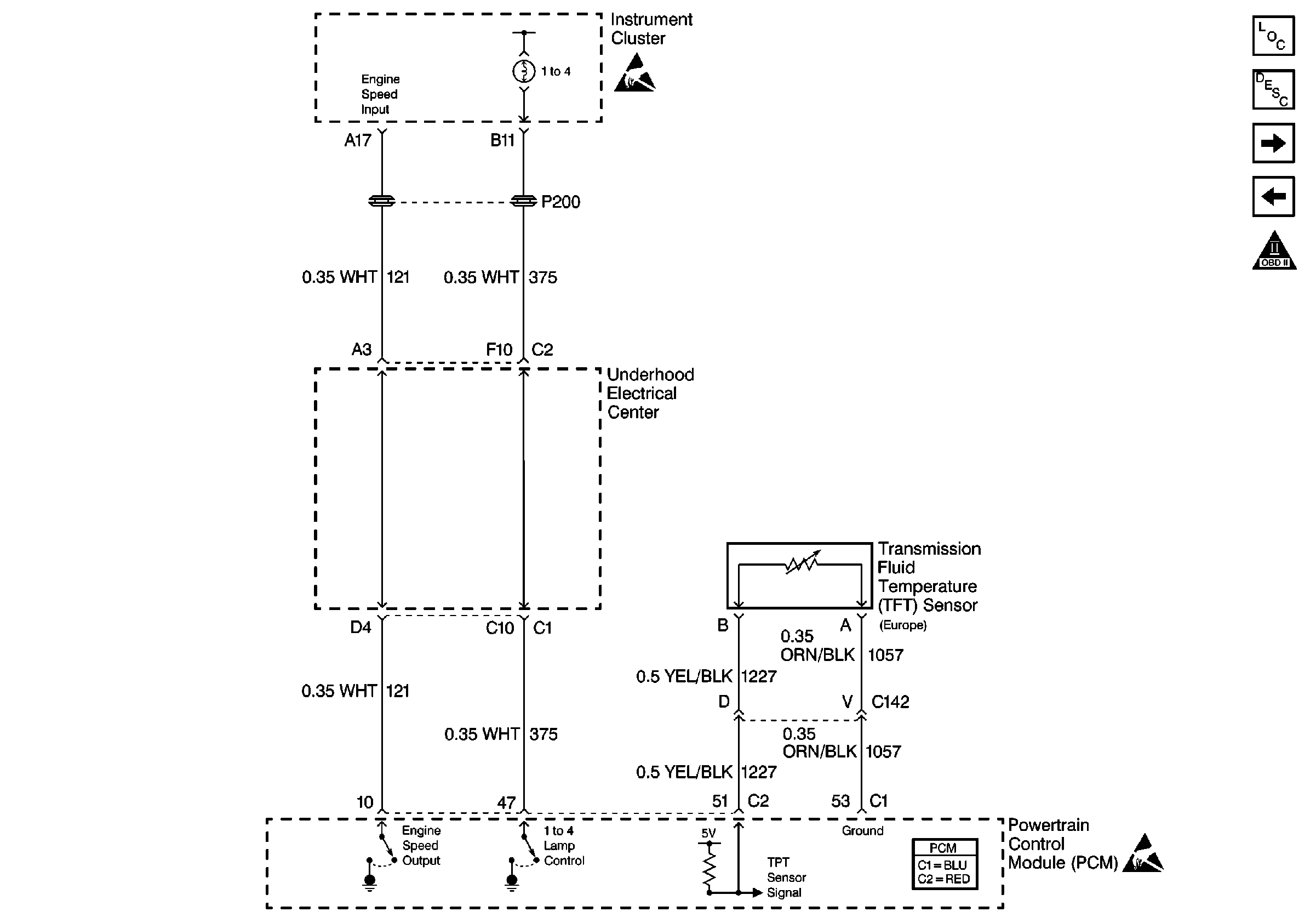
🢒 Cell 20: TFT Sensor ((Europe) Manual Transmission)
Cell 20: TFT Sensor ((Europe) Manual Transmission)
Cell 20: TFT Sensor ((Europe) Manual Transmission)
Engine Controls Components
Cell 20: TCC Switch
Cell 20: Manual Transmission Controls
OBD II Symbol Description Notice
Handling ESD Sensitive Parts Notice
Powertrain Control Module Connector End Views
Handling ESD Sensitive Parts Notice