GM Service Manual Online
For 1990-2009 cars only
Makes
🢒
Chevrolet
🢒
2000
🢒
Corvette
🢒 Cell 20: TCC Switch
Cell 20: TCC Switch
Cell 20: TCC Switch
Engine Controls Components
Information Sensors/Switches Description
Cell 20: Automatic Transmission Controls
Cell 20: TFT Sensor ((Europe) Manual Transmission)
OBD II Symbol Description Notice
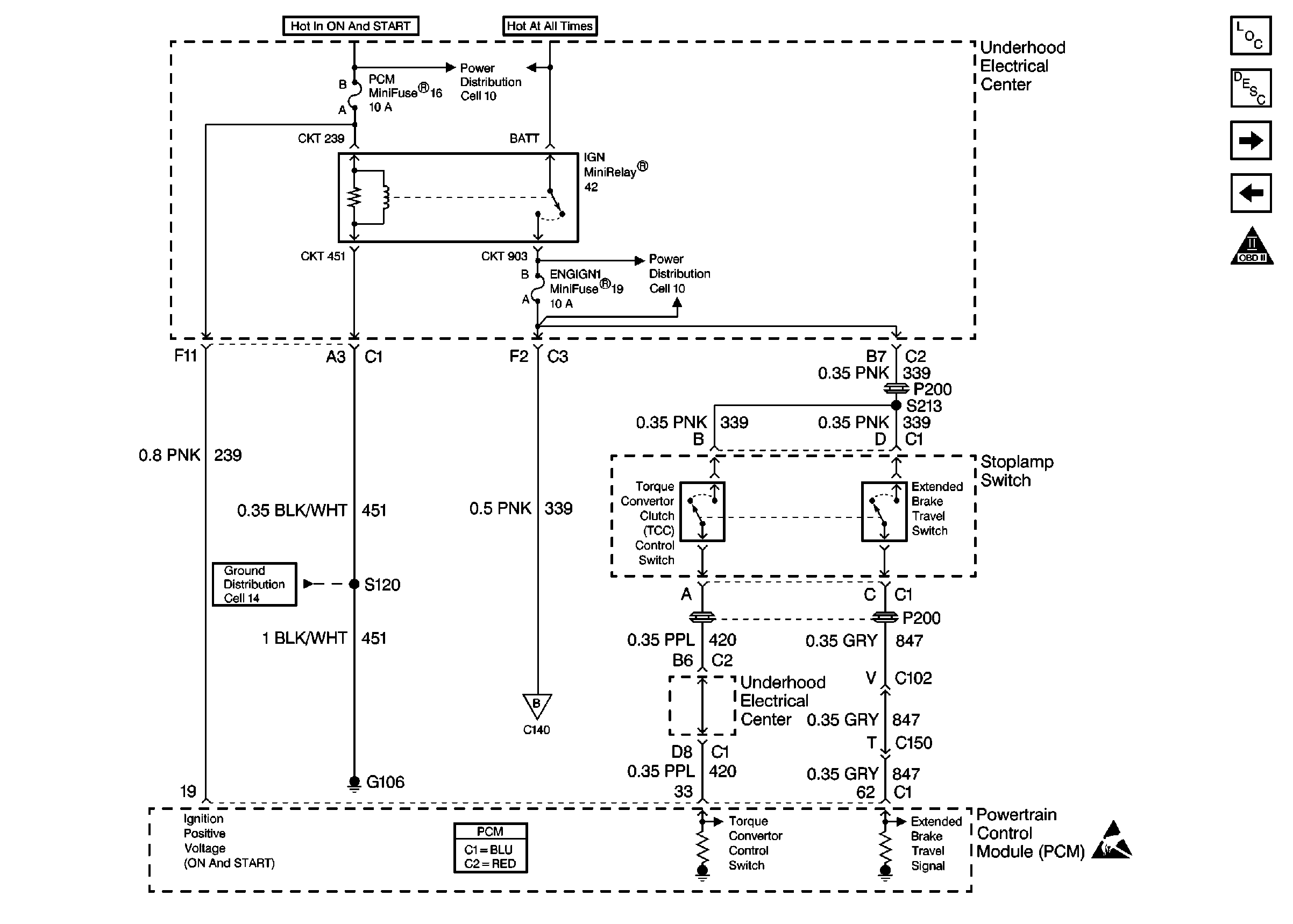
Cell 10: U/H Fuses 7, 46, 14, 13, Relays 41, 43, 44, 35
Cell 10: U/H Fuses 16, 19, Relay 42
Cell 14: SP122, G106, G105
Cell 20: Automatic Transmission Controls
Powertrain Control Module Connector End Views
Handling ESD Sensitive Parts Notice