GM Service Manual Online
For 1990-2009 cars only
Makes
🢒
Chevrolet
🢒
2000
🢒
Corvette
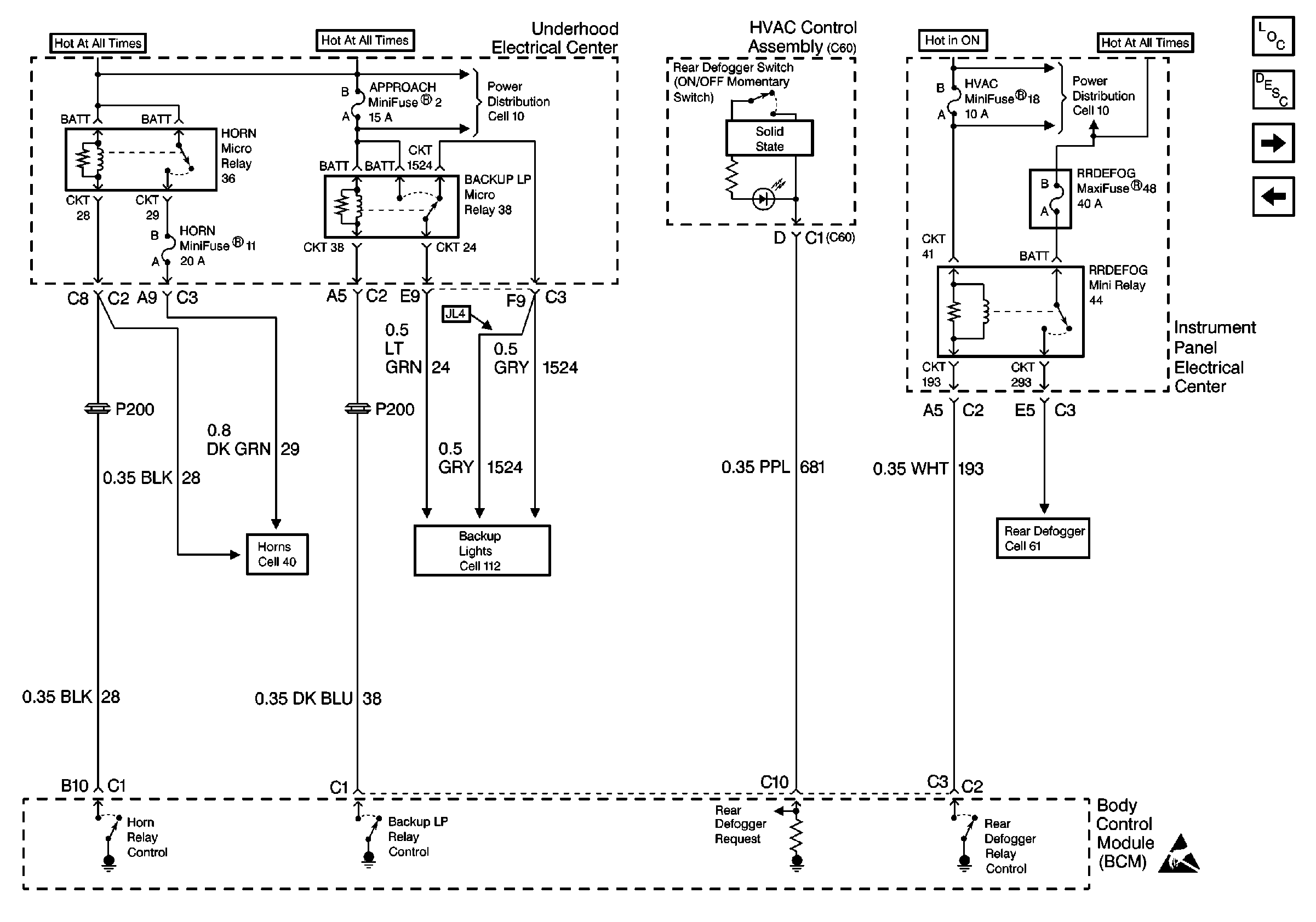
🢒 Cell 51: Horn, Backup and Rear Defogger System
Cell 51: Horn, Backup and Rear Defogger System
Cell 51: Horn, Backup and Rear Defogger System
Body Control Module Components
Body Control System Description
Cell 51: Folding Top and Rear Fog Lamp Control
Cell 51: DRL Relays, CTSY LP Relay and MONITORED LD Relay
Cell 10: U/H Fuses 49, 11, 6, 2, Relays 45, 36, 39, 38
Cell 10: I/P Fuses 21, 18, 48, Relay 44
Cell 40
Cell 112
Cell 61
Handling ESD Sensitive Parts Notice