GM Service Manual Online
For 1990-2009 cars only
Makes
🢒
Chevrolet
🢒
2000
🢒
Corvette
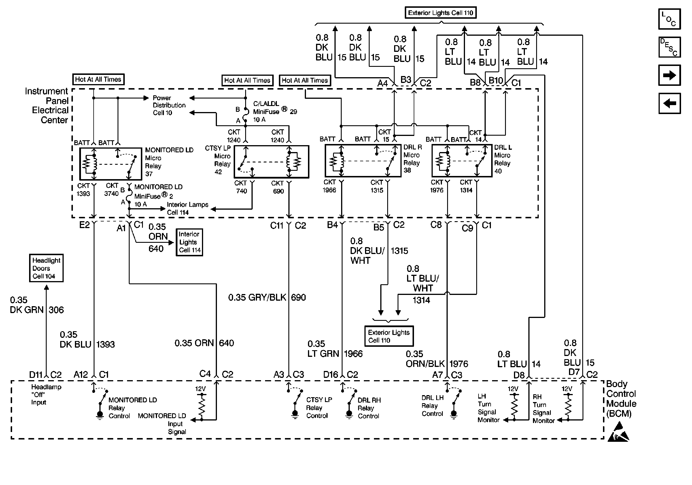
🢒 Cell 51: DRL Relays, CTSY LP Relay and MONITORED LD Relay
Cell 51: DRL Relays, CTSY LP Relay and MONITORED LD Relay
Cell 51: DRL Relays, CTSY LP Relay and MONITORED LD Relay
Body Control Module Components
Body Control System Description
Cell 51: Horn, Backup and Rear Defogger System
Cell 51: Power, Ground and DLC
Cell 10: I/P Fuse 2, Relay 37
Cell 114: MONITORED LD Relay Control
Cell 114: MONITORED LD Relay Control
Cell 104: Power and Ground
Cell 110: DRL Control
Handling ESD Sensitive Parts Notice