GM Service Manual Online
For 1990-2009 cars only
Makes
🢒
Chevrolet
🢒
2000
🢒
Corvette
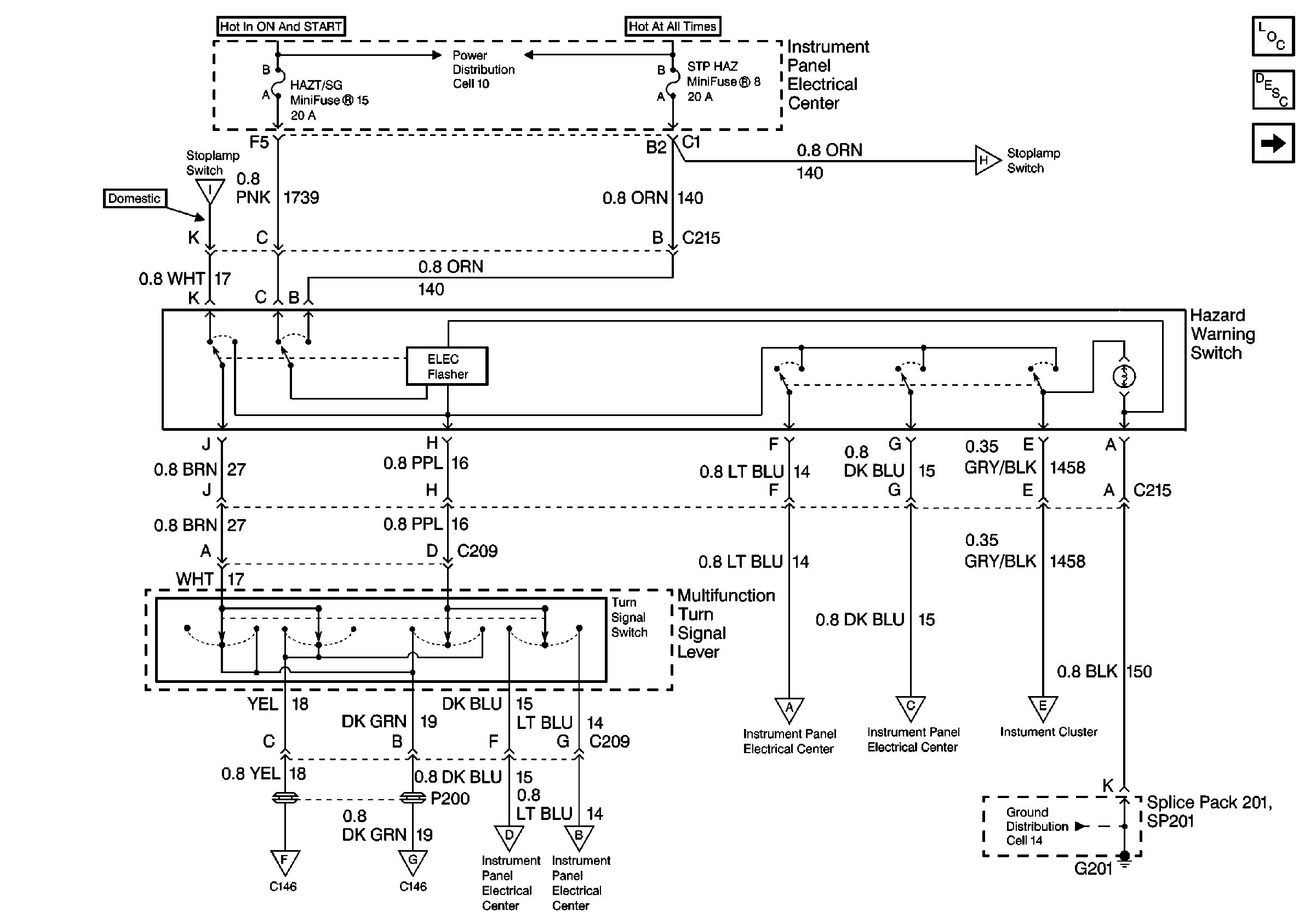
🢒 Cell 110: Hazard Warning and Turn Signal Switches
Cell 110: Hazard Warning and Turn Signal Switches
Cell 110: Hazard Warning and Turn Signal Switches
Lighting Systems Components
Exterior Lights Circuit Description
Cell 110: DRL Control
Cell 110: Stoplamp Switch
Cell 110: DRL Control
Cell 110: DRL Control
Cell 110: DRL Control
Cell 14: SP201, SP203, G201
Cell 10: I/P Fuses 15, 16, 13, 20, 19
Cell 110: Stoplamp Switch
Cell 110: LR Turn Lamps
Cell 110: RR Turn Lamps
Cell 110: DRL Control