GM Service Manual Online
For 1990-2009 cars only
Makes
🢒
Chevrolet
🢒
2000
🢒
Corvette
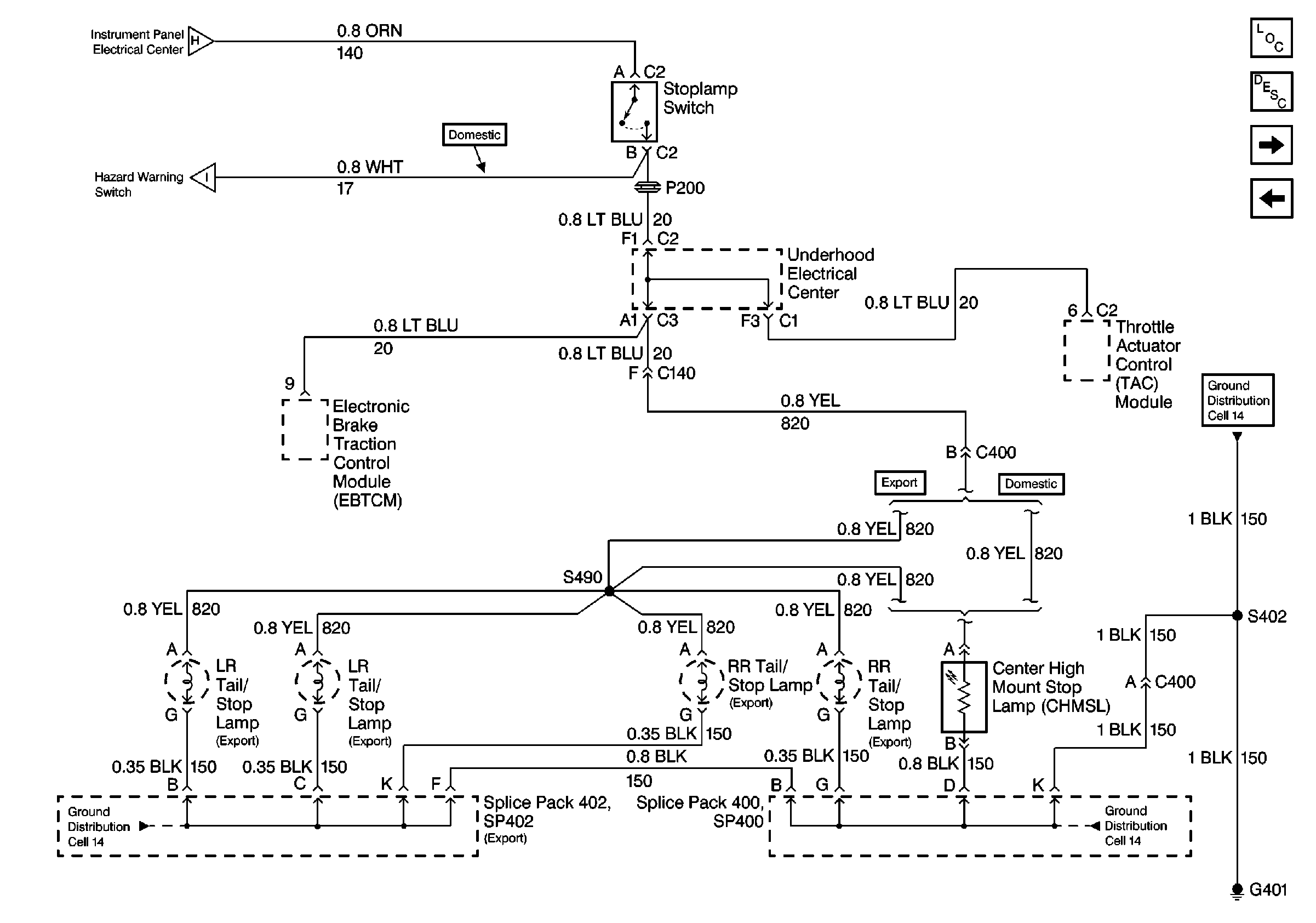
🢒 Cell 110: Stoplamp Switch
Cell 110: Stoplamp Switch
Cell 110: Stoplamp Switch
Lighting Systems Components
Exterior Lights Circuit Description
Cell 110: ALC PRK LP Relay
Cell 110: LR Turn Lamps
Cell 14: SP400, G401
Cell 14: SP400, G401
Cell 14: SP402 (Japan)
Cell 110: Hazard Warning and Turn Signal Switches
Cell 110: Hazard Warning and Turn Signal Switches