GM Service Manual Online
For 1990-2009 cars only
Makes
🢒
Chevrolet
🢒
2000
🢒
Corvette
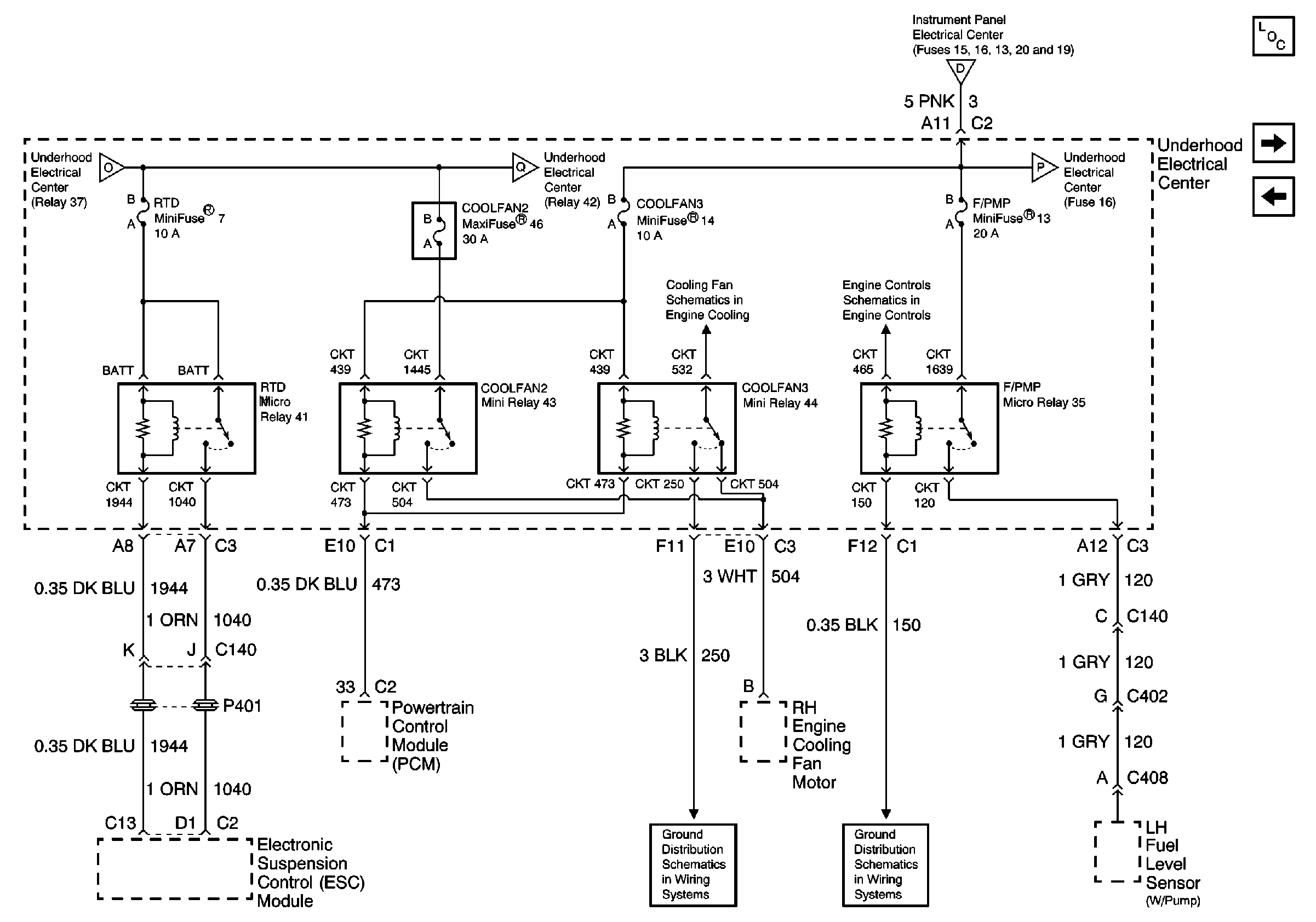
🢒 U/H Fuses 7, 46, 14, 13, Relays 41, 43, 44, 35
U/H Fuses 7, 46, 14, 13, Relays 41, 43, 44, 35
U/H Fuses 7, 46, 14, 13, Relays 41, 43, 44, 35
Power and Grounding Components
U/H Fuses 16, 19, Relay 42
U/H Fuses 1, 15, 5, Relay 37
Ground Distribution Schematics
Ground Distribution Schematics
Engine Controls Schematics
Cooling Fan Schematics
U/H Fuses 1, 15, 5, Relay 37
U/H Fuses 16, 19, Relay 42
I/P Fuses 15, 16, 13, 20, 19
U/H Fuses 16, 19, Relay 42