GM Service Manual Online
For 1990-2009 cars only
Makes
🢒
Chevrolet
🢒
2000
🢒
Corvette
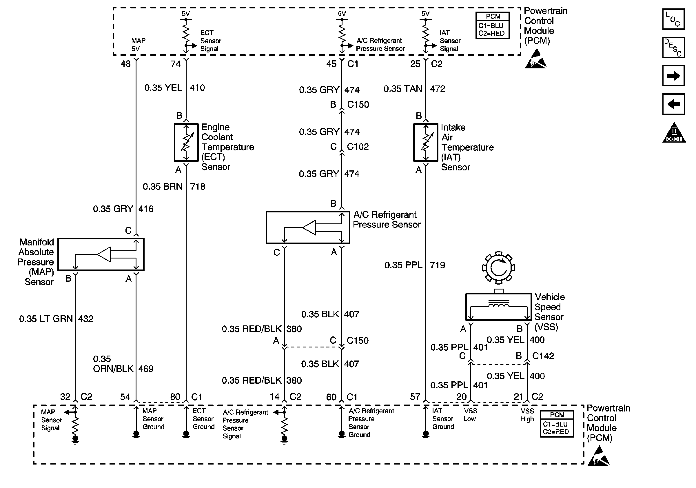
🢒 Engine Data Sensors
Engine Data Sensors
Engine Data Sensors
Engine Controls Components
Heated Oxygen Sensors (HO2S)
TP and APP Sensors
OBD II Symbol Description Notice
Handling ESD Sensitive Parts Notice
Handling ESD Sensitive Parts Notice